GM Service Manual Online
For 1990-2009 cars only

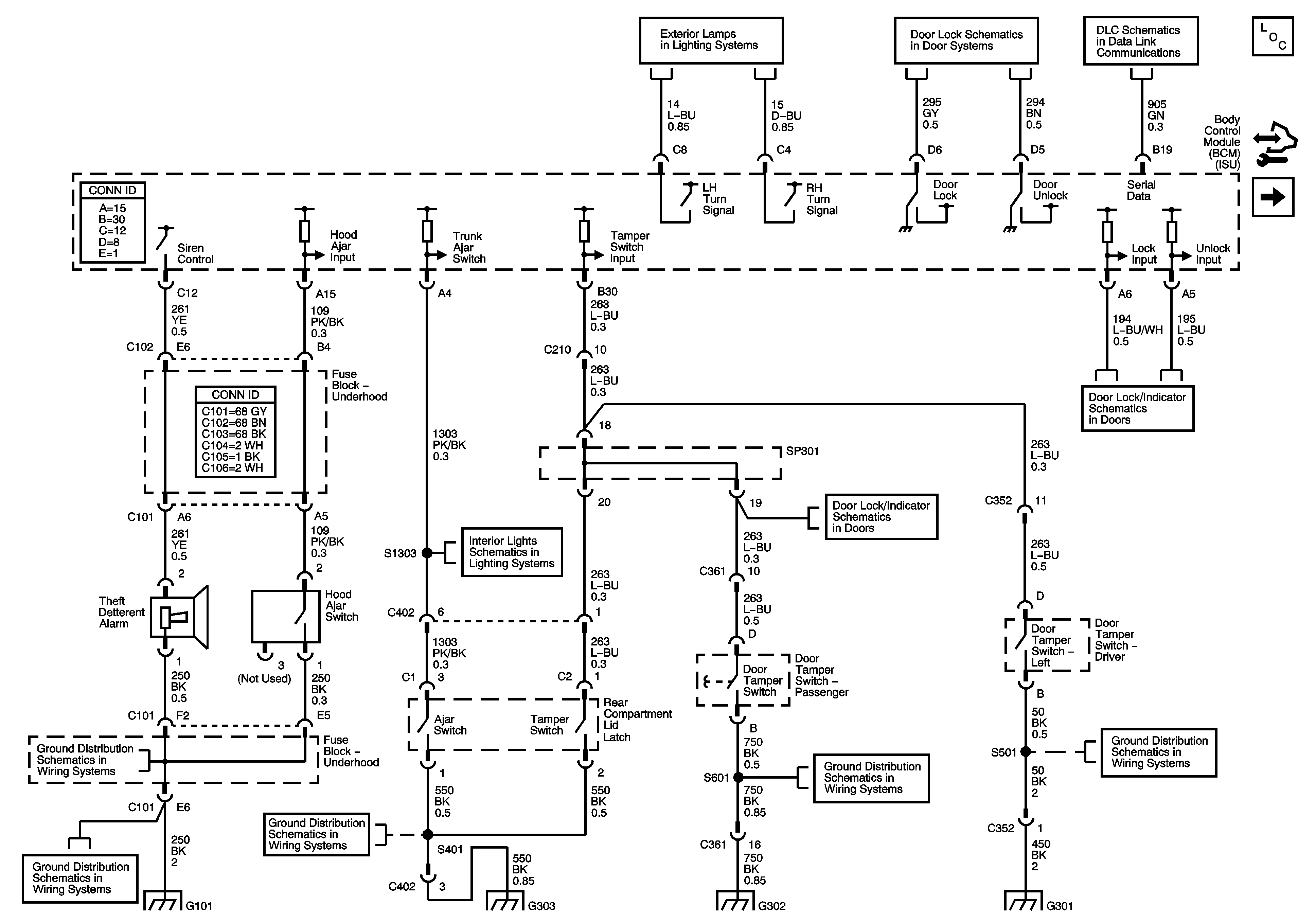
Theft Deterrent System Schematics North America

Figure 1:

Theft Deterrent System (1 of 2)


Object Number: 1685694  Size: FS
Master Electrical Component List
Theft Deterrent Schematics (2 of 2)
Turn and Hazard Lamps - North America
Door Lock/Indicator Schematics
DLC Schematics
Rear Compartment Lamp
Door Lock/Indicator Schematics
Door Lock/Indicator Schematics
G101
G101
G101
G303
G303
G302
G302
G301
G301
Figure 2:

Theft Deterrent System (2 of 2)


Object Number: 1263009  Size: FS
Master Electrical Component List
Theft Deterrent Schematics (1 of 2)
WPR, TCM BTSI, BCM ABS, CLSTR AUTO A/C, WSWA Fuses
WPR, TCM BTSI, BCM ABS, CLSTR AUTO A/C, WSWA Fuses
G301

Theft Deterrent System Schematics Except North America


Object Number: 1674156  Size: FS
Master Electrical Component List
Turn and Hazard Lamps - North America
DLC Schematics
Audible Warnings Schematics
Body Rear End Schematics
WPR, TCM BTSI, BCM ABS, CLSTR AUTO A/C, WSWA Fuses
Body Control Module (BCM) Power, Ground, Serial Data
Door Lock/Indicator Schematics
INT LTS, FRT DEFOG Fuses
INT LTS, FRT DEFOG Fuses
INT LTS, FRT DEFOG Fuses
Theft Deterrent Schematics (1 of 2)