GM Service Manual Online
For 1990-2009 cars only
Makes
🢒
Chevrolet
🢒
2008
🢒
Epica
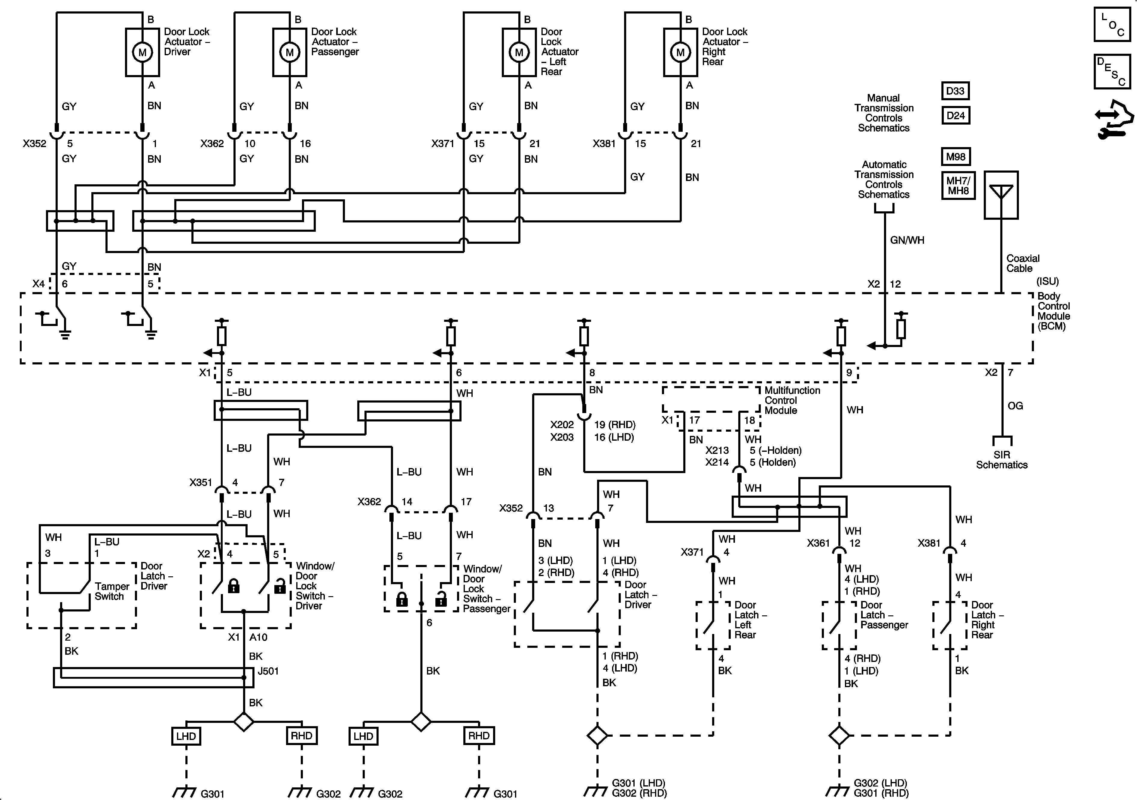
🢒 Door Lock/Indicator Schematics
Door Lock/Indicator Schematics
Master Electrical Component List
Power Door Locks Description and Operation
Control Module References
Manual Transmission Schematics
Manual Transmission Schematics
Speed Sensors
Power, Ground, Indicators and Sensors
G301 (LHD)
G302 (RHD)
G302 (LHD)
G301 (RHD)
G301 (LHD)
G302 (RHD)
G302 (LHD)
G301 (RHD)
Speed Sensors