GM Service Manual Online
For 1990-2009 cars only
Makes
🢒
Chevrolet
🢒
2008
🢒
Epica
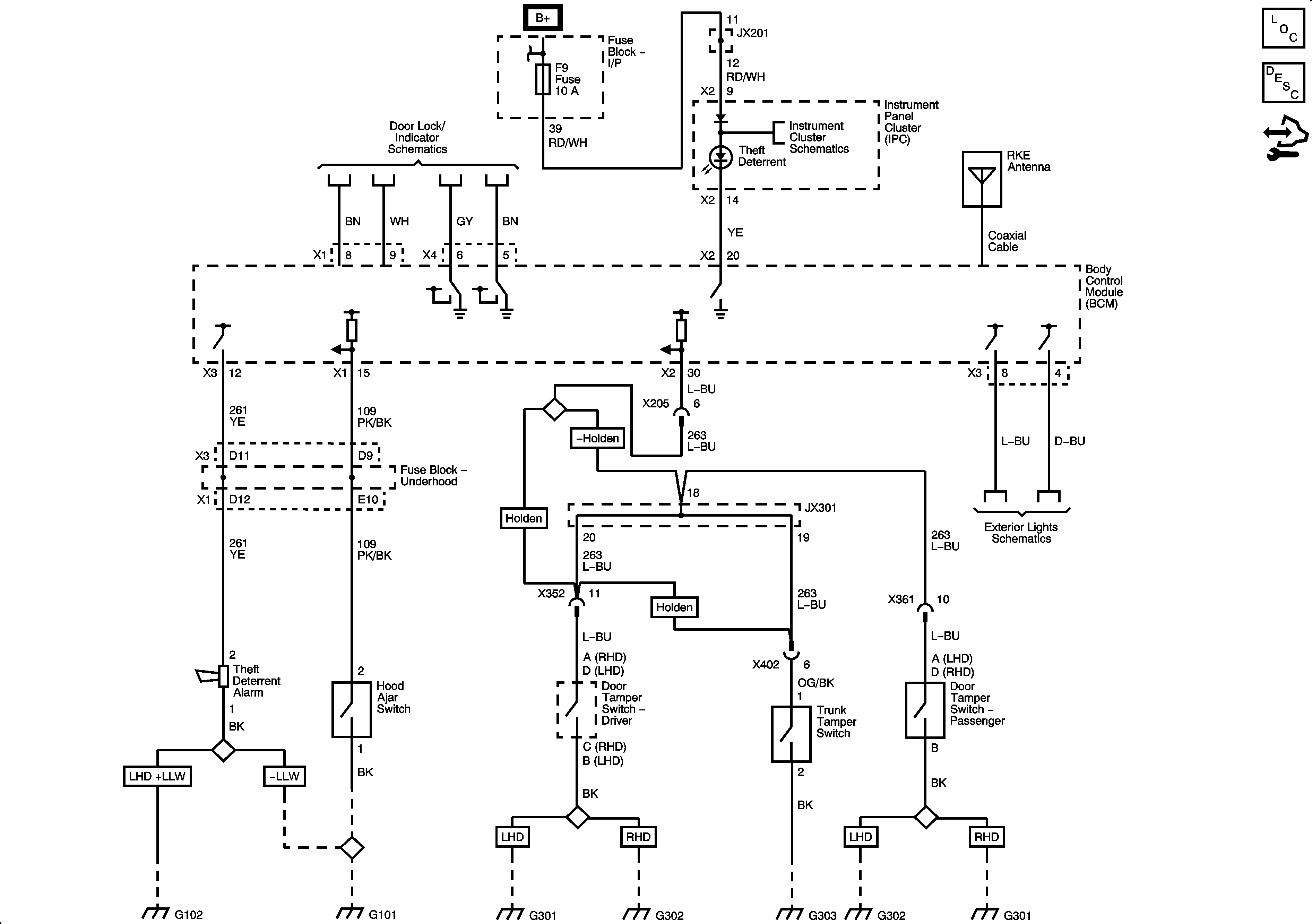
🢒 Theft Deterrent System Schematics
Theft Deterrent System Schematics
Master Electrical Component List
Theft Systems Description and Operation
Control Module References
Fuse Block - I/P F8, F9, F15, F22, F23 Fuses
Door Lock/Indicator Schematics
Indicators 2 of 3
Turn and Hazard Lamps
G102
G101, G106, G107
G301 (LHD)
G302 (RHD)
G303
G302 (LHD)
G301 (RHD)