GM Service Manual Online
For 1990-2009 cars only

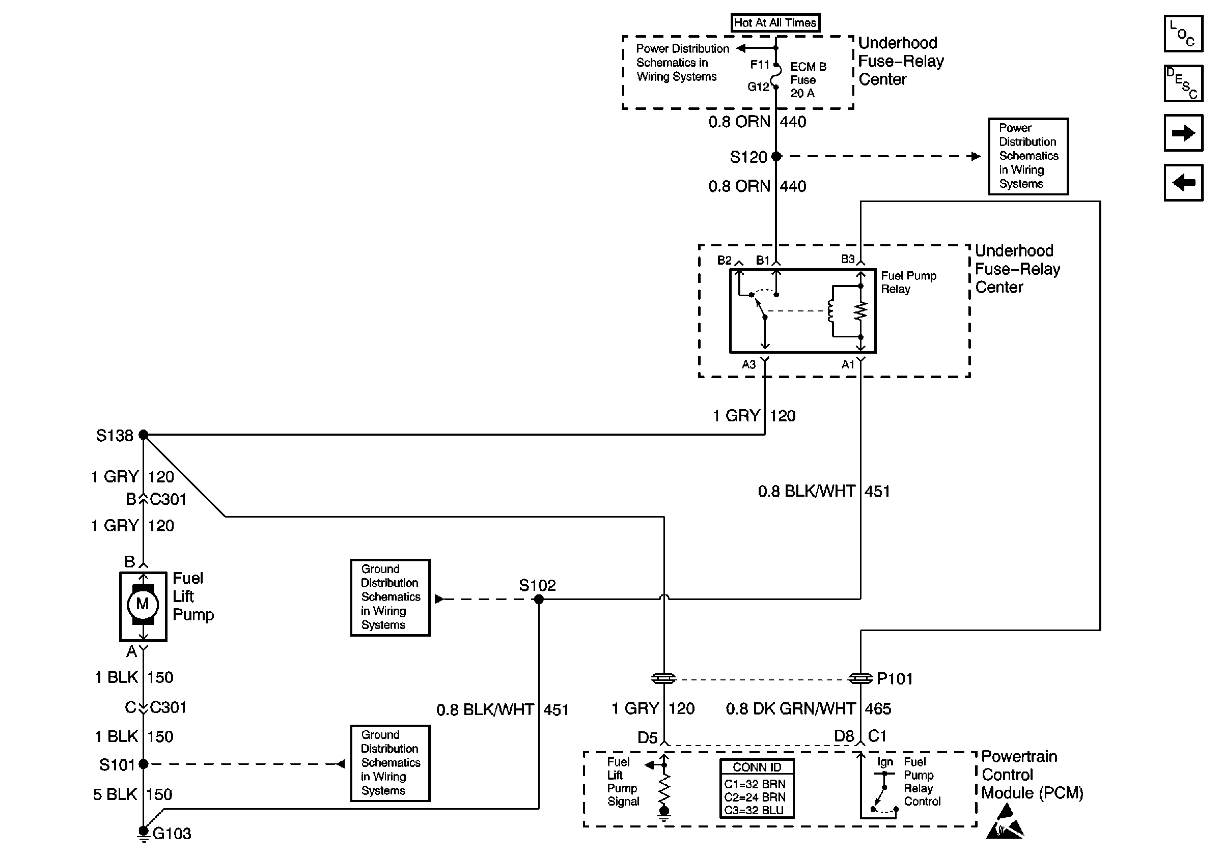
Refer to Engine Controls Schematics

Fuel Pump Controls


Object Number: 493276  Size: FS
Engine Controls Components
Powertrain Control Module Description
Fuel Solenoid Controls, Water-in-fuel Sensor
Glow Plug Controls - California Emissions
Battery, Auxiliary Battery, and Underhood Fuse/Relay Center
ECM B, HORN, and A/C Fuses
Handling ESD Sensitive Parts Notice
G101 (Diesel Engine)
G103 (6.5L Engine)
.

Circuit Description

The status of the fuel lift pump is monitored by the PCM. This signal is also used in order to store a DTC if the fuel pump relay is defective or if the fuel lift pump voltage is lost while the engine is running. There should be approximately 12 volts on circuit 120 during the glow plug cycle.

Conditions for Running the DTC

The fuel lift pump is commanded ON.

Conditions for Setting the DTC

    • The difference between the ignition voltage and the fuel lift pump voltage is more than 4 volts.
    • The condition was met for 2 seconds.

Action Taken When the DTC Sets

    • The PCM illuminates the malfunction indicator lamp (MIL) on the second consecutive drive trip the diagnostic runs and fails.
    • The PCM records the operating conditions at the time the diagnostic fails. The first time the diagnostic fails, the Failure Records store this information. If the diagnostic reports a failure on the second consecutive drive trip, the Freeze Frame records the operating conditions at the time of failure and updates the Failure Records.

Conditions for Clearing the MIL/DTC

    • The PCM will turn the MIL off after 3 consecutive trips without a fault condition.
    • A history DTC clears after 40 consecutive warm-up cycles, if this or any other emission related diagnostic does not report any failures.
    • The scan tool Clear Info function was used.

Diagnostic Aids

This DTC will not check the fuel lift pump for operation.

Test Description

The numbers below refer to the step numbers on the diagnostic table.

  1. The fuel lift pump can be felt for a pulsing which will also determine if the fuel lift pump is working.

  1. This step checks if the PCM is sending a signal to turn the fuel lift pump ON. The scan tool display Lift Pump Voltage will indicate if the feed back voltage is being sent back to the PCM.

  2. This step ensures that the replacement PCM, which utilizes an electrically erasable programmable read only memory (EEPROM), is programmed when installed.

Step

Action

Values

Yes

No

1

Important: Before clearing the DTCs, use the scan tool Capture Info to save the Freeze Frame and Failure Records for reference. The data in the control module is deleted once the Clear Info function is used.

Did you perform the Powertrain On-Board Diagnostic (OBD) System Check?

--

Go to Step 2

Go to Powertrain On Board Diagnostic (OBD) System Check

2

  1. Install the scan tool.
  2. Turn ON the ignition.
  3. Use the scan tool in order to command the fuel lift pump ON.

Does the scan tool indicate the fuel lift pump voltage is near the specified value?

B+

Go to Diagnostic Aids

Go to Step 3

3

  1. Remove the fuel pump relay.
  2. At the U/H relay center, probe the A3 terminal with a fused jumper to B+.

Does the scan tool display voltage at the specified value?

B+

Go to Step 4

Go to Step 5

4

  1. Connect a unpowered test lamp to ground.
  2. Probe the fuel pump relay harness connector terminal B1.

Is the test lamp ON?

--

Go to Step 6

Go to Step 8

5

  1. Check for an open or short to ground on the fuel lift pump signal circuit.
  2. If a problem is found, repair the problem as necessary. Refer to Wiring Repairs in Wiring Systems.

Did you perform a repair?

--

Go to Step 17

Go to Step 13

6

Connect a unpowered test lamp between terminal number B1 and terminal number A1 of the fuel pump relay harness connector.

Is the test lamp ON?

--

Go to Step 9

Go to Step 7

7

Repair the open fuel pump relay ground circuit. Refer to Wiring Repairs in Wiring Systems.

Is the action complete?

--

Go to Step 17

--

8

Repair the open in the battery feed circuit to the fuel pump relay. Refer to Wiring Repairs in Wiring Systems.

Is the action complete?

--

Go to Step 17

--

9

  1. Turn OFF the ignition.
  2. Connect a unpowered test lamp between terminal number B3 of the fuel pump relay harness connector and ground.
  3. Monitor the test lamp.
  4. Turn ON the ignition.

Does the unpowered test lamp come ON during the glow plug cycle and then go OFF after the glow plug cycle is complete?

--

Go to Step 10

Go to Step 11

10

  1. Turn OFF the ignition.
  2. Connect a unpowered test lamp to ground.
  3. Backprobe the fuel lift pump signal circuit at the PCM.
  4. Monitor the test lamp.
  5. Turn ON the ignition.

Does the unpowered test lamp come ON during the glow plug cycle and then go OFF after the glow plug cycle is complete?

--

Go to Step 14

Go to Step 15

11

Check for an open or short to ground in the control circuit from the fuel pump relay harness connector terminal number B3 and the PCM.

Was a problem found?

--

Go to Step 12

Go to Step 13

12

Repair the open or short to ground in the fuel pump relay control circuit. Refer to Wiring Repairs in Wiring Systems.

Is the action complete?

--

Go to Step 17

--

13

  1. Check for faulty connections at the PCM.
  2. If you find a problem, repair the problem as necessary. Refer to Wiring Repairs in Wiring Systems.

Did you perform a repair?

--

Go to Step 17

Go to Step 14

14

Important: The new PCM must be programmed.

Replace the PCM. Refer to Powertrain Control Module Replacement/Programming .

Is the action complete?

--

Go to Step 17

--

15

Check for faulty connections at the fuel pump relay connector. Repair as necessary. Refer to Wiring Repairs in Wiring Systems.

Did you perform a repair?

--

Go to Step 17

Go to Step 16

16

Replace the fuel pump relay. Refer to Fuel Pump Relay Replacement .

Is the action complete?

--

Go to Step 17

--

17

  1. Use the scan tool in order to clear the DTCs.
  2. Start the engine.
  3. Allow the engine to idle until the normal operating temperature is reached.
  4. Select DTC and the Specific DTC function.
  5. Enter the DTC number that was set.
  6. Operate the vehicle within the Conditions for Setting this DTC until the scan tool indicates the diagnostic Ran.

Does the scan tool indicate the diagnostic Passed?

--

Go to Step 18

Go to Step 2

18

Does the scan tool display any additional undiagnosed DTCs?

--

Go to the applicable DTC table

System OK