GM Service Manual Online
For 1990-2009 cars only
Makes
🢒
Chevrolet
🢒
2005
🢒
Express
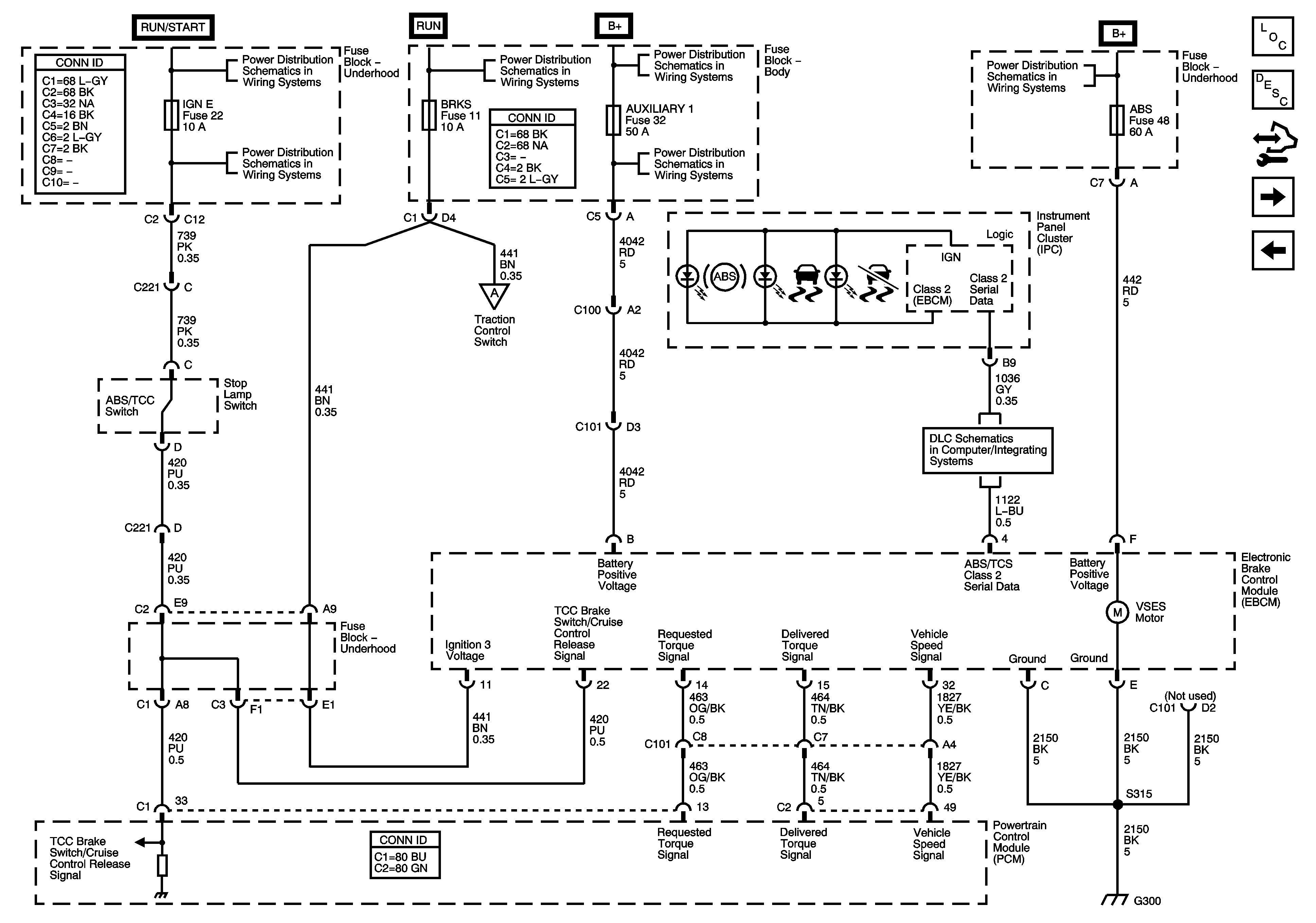
🢒 Power, Ground, Serial Data, Indicator, VSS and Stop Lamp Switch - JL4
Power, Ground, Serial Data, Indicator, VSS and Stop Lamp Switch - JL4
Power, Ground, Serial Data, Indicator, VSS and Stop Lamp Switch (JL4)
Master Electrical Component List
ABS Description and Operation W/JL4
Control Module References
Wheel Speed Sensors - JL4
Wheel Speed Sensors and VSS - w/o JL4
Ignition Switch - ACCY/RUN, RUN/START Bus Bars and IGN B Fuse
IGN E, ISRV, SIR, SPARE andTBC IGN 1 Fuses
Ignition Switch - ACCY/RUN, RUN/START Bus Bars and IGN A Fuse
B+ Bus - Body Fuse Block
AUXILIARY 1, OSRVM, RR BLOWER and SPARE Fuses
B+ Bus - Underhood Fuse Block
Steering Wheel/ Speed Position Inputs, Traction Control Switch and Precharge Pump - JL4
JL4
Data Link Connector (DLC) Schematics