GM Service Manual Online
For 1990-2009 cars only

Object Number: 568383  Size: MF
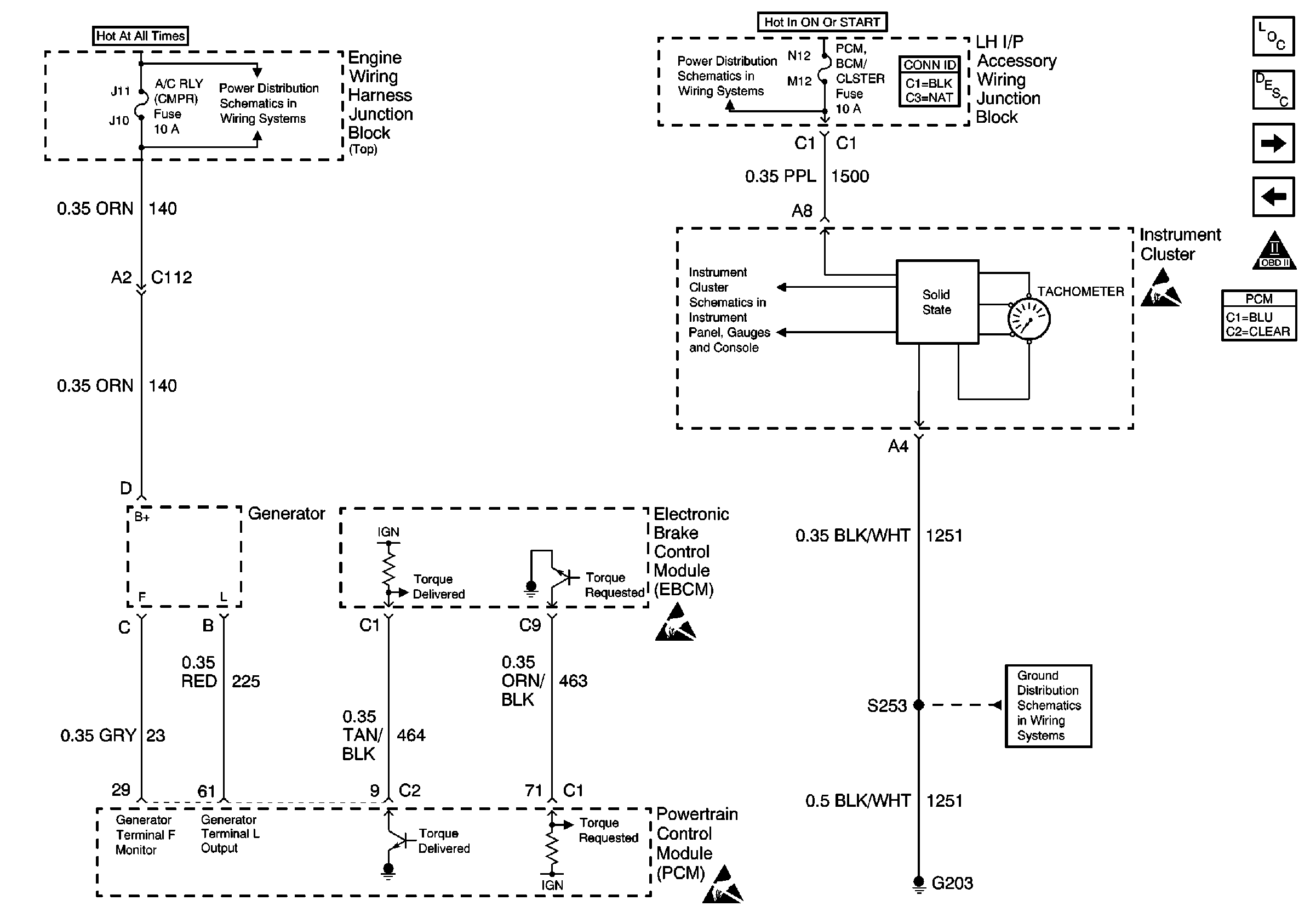
Engine Controls Components
EBCM, Generator, PCM, Tachometer
OBD II Symbol Description Notice

Refer to Engine Controls Schematic

EBCM, Generator, PCM, Tachometer


Object Number: 488676  Size: FS
EXT LTS, A/C RLY (CMPR) and PCM Fuses
Power, DLC, BCM, PCM, SP205, G203
PCM BCM/CLSTR, PWR MIR, CLSTR/BCM Fuses, RETAINED ACCSRY PWR CIRCUIT Breaker, HEADLAMP and RETAINED ACCSRY PWR Relays
Handling ESD Sensitive Parts Notice
Handling ESD Sensitive Parts Notice
Handling ESD Sensitive Parts Notice
G203 (2 of 3)
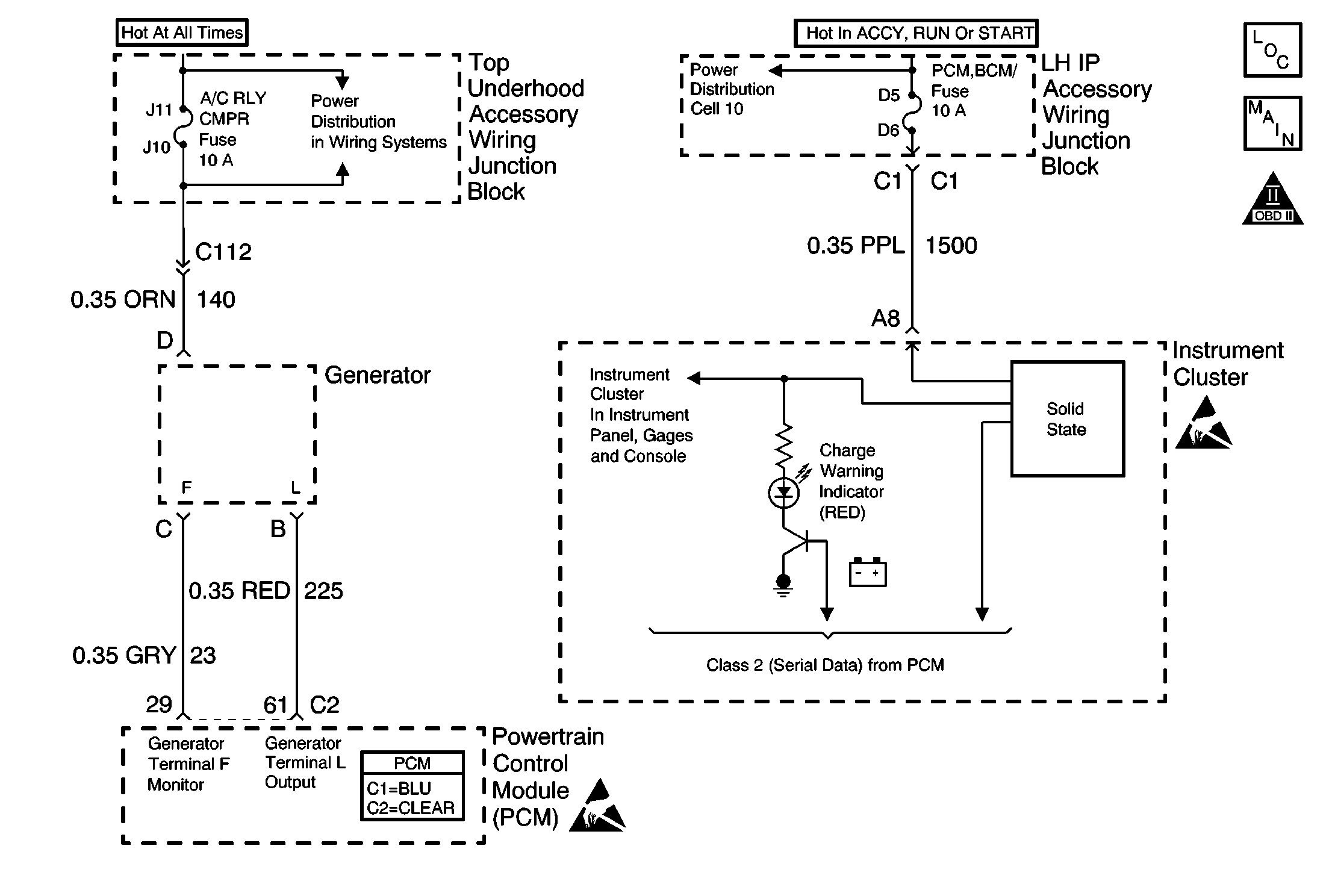
Engine Controls Components
Powertrain Control Module Description
Automatic Transaxle Position Encoder, Crank Relay
VSS, Cruise
OBD II Symbol Description Notice
.

Circuit Description

The Powertrain Control Module (PCM) monitors system voltage on the PCM ignition feed circuit. If the system voltage is out of tolerance, DTC P0560 will set. When the conditions that set DTC P0560 are present, operation of some vehicle systems and components may be affected.

Conditions for Running the DTC

The engine speed is more than 650 RPM.

Conditions for Setting the DTC

    •  The system voltage monitored at the PCM ignition feed circuit is less than 9.0 volts or more than 18.0 volts.
    •  The above conditions exists for more than 25 seconds.

Action Taken When the DTC Sets

The PCM stores conditions which were present when the DTC set as Failure Records only. This information will not be stored as Freeze Frame Records.

Conditions for Clearing the MIL/DTC

    • The DTC becomes history when the conditions for setting the DTC are no longer present.
    • The history DTC clears after 40 malfunction free warm-up cycles.
    • The PCM receives a clear code command from the scan tool.

Diagnostic Aids

For complete information and additional diagnostics for the vehicle charging system, refer to Charging System Description in Engine Electrical.

Inspect for the following conditions:

Many situations may lead to an intermittent condition. Perform each inspection or test as directed.

Important: :  Remove any debris from the connector surfaces before servicing a component. Inspect the connector gaskets when diagnosing or replacing a component. Ensure that the gaskets are installed correctly. The gaskets prevent contaminate intrusion.

    • Loose terminal connection
       -  Use a corresponding mating terminal to test for proper tension. Refer to Testing for Intermittent Conditions and Poor Connections , and to Connector Repairs in Wiring Systems for diagnosis and repair.
       -  Inspect the harness connectors for backed out terminals, improper mating, broken locks, improperly formed or damaged terminals, and faulty terminal to wire connection. Refer to Testing for Intermittent Conditions and Poor Connections , and to Connector Repairs in Wiring Systems for diagnosis and repair.
    • Damaged harness--Inspect the wiring harness for damage. If the harness inspection does not reveal a problem, observe the display on the scan tool while moving connectors and wiring harnesses related to the sensor. A change in the scan tool display may indicate the location of the fault. Refer to Wiring Repairs in Wiring Systems for diagnosis and repair.
    •  Inspect the powertrain control module (PCM) and the engine grounds for clean and secure connections. Refer to Wiring Repairs in Wiring Systems for diagnosis and repair.

If the condition is determined to be intermittent, reviewing the Snapshot or Freeze Frame/Failure Records may be useful in determining when the DTC or condition was identified.

DTC P0560 System Voltage

Step

Action

Values

Yes

No

1

Did you perform the Powertrain On-Board Diagnostic (OBD) System Check?

--

Go to Step 2

Go to Powertrain On Board Diagnostic (OBD) System Check

2

Is DTC P1635 also set?

--

Go to DTC P1635 5 Volt Reference Circuit

Go to Step 3

3

  1. Start and run the engine above 1000 RPM.
  2. Observe ignition 1 on the scan tool.

Is the ignition 1 voltage between the specified values?

9.0-18.0 V

Go to Step 4

Go to Step 5

4

  1. Review and record the scan tool Failure Records data.
  2. Clear DTC P0560 and operate the vehicle in order to duplicate the Failure Records conditions.
  3. Use a scan tool in order to monitor Specific DTC info for DTC P0560 until the DTC P0560 test runs.
  4. Note the test result

Does scan tool indicate that the DTC failed this ignition?

--

Go to Step 5

Go to Diagnostic Aids

5

  1. Install a DMM between the battery terminals.
  2. Monitor the DMM while running the engine above 1000 RPM.

Does the DMM show battery voltage between the specified values?

9.0-18.0 V

Go to Step 6

Go to Step 7

6

  1. Load the electrical system by turning ON the headlamps and the HVAC high blower.
  2. Monitor the DMM while running the engine above 2000 RPM.

Is the battery voltage between the specified values?

9.0-18.0 V

Go to Step 8

Go to Step 7

7

  1. Turn OFF the ignition and disconnect the generator electrical connector.
  2. Turn ON the ignition.
  3. Connect a DMM in order to measure the voltage between the generator control circuit at the generator harness connector and ground.
  4. Use the scan tool in order to command ON the GEN L Term .

Does the DMM display voltage near the specified value with the GEN L Term. commanded ON?

5.0 V

Go to Step 12

Go to Step 10

8

Compare the ignition 1 voltage displayed on the scan tool with the actual battery voltage read with the DMM.

Does the scan tool ignition 1 value closely match the actual value read with the DMM?

--

Go to Diagnostic Aids

Go to Step 9

9

Test the PCM ignition feed circuit for a faulty connection between the ignition switch and the PCM. Refer to Wiring Repairs in Wiring Systems.

Did you find and correct the condition?

--

Go to Step 14

Go to Step 13

10

Test the generator control circuit for an open or a short to ground between the PCM and the generator. Refer to Wiring Repairs in Wiring Systems.

Did you find and correct the condition?

--

Go to Step 14

Go to Step 11

11

Test the generator control circuit for a faulty terminal connection at the PCM. Refer to Wiring Repairs in Wiring Systems.

Did you find and correct the condition?

--

Go to Step 14

Go to Step 13

12

Test the generator control circuit for a faulty terminal connection at the generator. Refer to Wiring Repairs in Wiring Systems.

Did you find and correct the condition?

--

Go to Step 14

Go to Diagnostic System Check - Engine Electrical in Engine Electrical

13

Important: :  Replacement PCM must be programmed.

Replace the PCM. Refer to Powertrain Control Module Replacement/Programming .

Did you complete the replacement?

--

Go to Step 14

--

14

  1. Clear the DTCs.
  2. Start and run engine above 1000 RPM.
  3. Observe ignition 1 on the scan tool.

Is the ignition 1 voltage between the specified values?

9.0-18.0 V

System OK

Go to Step 2