GM Service Manual Online
For 1990-2009 cars only

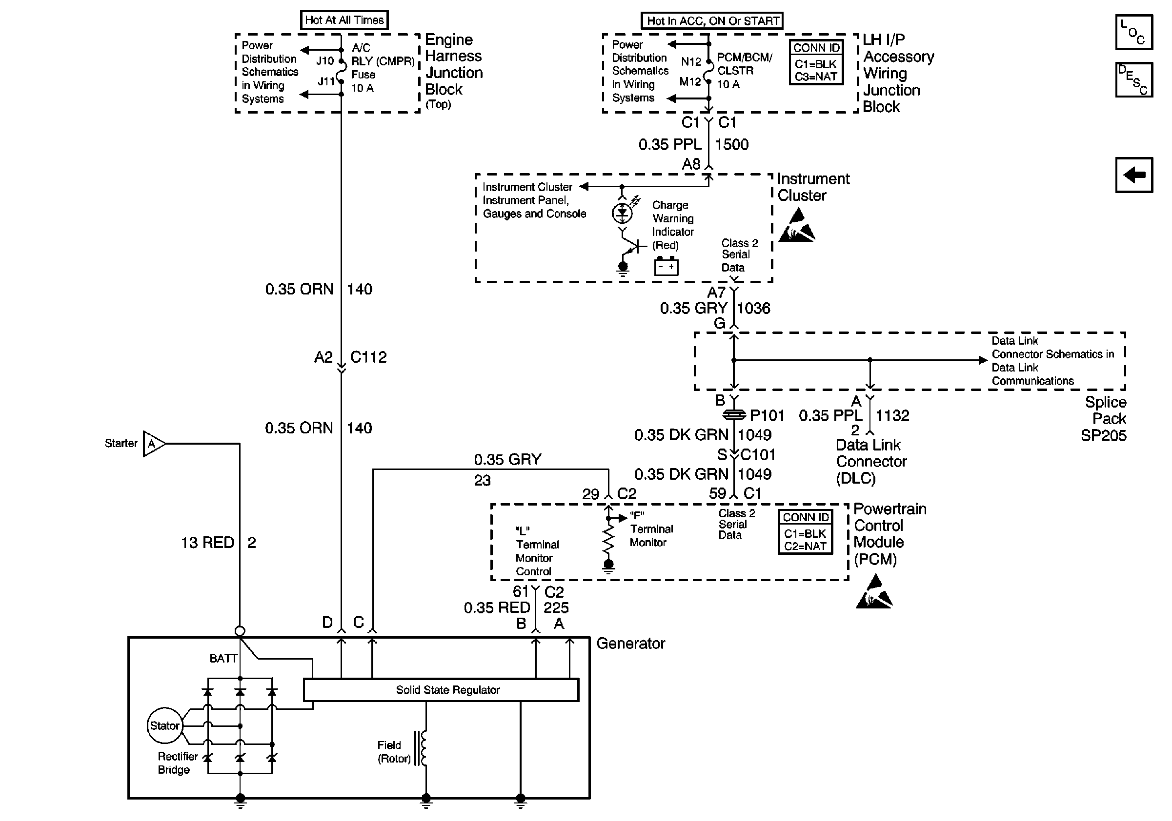
DTC P0620 Generator Performance with F Terminal

Refer to Starting and Charging Schematics

Generator, Powertrain Control Module (PCM), Body Control Module (BCM), and Instrument Cluster, and Serial Data


Object Number: 501951  Size: FS
EXT LTS, A/C RLY (CMPR) and PCM Fuses
Ignition and Start Switch and A/C CRUISE, A/C FAN, CRUISE, PCM (Crank)and PCM/BCM/CLSTR Fuses
Direct Inputs 2 of 2
Handling ESD Sensitive Parts Notice
Engine Electrical Components
Charging System Circuit Description
Power and Ground Distribution, Starter Assembly, Powertrain Control Module (PCM)
Handling ESD Sensitive Parts Notice
Power and Ground Distribution, Starter Assembly, Powertrain Control Module (PCM)
Data Link Communications Schematic
.

Circuit Description

The PCM Output (L) terminal to the alternator determines when the alternator will be turned off. It is on under all normal vehicle operating conditions except during low RPM conditions. The alternator is turned off during low RPM conditions to remove excess load from the engine.

The PCM Input Field (F) terminal from the alternator provides a 400 Hz PWM signal to the PCM. The duty cycle of the (F) terminal mimics the duty cycle of the field coils in the alternator, Thus, the F terminal duty cycle indicates the relative electrical load on the alternator.

The alternator telltale lamp will illuminate any time the ignition is on and engine is not running. The Telltale will go out after the engine is running and the alternator is putting out the desired amperage.

Conditions for Running the DTC

    • The engine is running.
    • The voltage telltale is ON.

Conditions for Setting the DTC

    • (L) terminal voltage is low while the PCM is commanding the generator on.
    • The above condition is present for more than 30 seconds.

OR

    • (F) terminal PWM is less than 5 percent.
    • Engine RPM is less than 2500.
    • The above conditions are present for more then 30 seconds.

Action Taken When the DTC Sets

The PCM stores conditions which were present when the DTC set as Failure Records only. This information will not be stored as Freeze Frame Records.

Conditions for Clearing the MIL/DTC

    • The DTC becomes history when the conditions for setting the DTC are no longer present.
    • The history DTC clears after 40 malfunction free warm-up cycles.
    • The PCM receives a clear code command from the scan tool.

Diagnostic Aids

Check for the following conditions:

    •  Poor connection at the PCM or generator -- Inspect the harness connectors for the following conditions:
       - Backed out terminals
       -  Improper mating
       - Broken locks
       -  Improperly formed or damaged terminals
       -  Poor terminal to wire connection
       - Refer to Testing for Intermittent Conditions and Poor Connections Connector Repairs and Wiring Repairs in Wiring Systems.
    • Damaged harness -- Inspect the wiring harness for damage. If the harness appears to be OK, disconnect the PCM, turn ON the ignition and observe a Digital Multimeter connected to the Generator circuits at the PCM harness connector while moving connectors and wiring harnesses related to the generator control circuit. A change in voltage will indicate the location of the fault. Refer to Testing for Intermittent Conditions and Poor Connections Connector Repairs and Wiring Repairs in Wiring Systems.

Test Description

The numbers below refer to the step numbers on the diagnostic table.

  1. This vehicle is equipped with a PCM which utilizes and Electrically Erasable Programmable Read Only Memory (EEPROM). When the PCM is being replaced, the new PCM must be programmed.

Step

Action

Values

Yes

No

1

Did you perform the Powertrain On-Board Diagnostic (OBD) System Check?

--

Go to Step 2

Go to Powertrain On Board Diagnostic (OBD) System Check

2

Does the scan tool indicate that the generator PWM is within the indicated range?

5%-95%

Go to Diagnostic System Check - Engine Electrical

Go to Step 3

3

  1. Turn OFF the ignition.
  2. Disconnect the generator.
  3. Connect a DMM between the (L) terminal at the harness connector and a known good ground.
  4. Start the engine.
  5. Command the Generator ON with the scan tool.

Does the voltage change from the first indicated value to the second indicated value?

0 V

5 V

Go to Step 4

Go to Step 5

4

  1. Turn On the ignition, with the engine OFF.
  2. Connect a test lamp to battery positive voltage, and repeatedly touch the (F) terminal at the generator harness connector while monitoring the Generator PWM on the scan tool.

Is the reading affected?

--

Go to Charging System Test in Engine Electrical.

Go to Step 7

5

Test the (L) circuit for an open or short to ground and repair if necessary. Refer to Wiring Repairs in Wiring Systems.

Did you find and correct the condition?

--

Go to Step 11

Go to Step 6

6

Test the (L) circuit for a short to voltage and repair if necessary. Refer to Wiring Repairs in Wiring Systems.

Did you find and correct the condition?

--

Go to Step 11

Go to Step 9

7

Test the (F) circuit for an open or short to ground and repair if necessary. Refer to Wiring Repairs in Wiring Systems.

Did you find and correct the condition?

--

Go to Step 11

Go to Step 8

8

Test the (F) circuit for a short to voltage and repair if necessary. Refer to Wiring Repairs in Wiring Systems.

Did you find and correct the condition?

--

Go to Step 11

Go to Step 9

9

Inspect for a poor connection at the PCM and repair if necessary. Refer to Testing for Intermittent Conditions and Poor Connections and Connector Repairs in Wiring Systems.

Did you find and correct the condition?

--

Go to Step 11

Go to Step 10

10

Important: The replacement PCM must be programmed.

Replace the PCM. Refer to Powertrain Control Module Replacement/Programming

Did you complete the replacement?

--

Go to Step 11

--

11

  1. Use a scan tool to Clear the DTCs.
  2. Operate the vehicle within the Conditions for Running the DTC as specified in the supporting text.

Does the DTC reset?

--

Go to Step 2

System OK

DTC P0620 Generator Performance w/o F Terminal

Refer to Starting and Charging Schematics

Generator, Powertrain Control Module (PCM), Body Control Module (BCM), and Instrument Cluster, and Serial Data


Object Number: 501951  Size: FS
EXT LTS, A/C RLY (CMPR) and PCM Fuses
Ignition and Start Switch and A/C CRUISE, A/C FAN, CRUISE, PCM (Crank)and PCM/BCM/CLSTR Fuses
Direct Inputs 2 of 2
Handling ESD Sensitive Parts Notice
Engine Electrical Components
Charging System Circuit Description
Power and Ground Distribution, Starter Assembly, Powertrain Control Module (PCM)
Handling ESD Sensitive Parts Notice
Power and Ground Distribution, Starter Assembly, Powertrain Control Module (PCM)
Data Link Communications Schematic
.

Circuit Description

The PCM Output (L) terminal to the alternator determines when the alternator will be turned OFF. It is on under all normal vehicle operating conditions except during low RPM conditions. The alternator is turned off during low RPM conditions to remove excess load from the engine.

The alternator telltale lamp will illuminate any time the ignition is on and engine is not running. The telltale will go out after the engine is running and the alternator is putting out the desired amperage.

Conditions for Running the DTC

    • The engine is running.
    • The voltage telltale is ON.

Conditions for Setting the DTC

The above condition is present for more than 30 seconds.

Action Taken When the DTC Sets

The PCM stores conditions which were present when the DTC set as Failure Records only. This information will not be stored as Freeze Frame Records.

Conditions for Clearing the MIL/DTC

    • The DTC becomes history when the conditions for setting the DTC are no longer present.
    • The history DTC clears after 40 malfunction free warm-up cycles.
    • The PCM receives a clear code command from the scan tool.

Diagnostic Aids

Inspect for the following:

Many situations may lead to an intermittent condition. Perform each inspection or test as directed.

Important: :  Remove any debris from the connector surfaces before servicing a component. Inspect the connector gaskets when diagnosing or replacing a component. Ensure that the gaskets are installed correctly. The gaskets prevent contaminate intrusion.

    • Loose terminal connection
       -  Use a corresponding mating terminal to test for proper tension. Refer to Testing for Intermittent Conditions and Poor Connections , and to Connector Repairs in Wiring Systems for diagnosis and repair.
       -  Inspect the harness connectors for backed out terminals, improper mating, broken locks, improperly formed or damaged terminals, and faulty terminal to wire connection. Refer to Testing for Intermittent Conditions and Poor Connections , and to Connector Repairs in Wiring Systems for diagnosis and repair.
    • Damaged harness--Inspect the wiring harness for damage. If the harness inspection does not reveal a problem, observe the display on the scan tool while moving connectors and wiring harnesses related to the sensor. A change in the scan tool display may indicate the location of the fault. Refer to Wiring Repairs in Wiring Systems for diagnosis and repair.
    •  Inspect the powertrain control module (PCM) and the engine grounds for clean and secure connections. Refer to Wiring Repairs in Wiring Systems for diagnosis and repair.

If the condition is determined to be intermittent, reviewing the Snapshot or Freeze Frame/Failure Records may be useful in determining when the DTC or condition was identified.

Test Description

The number below refer to the step number on the diagnostic table:

  1. This vehicle is equipped with a PCM which utilizes and Electrically Erasable Programmable Read Only Memory (EEPROM). When the PCM is replaced, the new PCM must be programmed.

P0620 -- Gen Ckt.

Step

Action

Values

Yes

No

1

Did you perform the Powertrain On-Board Diagnostic (OBD) System Check?

--

Go To Step 2

Go to Powertrain On Board Diagnostic (OBD) System Check

2

  1. Turn OFF the ignition.
  2. Disconnect the generator harness connector.
  3. Connect a DMM between the (L) terminal and a good ground.
  4. Start the engine.
  5. Command the generator on with the scan tool while observing the DMM.

Does the voltage change from the first indicated value to the second indicated value?

0.0 V

5.0 V

Go To Charging System Test in Engine Electrical

Go To Step 3

3

Test the (L) circuit for an open or short to ground. Refer to Circuit Testing and Wiring Repairs in Wiring Systems.

Did you find and correct the condition?

--

Go To Step 7

Go To Step 4

4

Test the (L) circuit for a short to voltage. Refer to Circuit Testing and Wiring Repairs in Wiring Systems.

Did you find and correct the condition?

--

Go To Step 7

Go To Step 5

5

Inspect for a poor connection at the PCM. Refer to Testing for Intermittent Conditions and Poor Connections and Connector Repairs in Wiring Systems.

Did you find and correct the condition?

--

Go To Step 7

Go To Step 6

6

Important: The replacement PCM must be programmed.

Replace the PCM. Refer to Powertrain Control Module Replacement/Programming .

Did you complete the replacement?

--

Go To Step 7

--

7

  1. Use the scan tool in order to clear the DTCs.
  2. Operate the vehicle within Failure Records conditions.

Does the DTC reset?

--

Go To Step 2

System OK