GM Service Manual Online
For 1990-2009 cars only
Makes
🢒
Chevrolet
🢒
2002
🢒
Impala
🢒 Stop Lamps Control and CHMSL (Impala)
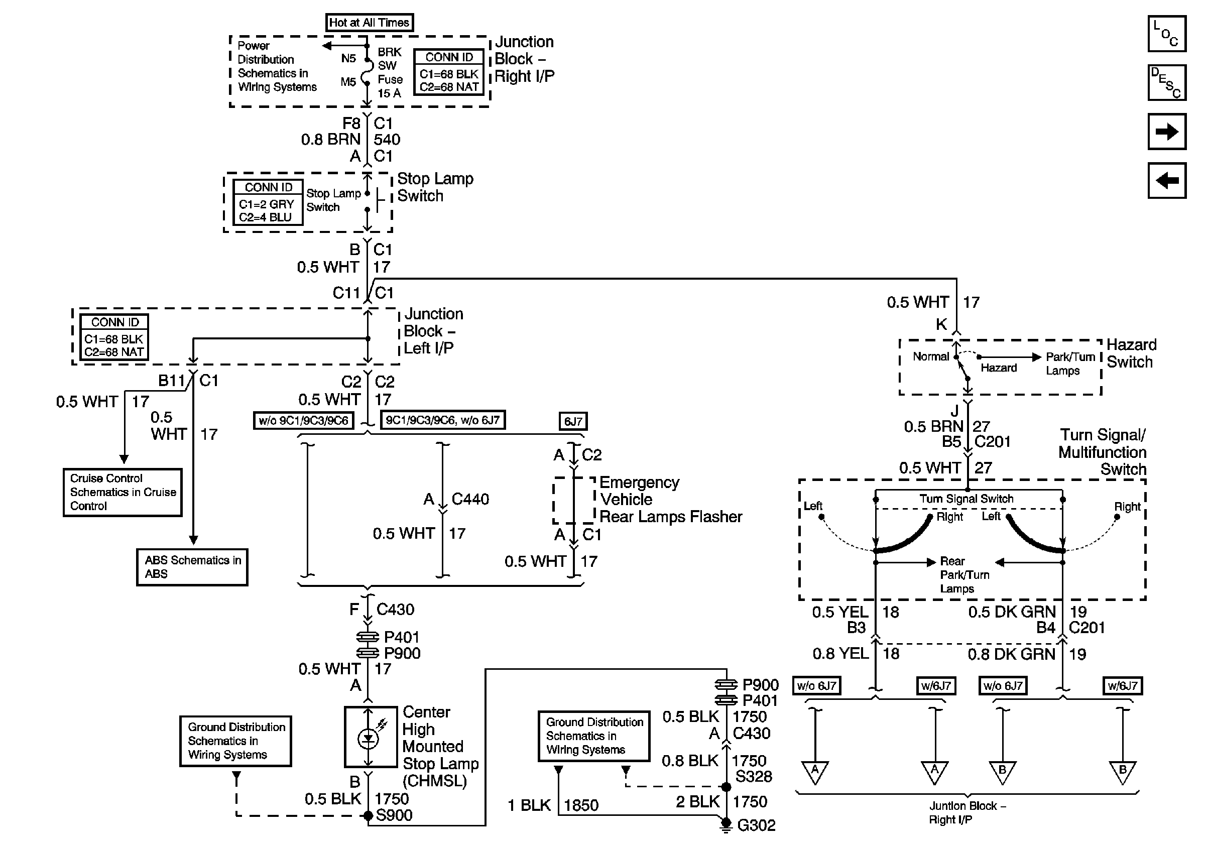
Stop Lamps Control and CHMSL (Impala)
Stop Lamps Control and CHMSL (Impala)
Master Electrical Component List
Exterior Lighting Systems Description and Operation
Turn/Hazard Lamp Control (Impala)
Park Lamps (Impala)
AUX PWR, BRK SW, C/LTR, DRL/EXT LTS, HAZ SW, HVAC BLO, RT I/P#2. Spot Lamp-Left, and Spot Lamp-Right Fuses, DRL RLY Relay Fuses
Cruise Control - Impala
PCM and Stop Lamp Switch
G302 (2 of 2) and G309
G302 (1 of 2)
Rear/Turn/Stop/Hazard Lamps (Impala w/o 6J7)
Rear Turn/Stop/Hazard Lamps (Impala w/o 6J7)
Rear/Turn/Stop/Hazard Lamps (Impala w/o 6J7)
Rear Turn/Stop/Hazard Lamps (Impala w/o 6J7)