GM Service Manual Online
For 1990-2009 cars only
Makes
🢒
Chevrolet
🢒
2002
🢒
Impala
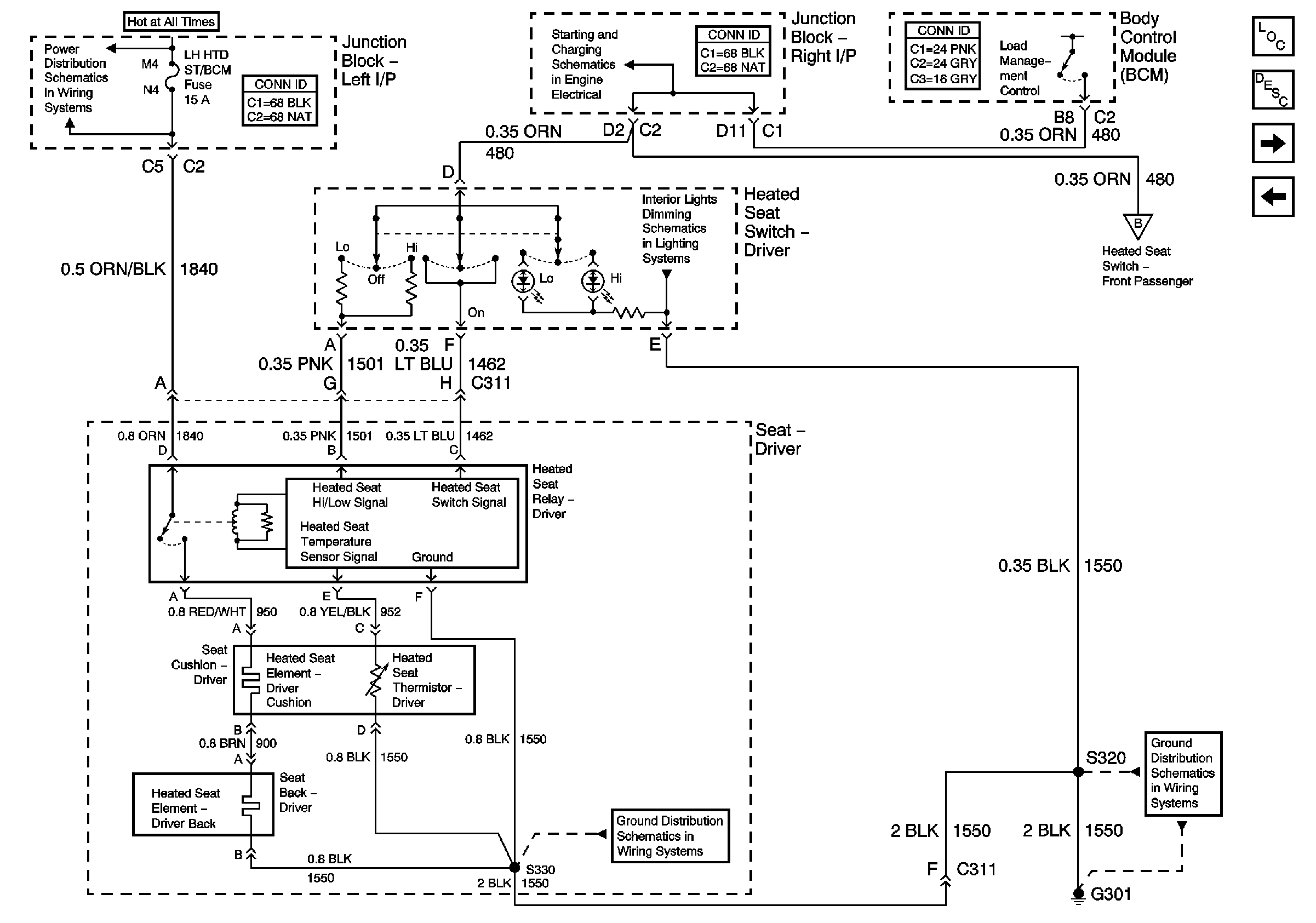
🢒 Driver Seat (Monte Carlo)
Driver Seat (Monte Carlo)
Driver Seat (Monte Carlo)
Master Electrical Component List
Heated Seats Description and Operation
Front Passenger Seat (Monte Carlo)
Front Passenger Seat (Impala)
CLSTR/BCM, DR LK, LEFT IP, LT HTD ST/BCM, and PWR MIR Fuses, RETAINED ACCSRY PWR BRKR Circuit Breaker, HEADLAMP, and RETAINED ACCSRY PWR Relays
Load Management
Console, and Driver Door
Front Passenger Seat (Monte Carlo)
G301 (1 of 2)
G301 (1 of 2)