GM Service Manual Online
For 1990-2009 cars only
Makes
🢒
Chevrolet
🢒
2007
🢒
Optra
🢒 Automatic Transmission
Automatic Transmission
Automatic Transmission
Master Electrical Component List
Control Module References
Manual Transmission
Underhood Fuse Block - Battery Feeds - 1of 2
Underhood Fuse Block - Battery Feeds - 1of 2
Underhood Fuse Block - Battery Feeds - 1of 2
Starting
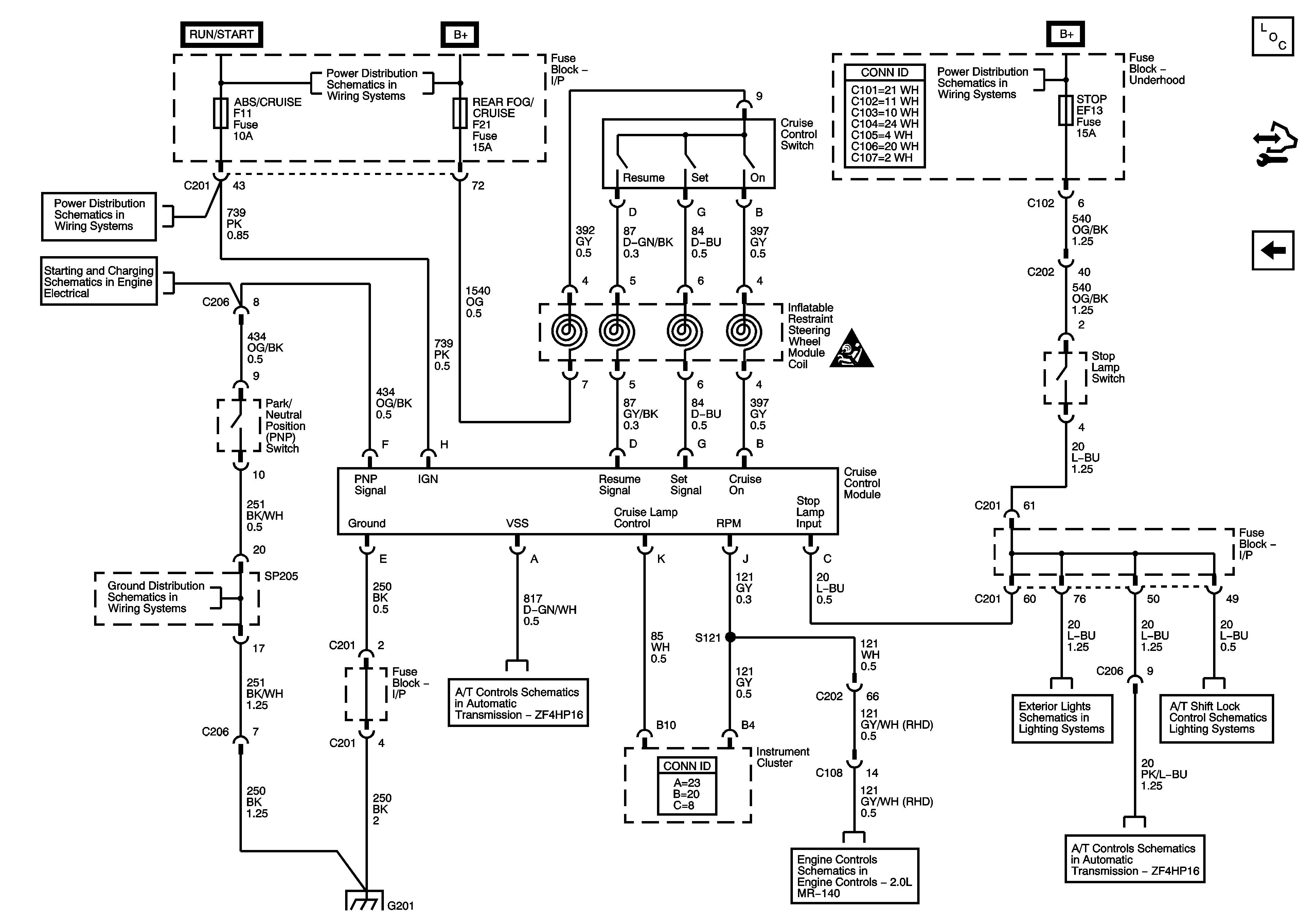
Cruise Control Schematic Icons
G101
Power, Ground, Hold Switch and DLC
G201 (1 of 2)
Manual Transmission
Park Lamps and License Plate Lamps
Automatic Transmission Shift Lock w/o Ignition Lock Cylinder Control Actuator
Power, Ground, Hold Switch and DLC