GM Service Manual Online
For 1990-2009 cars only
Makes
🢒
Chevrolet
🢒
2000
🢒
Prizm
🢒
Transmission/Transaxle
🢒
Automatic Transmission - 4 Speed-MS7
🢒 Automatic Transmission Controls Schematics
Figure
1:
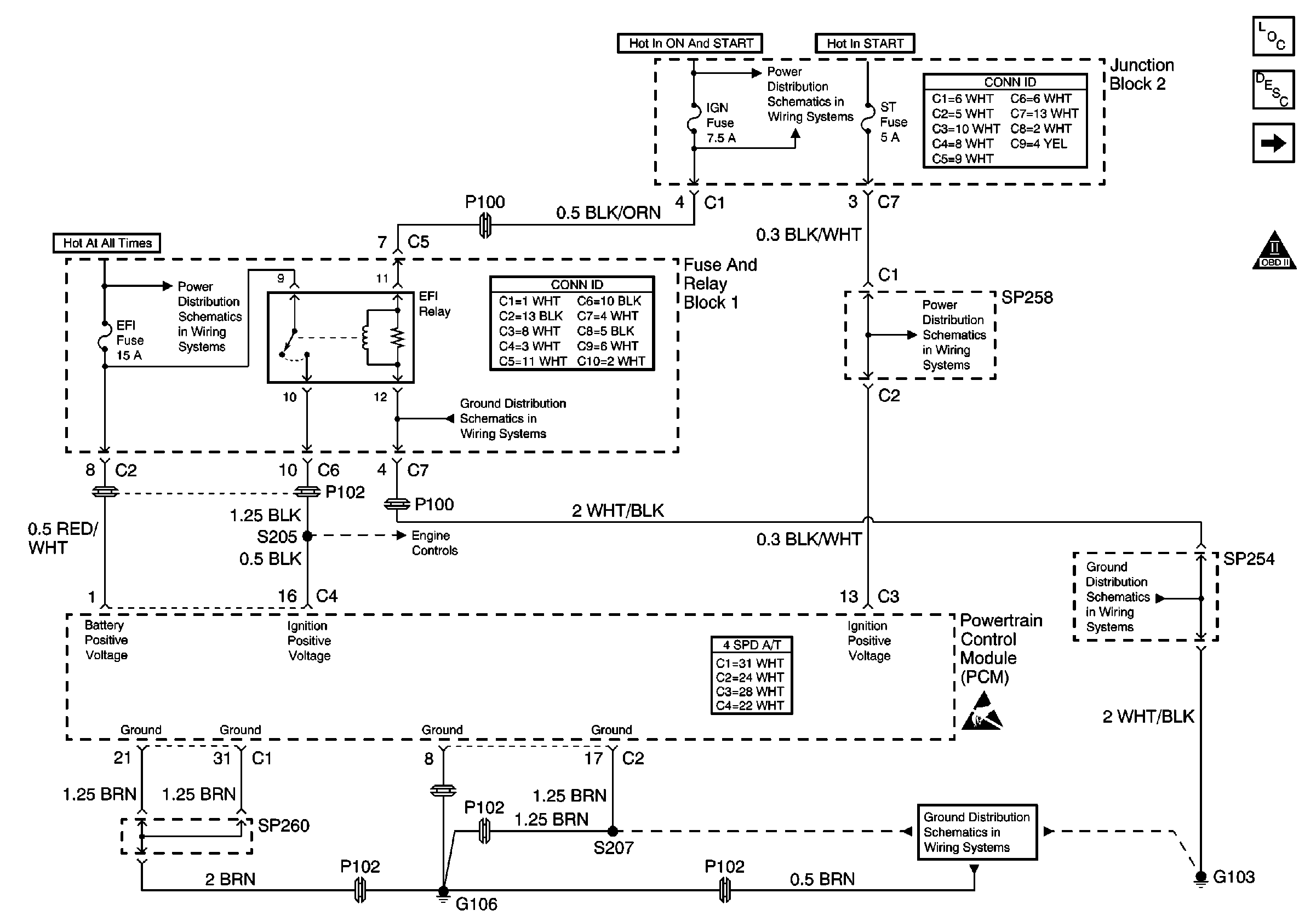
EFI Relay and PCM
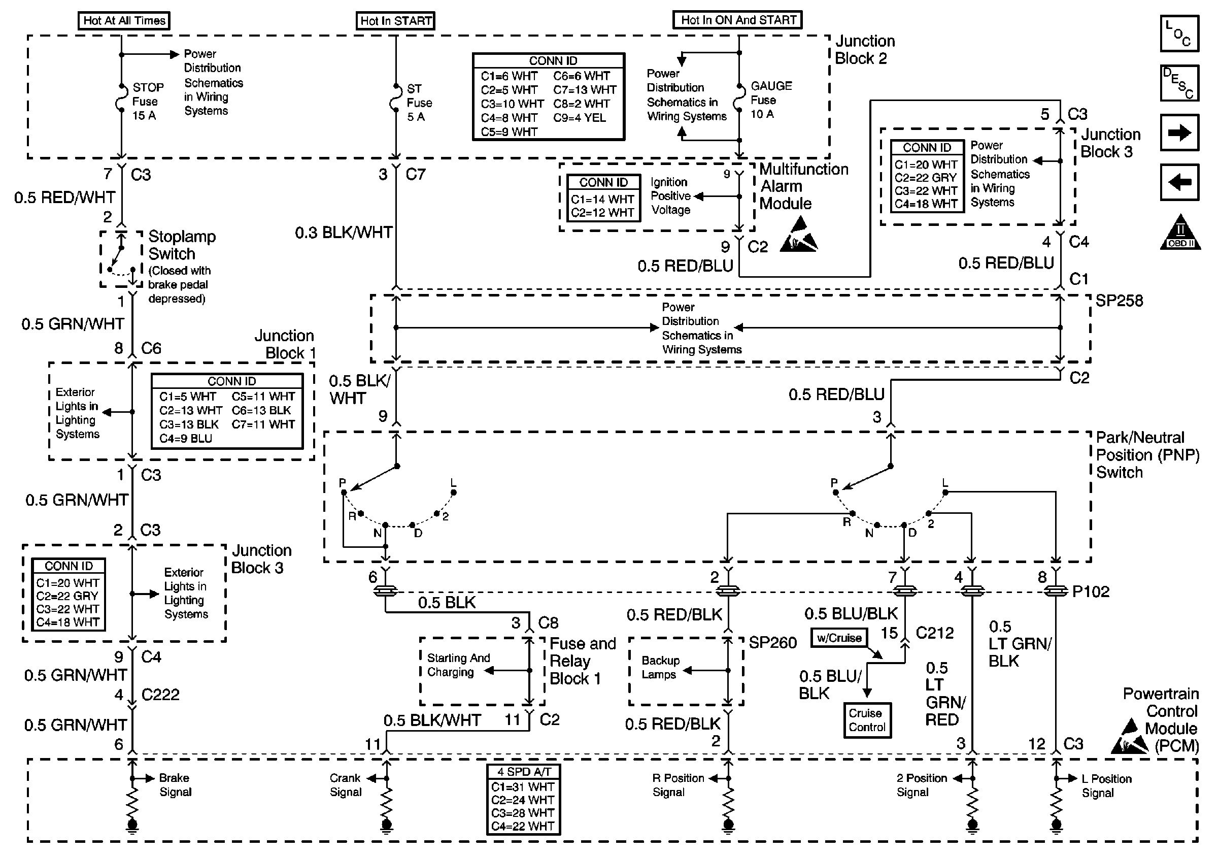
Automatic Transmission Components
PNP Switch, PCM and Stoplamp Switch
OBD II Symbol Description Notice
Handling ESD Sensitive Parts Notice
Cell 14: G105 and G106
SP254 and SP261
Ignition Switch, IGN Fuse, and ST Fuse
Ignition Switch, IGN Fuse, and ST Fuse
Alt-S, AM2, Dome, EFI, Hazard, Horn, and Main Fuses
Figure
2:
PNP Switch, PCM and Stoplamp Switch
Automatic Transmission Components
Cruise Control Module, PCM, Overdrive Switch, TCC Solenoid, Shift Solenoid NO. 1, and Shift Solenoid NO. 2
EFI Relay and PCM
OBD II Symbol Description Notice
Handling ESD Sensitive Parts Notice
Handling ESD Sensitive Parts Notice
ABS, Alt, AM1, Def, D/L, ECU-B, HTR, OBD, Power, and Stop Fuses
Gauge Fuse
Gauge Fuse
Cruise Control Module and Stoplamp Switch
Cruise Control Module and Stoplamp Switch
PNP Switch and Back-up Lamps
Cruise Control Servo, PNP Switch, CPP Interrupt Switch, and Stoplamp SWitch
A/T Controls Inputs
Figure
3:
Cruise Control Module, PCM, Overdrive Switch, TCC Solenoid, Shift Solenoid NO. 1, and Shift Solenoid NO. 2
Automatic Transmission Components
PNP Switch, PCM and Stoplamp Switch
OBD II Symbol Description Notice
Handling ESD Sensitive Parts Notice
Handling ESD Sensitive Parts Notice
Cell 14: G204 and SP256
Gauge Fuse
Gauge Fuse
ABS, Oil Pressure, MIL, O/D OFF, and Cruise Indicators