GM Service Manual Online
For 1990-2009 cars only
Makes
🢒
Chevrolet
🢒
2000
🢒
Prizm
🢒
Body and Accessories
🢒
Data Link Communications
🢒 Data Link Connector Schematics
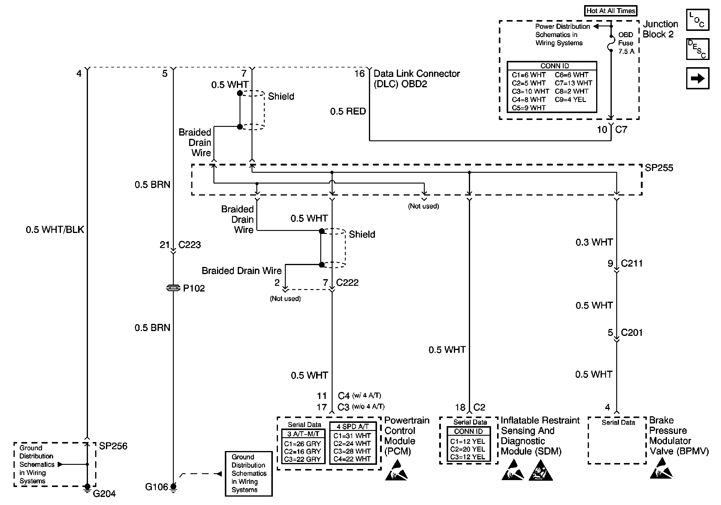
Figure
1:
Data Link Connector OBD 2
Data Link Communications Components
Data Link Connector (Under Hood)
Handling ESD Sensitive Parts Notice
Handling ESD Sensitive Parts Notice
Handling ESD Sensitive Parts Notice
SIR Caution
Cell 14: G106, continued
Cell 14: G105 and G106
Cell 14: G204 and SP256
Cell 10: RR W/W, DRL, HIGH BEAM, and LDLEV Fuses
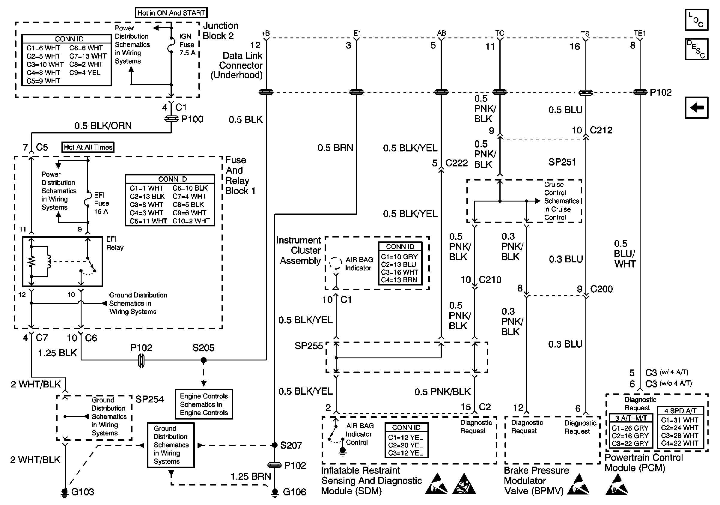
Figure
2:
Data Link Connector (Under Hood)
Data Link Communications Components
Handling ESD Sensitive Parts Notice
Handling ESD Sensitive Parts Notice
Handling ESD Sensitive Parts Notice
SIR Caution
Ignition Switch, IGN Fuse, and ST Fuse
Alt-S, AM2, Dome, EFI, Hazard, Horn, and Main Fuses
Cell 14: SP254 and SP261
Cell 14: SP254 and SP261
Cell 14: Battery, G100, G101, G102, G103, and G104
Cell 20: Power and Ground
Data Link Connector OBD 2