GM Service Manual Online
For 1990-2009 cars only
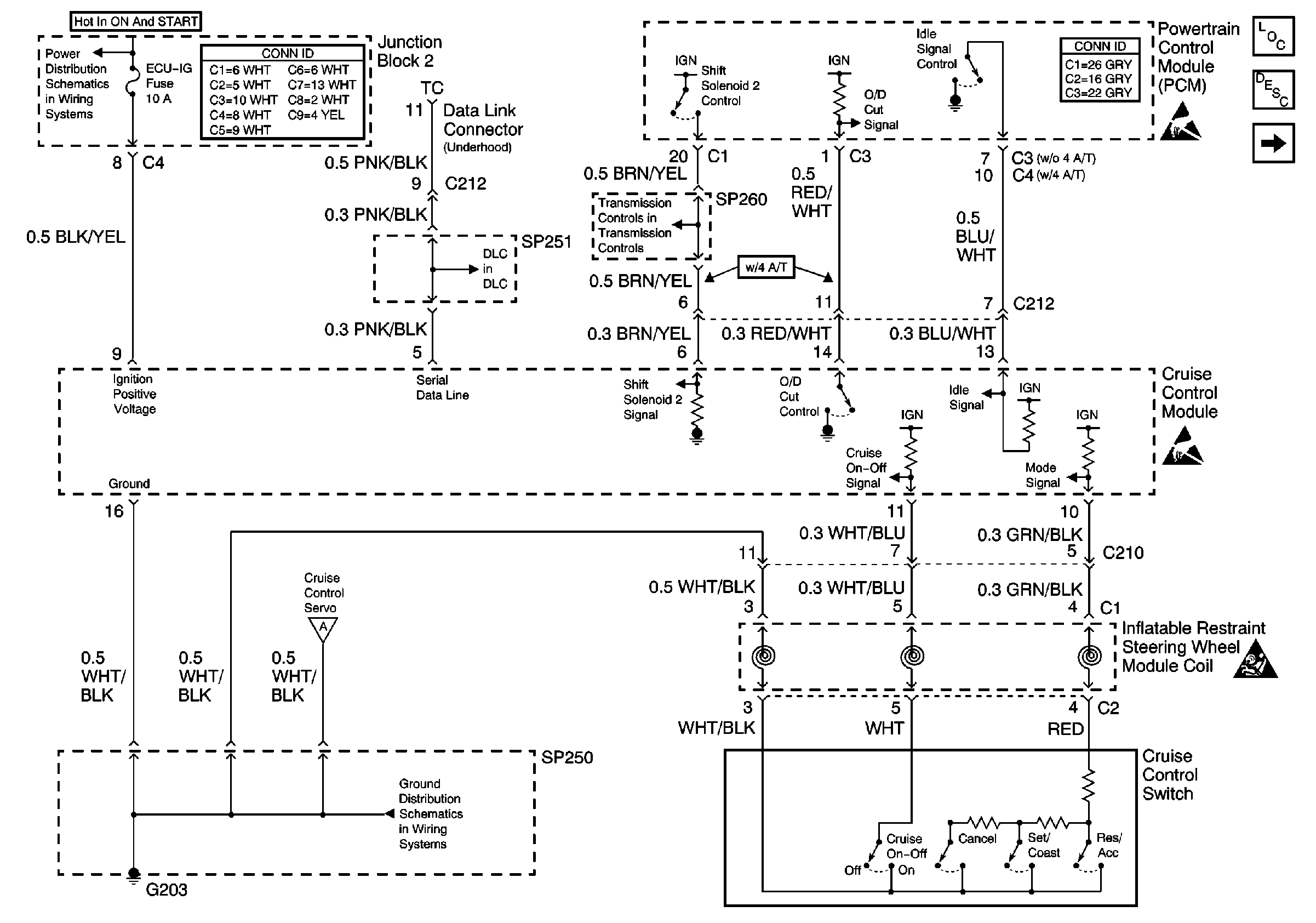
Figure 1:

Cruise Control Switch, Cruise Control Module, and PCM


Object Number: 626156  Size: FS
Cruise Control Components
Cruise Control System Circuit Description
Vehicle Speed Sensor
Handling ESD Sensitive Parts Notice
Handling ESD Sensitive Parts Notice
Cell 50:
PNP Switch, PCM and Stoplamp Switch
Gauge Fuse
Cell 14: G200, G203, SP250 and SP650
Figure 2:

Vehicle Speed Sensor


Object Number: 626158  Size: FS
Cruise Control Components
Cruise Control System Circuit Description
Cruise Control Servo, PNP Switch, CPP Interrupt Switch, and Stoplamp SWitch
Cruise Control Switch, Cruise Control Module, and PCM
Handling ESD Sensitive Parts Notice
Handling ESD Sensitive Parts Notice
Gauge Fuse
Gauge Fuse
Cell 81: Gages, Speedometer, and Low Fuel Indicator
Cell 81: Gages, Speedometer, and Low Fuel Indicator
Cell 14: G201 and G202
Cell 20: MIL and DLC
Gauge Fuse
Figure 3:

Cruise Control Servo, PNP Switch, CPP Interrupt Switch, and Stoplamp Switch


Object Number: 626159  Size: FS
Cruise Control Components
Cruise Control System Circuit Description
Vehicle Speed Sensor
Handling ESD Sensitive Parts Notice
Cell 110: Cruise Control Module and Stoplamp Switch
ABS, Alt, AM1, Def, D/L, ECU-B, HTR, OBD, Power, and Stop Fuses
Gauge Fuse
Gauge Fuse
Gauge Fuse
Gauge Fuse
Cell 81: ABS, Oil Pressure, MIL, O/D OFF, and Cruise Indicators