GM Service Manual Online
For 1990-2009 cars only
Makes
🢒
Chevrolet
🢒
1999
🢒
S10 Pickup - 2WD
🢒 Cell 64 (4.3L)
Cell 64 (4.3L)
Cell 64 (4.3L)
HVAC Components
Cigar Lighter/Auxiliary Outlet Circuit Description
Power and Grounding Connector End Views
Cell 10: ATC, HVAC and A/C Fuses
Cell 10: IGN E, RDO IGN Fuses and Power Window Circuit Breaker
Cell 10: HVAC and CRUISE Fuses
HVAC Components
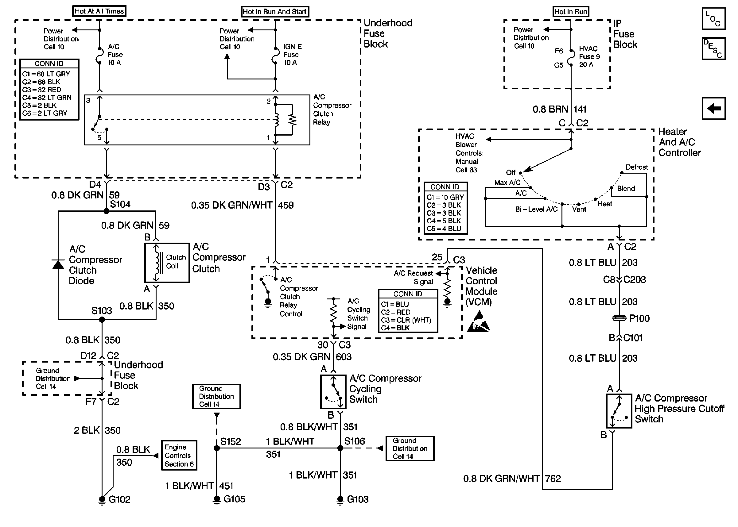
HVAC Compressor Controls Circuit Description
Cell 64 (2.2L)
HVAC Connector End Views
Cell 63
VCM Connector End Views
Handling ESD Sensitive Parts Notice
Cell 14: Underhood Grounds
Cell 21: A/C Compressor Control
Cell 14: G103 and G105 (4.3L)
Cell 14: G103 and G105 (4.3L)