GM Service Manual Online
For 1990-2009 cars only
Makes
🢒
Chevrolet
🢒
1999
🢒
S10 Pickup - 2WD
🢒 Cell 64 (2.2L)
Cell 64 (2.2L)
Cell 64 (2.2L)
HVAC Components
Cigar Lighter/Auxiliary Outlet Circuit Description
Cell 10: ATC, HVAC and A/C Fuses
Power and Grounding Connector End Views
Cell 10: IGN E, RDO IGN Fuses and Power Window Circuit Breaker
Cell 10: HVAC and CRUISE Fuses
HVAC Components
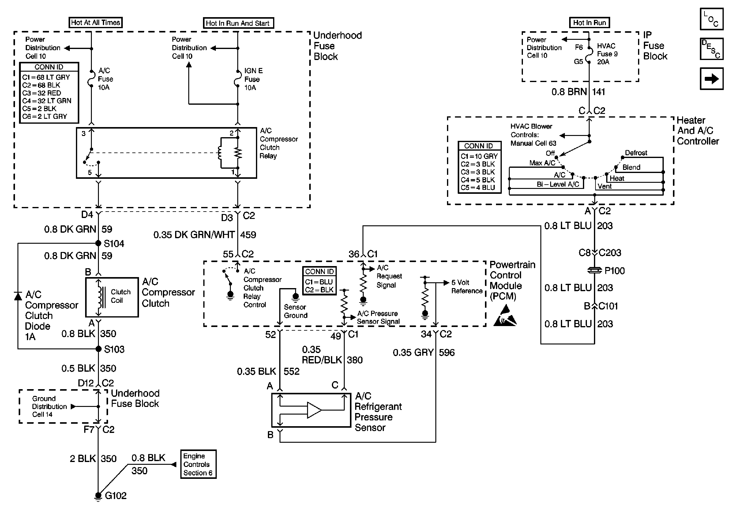
HVAC Compressor Controls Circuit Description
Cell 64 (4.3L)
HVAC Connector End Views
Cell 63
Cell 14: Underhood Grounds
Cell 20: A/C Compressor Controls
Powertrain Control Module Connector End Views
Handling ESD Sensitive Parts Notice