GM Service Manual Online
For 1990-2009 cars only
Makes
🢒
Chevrolet
🢒
1999
🢒
S10 Pickup - 2WD
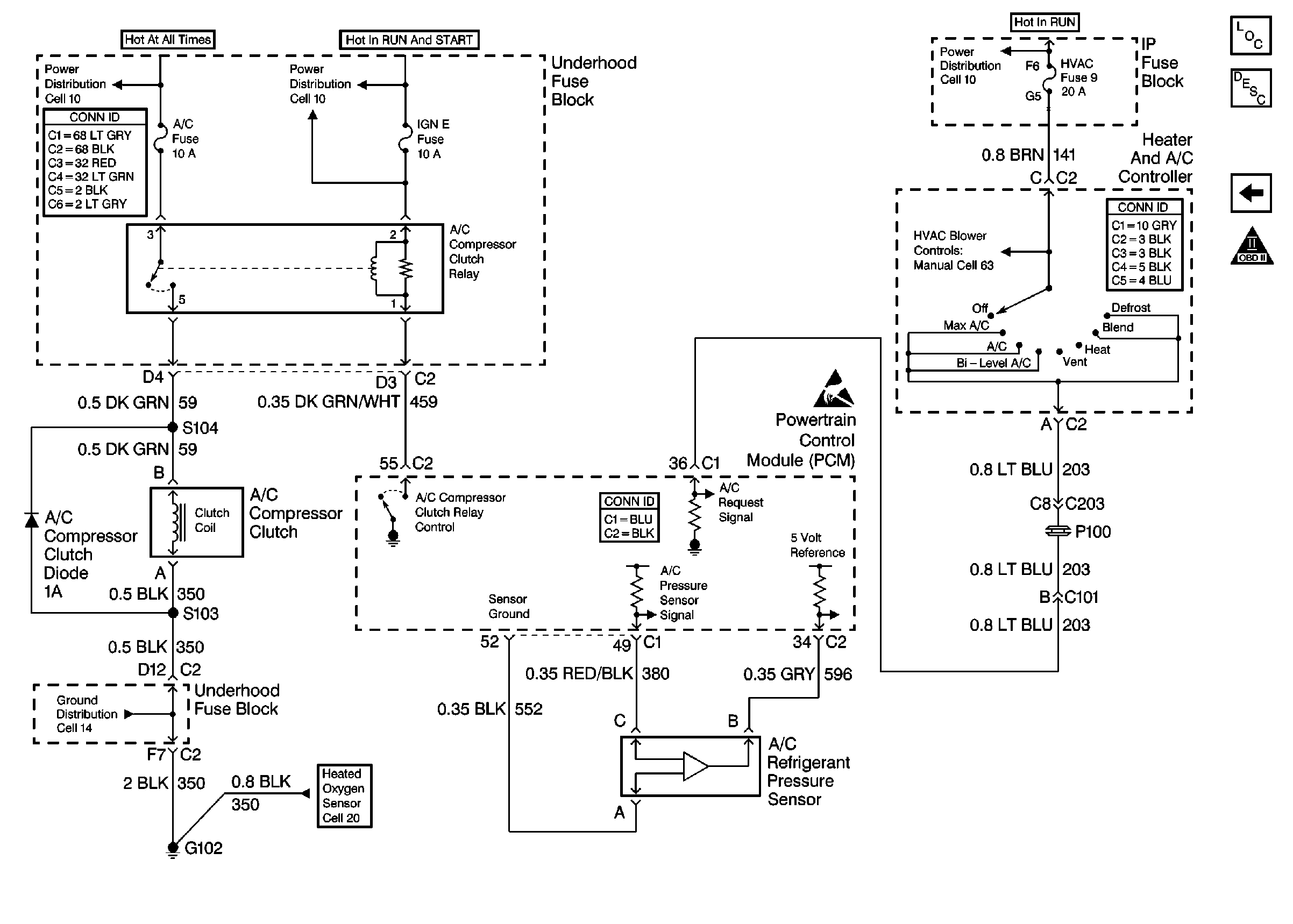
🢒 Cell 20: A/C Compressor Controls
Cell 20: A/C Compressor Controls
Cell 20: A/C Compressor Controls
Cell 10: ATC, HVAC and A/C Fuses
Power and Grounding Connector End Views
Cell 10: IGN C, IGN A Fuses and Ignition Switch
Cell 14: Underhood Grounds
Cell 20: Oxygen Sensors
Powertrain Control Module Connector End Views
Handling ESD Sensitive Parts Notice
Cell 10: HVAC and CRUISE Fuses
Engine Controls Components
Powertrain Control Module Description
Cell 20: Vehicle Speed Sensor Signal
OBD II Symbol Description Notice
HVAC Connector End Views
Cell 63