GM Service Manual Online
For 1990-2009 cars only
Makes
🢒
Chevrolet
🢒
2000
🢒
S10 Pickup - 2WD
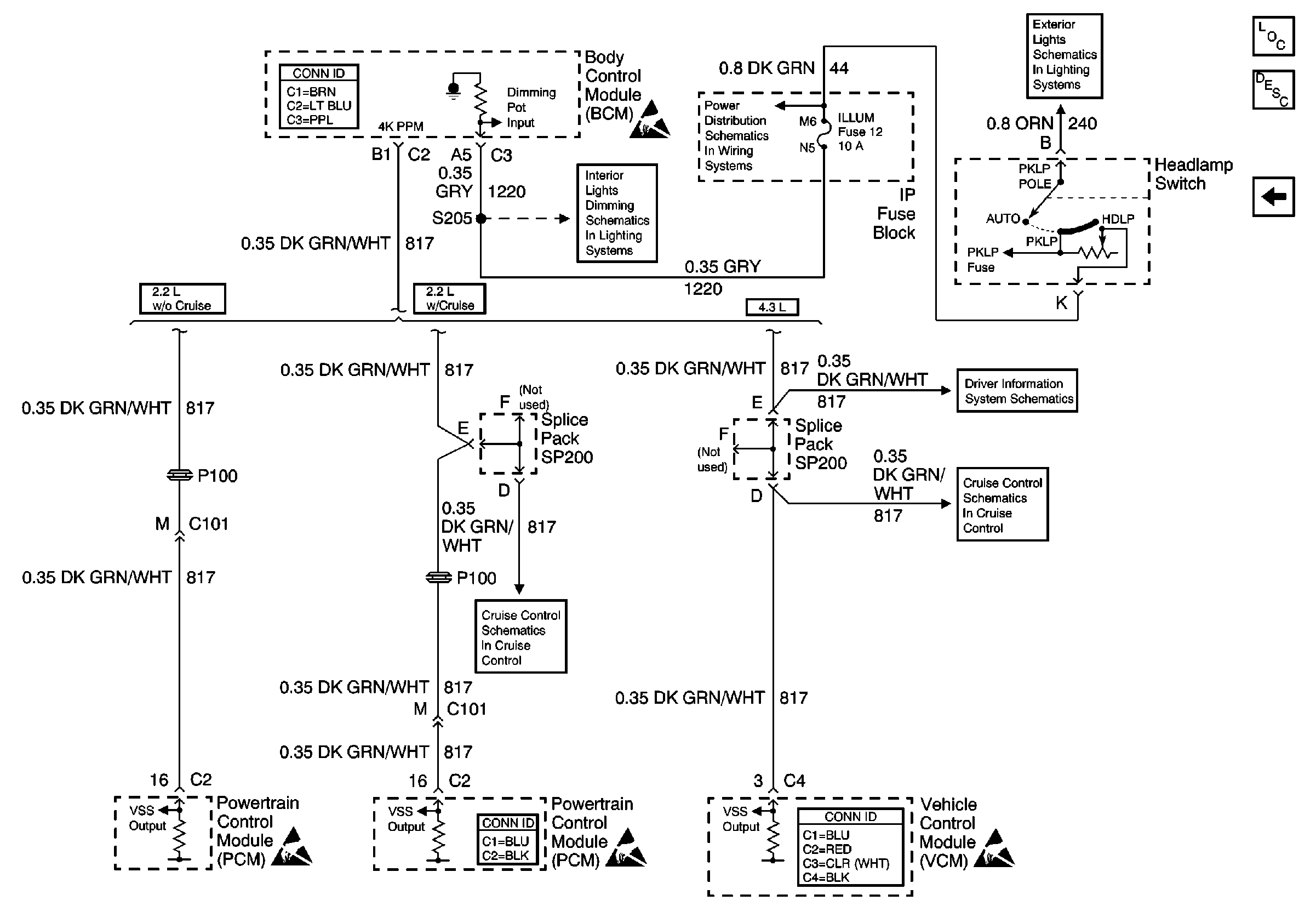
🢒 BCM, PCM/VCM and Headlamp Switch
BCM, PCM/VCM and Headlamp Switch
BCM, PCM/VCM and Headlamp Switch
Audible Warnings Components
Audible Warnings Circuit Description
Turn Signals
Body Control System Connector End Views
Handling ESD Sensitive Parts Notice
ILLUM Fuse 12
ILLUM and PARK LP Fuses
Park and License Lamps, Rear (Utility)
w/o Trip Computer
Cruise Control Module and PCM/VCM
Cruise Control Module and PCM/VCM
Handling ESD Sensitive Parts Notice
Handling ESD Sensitive Parts Notice
Powertrain Control Module Connector End Views
VCM Connector End Views
Handling ESD Sensitive Parts Notice