GM Service Manual Online
For 1990-2009 cars only
Makes
🢒
Chevrolet
🢒
2005
🢒
SSR
🢒 Backup Lamps
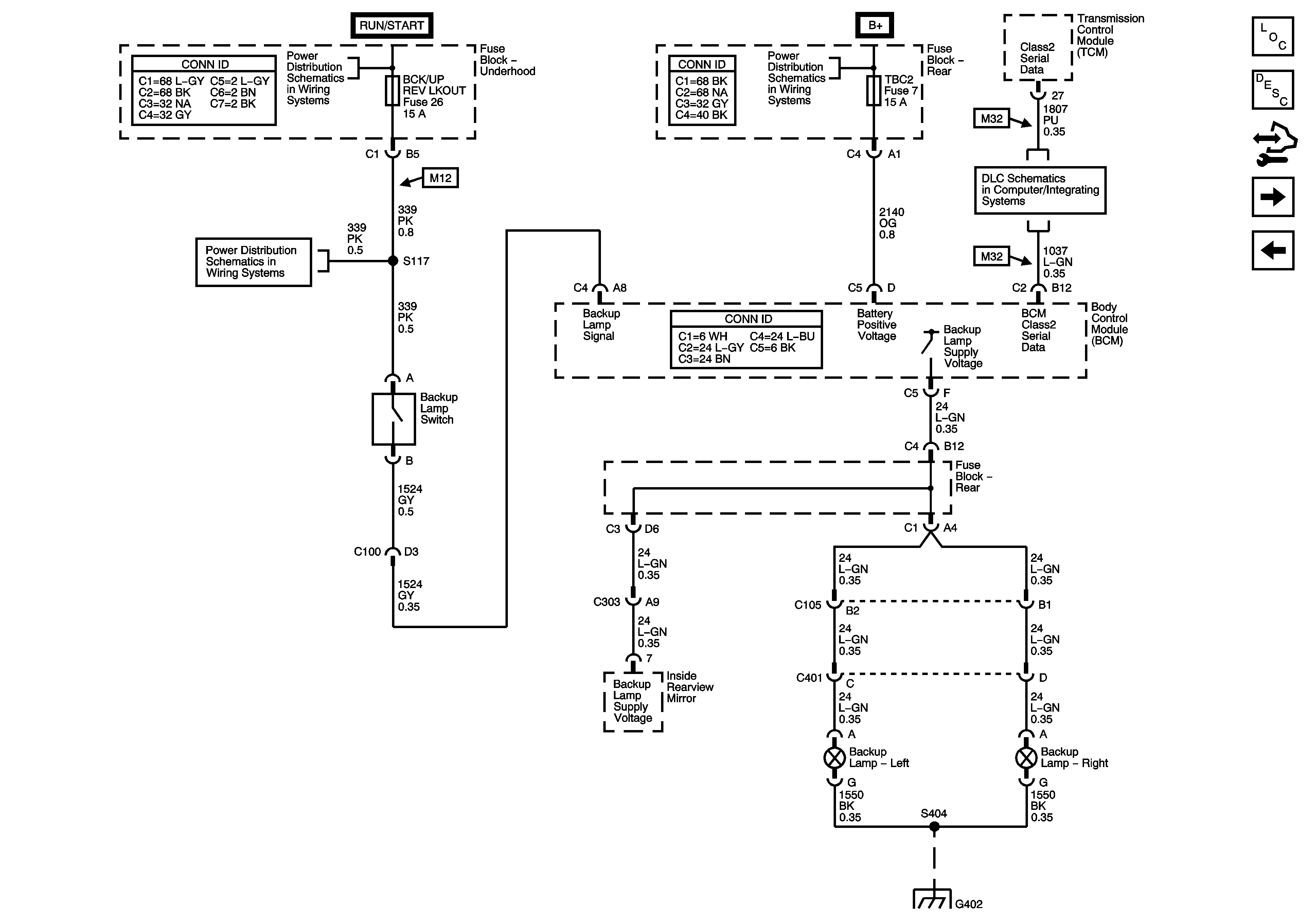
Backup Lamps
Backup Lamps
Master Electrical Component List
Exterior Lighting Systems Description and Operation
Control Module References
Trailer Tow
Stop Lamps
Ignition Switch - ACCY/RUN and RUN/START Bus Bar and IGN B Fuse
B+ Bus - Rear Fuse Block
BCK/UP REV LK OUT, BTSI, and IGN E Fuses
Data Link Connector Schematics
G400, G401, G402, G404, G405