GM Service Manual Online
For 1990-2009 cars only
Makes
🢒
Chevrolet
🢒
1998
🢒
Tracker - 2WD
🢒
Brakes
🢒
Antilock Brake System
🢒 Instrument Cluster: Analog Schematics
Figure
1:
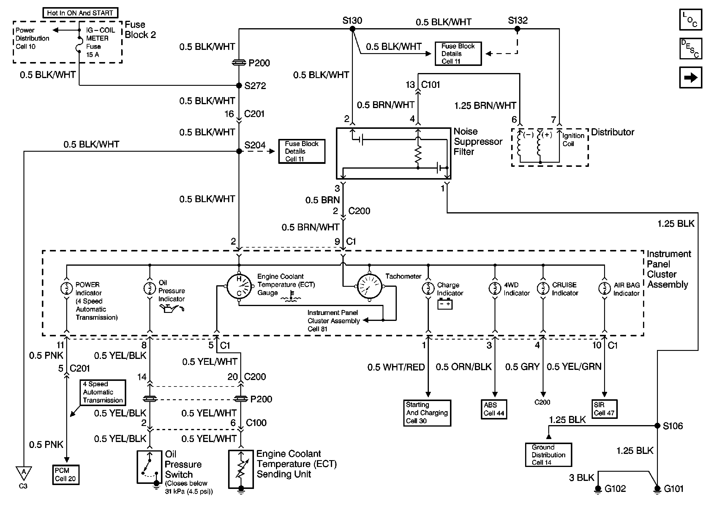
IP with Gauges Schematics -- Fuse Block 2
Power Distribution Schematics
Fuse Block Schematics
Fuse Block Schematics
Ground Distribution Schematics
Instrument Cluster: Analog Schematics
Instrument Cluster Components
Instrument Cluster Circuit Description
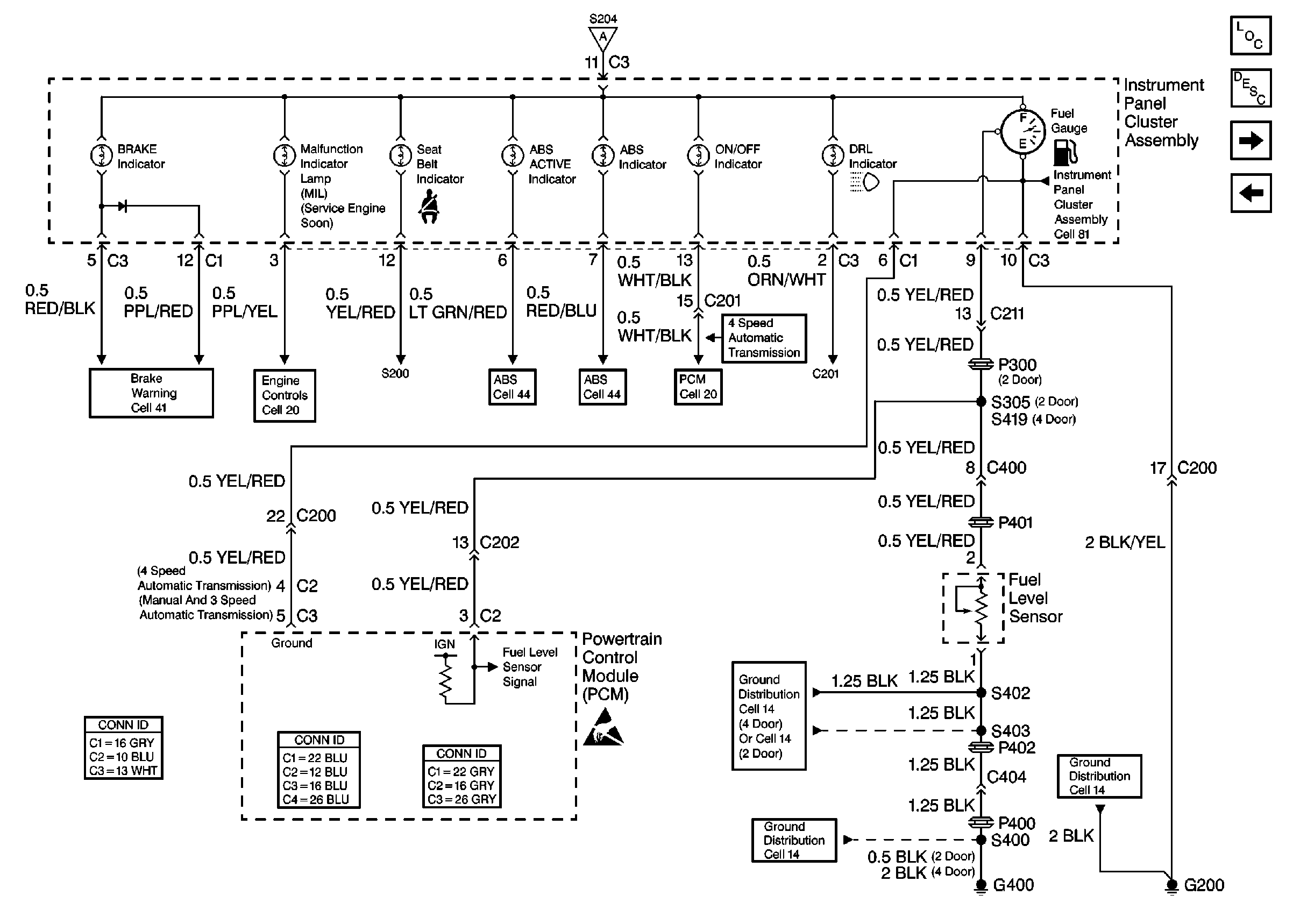
IP with Gauges Schematics - Fuel Level Sensor
Engine Controls Schematics
Starting and Charging Schematics
Antilock Brake System Schematics
SIR Schematics
Figure
2:
IP with Gauges Schematics -- Fuel Level Sensor
Instrument Cluster Components
Instrument Cluster Circuit Description
IP with Gauges Schematics - IP Cluster Assembly
IP with Gauges Schematics - Fuse Block 2
Instrument Cluster: Analog Schematics
Handling ESD Sensitive Parts Notice
Ground Distribution Schematics
Ground Distribution Schematics
Ground Distribution Schematics
Brake Warning System Schematics
Engine Controls Schematics
Antilock Brake System Schematics
Antilock Brake System Schematics
Engine Controls Schematics
Figure
3:
IP with Gauges Schematics -- IP Cluster Assembly
Ground Distribution Schematics
Ground Distribution Schematics
Instrument Cluster Components
Instrument Cluster Circuit Description
Exterior Lights Schematics
Headlights/Daytime Running Lights (DRL) Schematics
IP with Gauges Schematics - Fuel Level Sensor
Headlights/Daytime Running Lights (DRL) Schematics
Ground Distribution Schematics