GM Service Manual Online
For 1990-2009 cars only
Makes
🢒
Chevrolet
🢒
2000
🢒
Venture
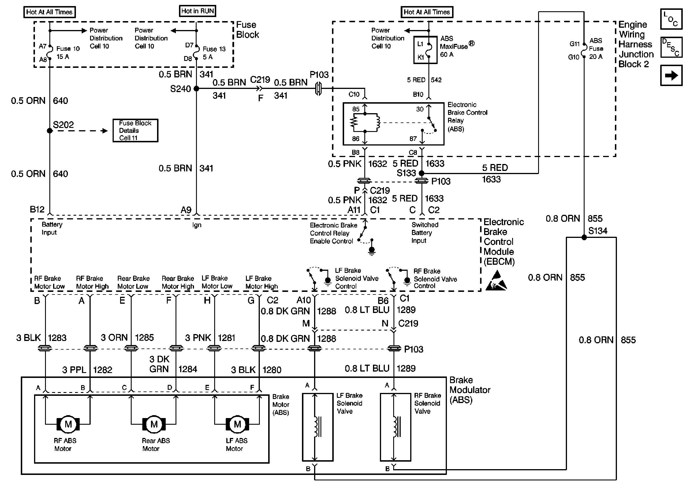
🢒 Cell 44: Power, EBCM, Brake Modulator
Cell 44: Power, EBCM, Brake Modulator
Cell 44: Power, EBCM, Brake Modulator
Cell 10: Generator, Starter, Fusible Links, MaxiFuse® 1, 2 and4
Cell 10: Fuses 4, 7, 11, 13, 20, 22, 29, 38, and Circuit Breaker C
Cell 11: IP Electronics Battery (10), and Power Accessory No.1 (19)Fuses
Cell 10: Battery, Fusible Links (SEO), MaxiFuses®: ABS, HD LPS, IGN SW 1, and Fuses: ABS, FAN 3, HORN, PARK LPS
ABS Components
ABS Description
Cell 44: Power, EBCM, Instrument Cluster
Handling ESD Sensitive Parts Notice