GM Service Manual Online
For 1990-2009 cars only
Makes
🢒
Chevrolet
🢒
1998
🢒
Venture Ext.
🢒
HVAC
🢒
HVAC Systems - Manual
🢒 HVAC Blower Control Schematics
Figure
1:
HVAC Blower Motor Resistor, Blower Controls
Power Distribution Schematics
Handling ESD Sensitive Parts Notice
HVAC Components
HVAC Blower Controls Circuit Description
HVAC Auxiliary Blower Motor, Blower Controls
HVAC Compressor Control Schematics
Ground Distribution Schematics
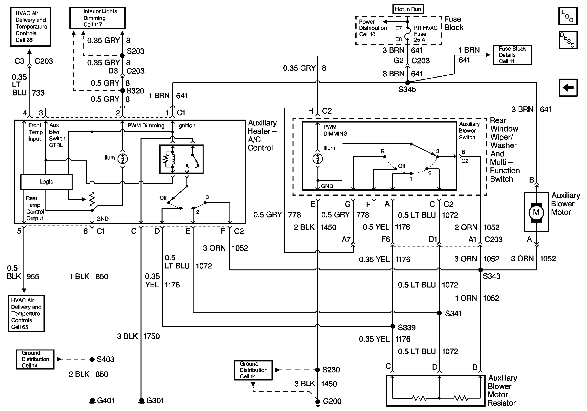
Figure
2:
HVAC Auxiliary Blower Motor, Blower Controls
HVAC Air Delivery/Temperature Control Schematics
Interior Lights Dimming Schematics
Power Distribution Schematics
Fuse Block Schematics
HVAC Components
HVAC Blower Controls Circuit Description
HVAC Blower Motor Resistor, Blower Controls
HVAC Air Delivery/Temperature Control Schematics
Ground Distribution Schematics
Ground Distribution Schematics