GM Service Manual Online
For 1990-2009 cars only
Makes
🢒
Chevrolet
🢒
2001
🢒
Venture Ext.
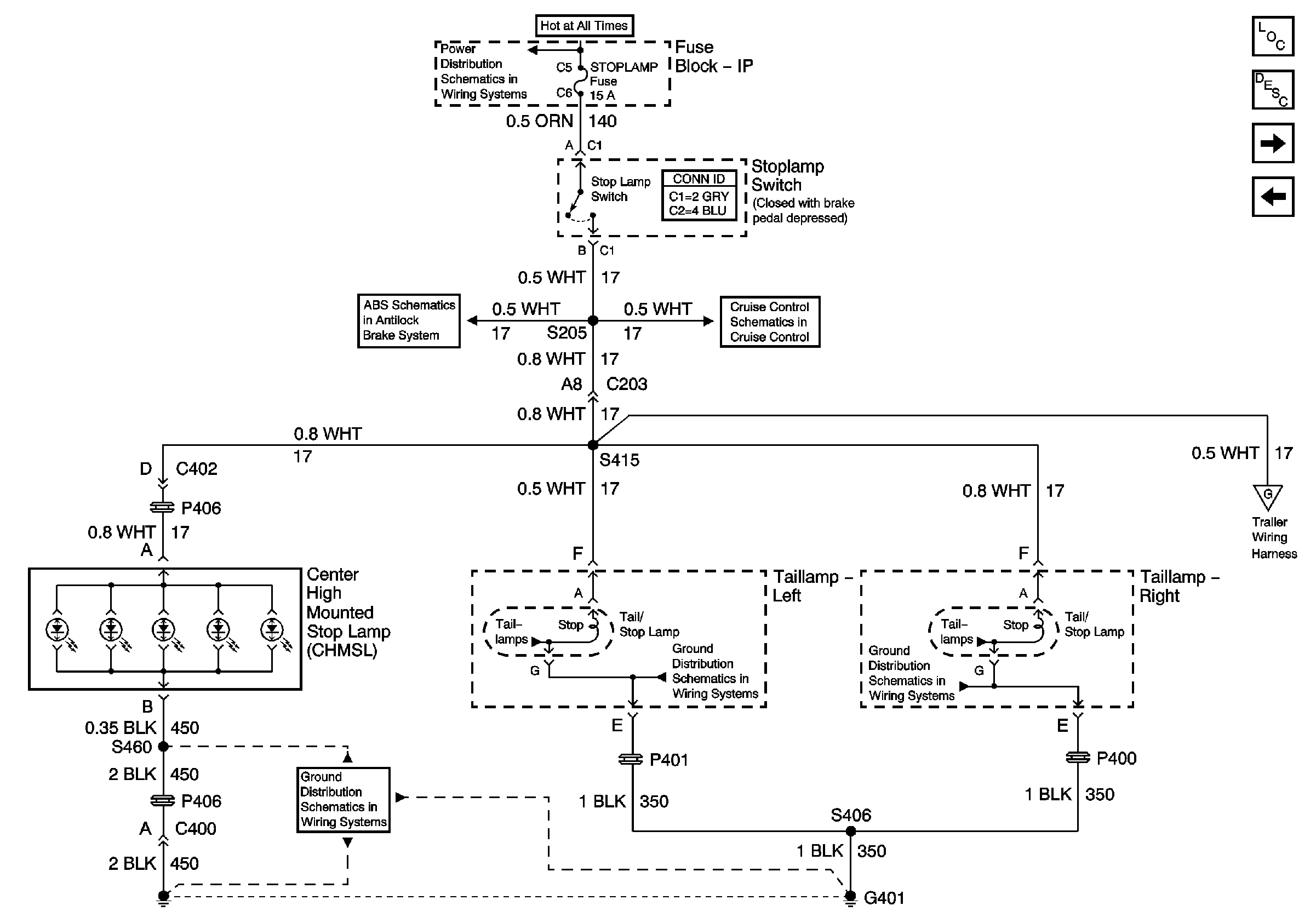
🢒 Export Stoplamps and CHMSL
Export Stoplamps and CHMSL
Export Stoplamps and CHMSL
Junction Block - Underhood, STOPLAMP, HAZARD, PASSKEY, FRT HVAC HI BLWR and HEADLAMP Circuit Breakers
EBCM, PCM and Stoplamp Switch
Cruise Control
Export Trailer Wiring, Power and Ground
G401
Master Electrical Component List
Exterior Lighting Systems Description and Operation
Export Trailer Wiring, Power and Ground
Export Taillamps