GM Service Manual Online
For 1990-2009 cars only
Makes
🢒
Chevrolet
🢒
2002
🢒
Venture Ext.
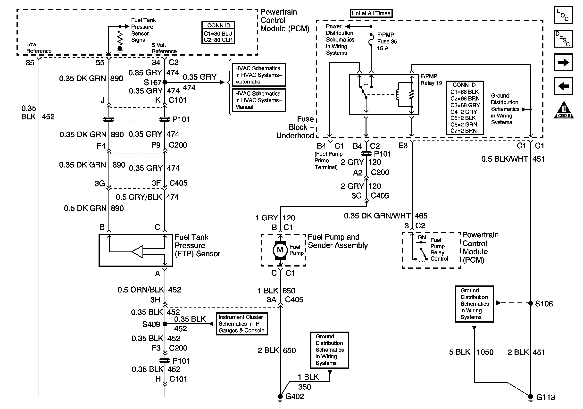
🢒 Fuel Pump and FTP Sensor
Fuel Pump and FTP Sensor
Fuel Pump and FTP Sensor
Master Electrical Component List
Fuel System Description
IAC Control
Engine Data Sensors
OBD II Symbol Description Notice
Compressor Controls
Compressor Controls
Power Bussing for Fuse Block Underhood Page 1 of 2
G100,G111 and G113
Gauges
G402, Page 1 of 2
G100,G111 and G113