GM Service Manual Online
For 1990-2009 cars only
Makes
🢒
Chevrolet
🢒
2007
🢒
Vivant
🢒
HVAC
🢒
HVAC - Manual
🢒 HVAC Schematics
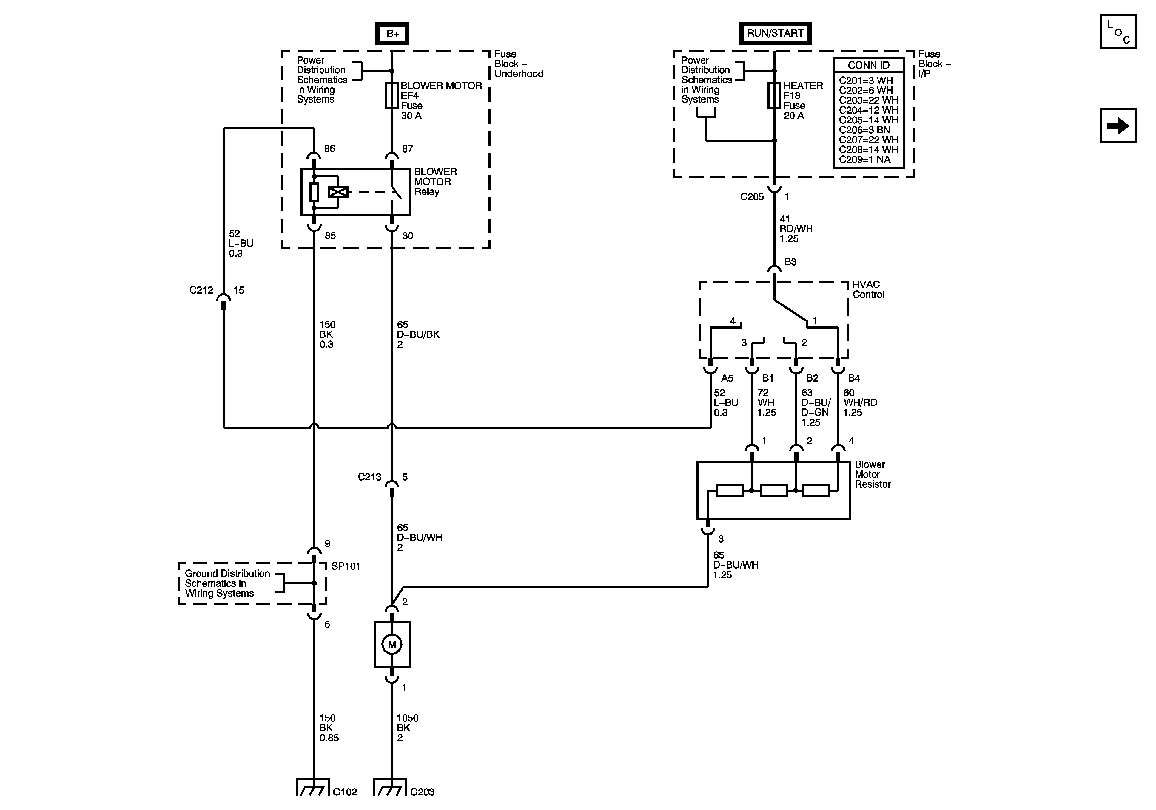
Figure
1:
Blower Controls
Master Electrical Component List
Compressor Controls (Sirius D4)
Underhood Fuse Block-Battery Feeds
Cluster, Air Bag, Turn Signal and Cruise Fuses (LHD)
Engine Main and Fuel Pump Fuses (MR-140)
G102, G101, G106
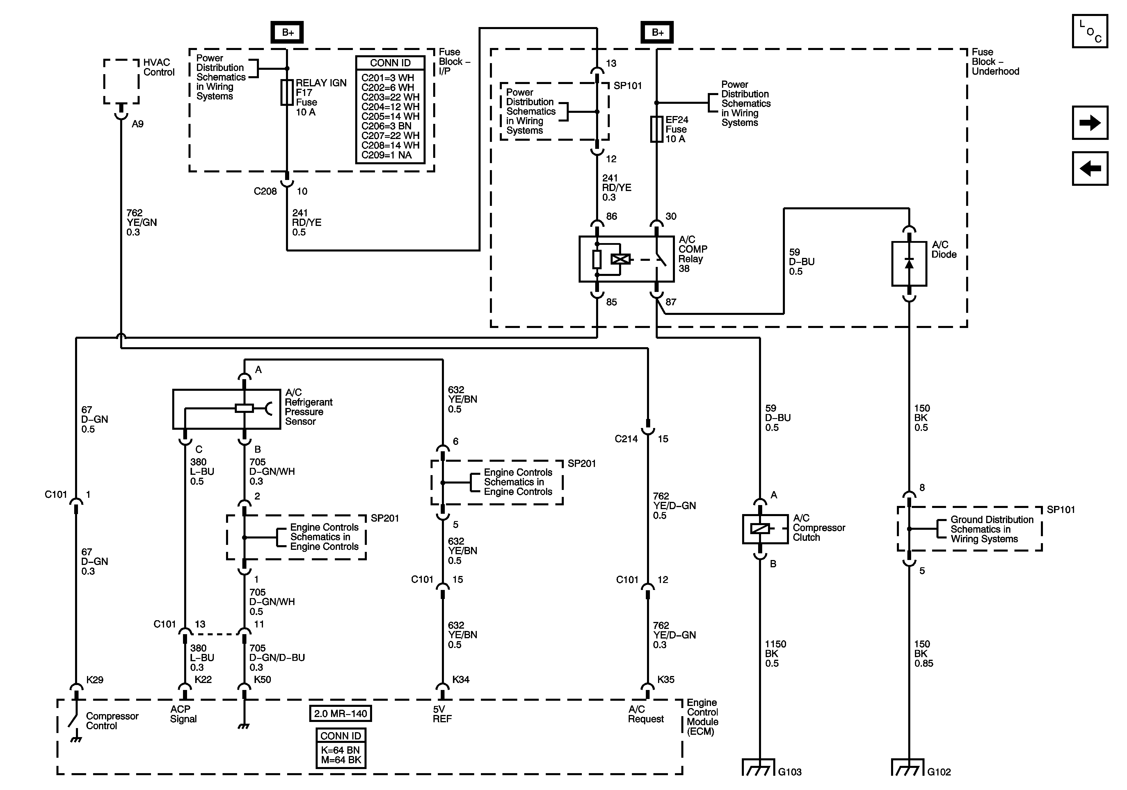
Figure
2:
Compressor Controls (Sirius D4)
Master Electrical Component List
Compressor Controls (MR-140)
Blower Controls
Underhood Fuse Block-Battery Feeds
Electrical Mirror and Heater Fuses (RHD)
Underhood Fuse Block-Battery Feeds
Engine Data Sensors-Pressure and Temperature
Engine Data Sensors-Oxygen Sensors (O2S)
G102, G101, G106
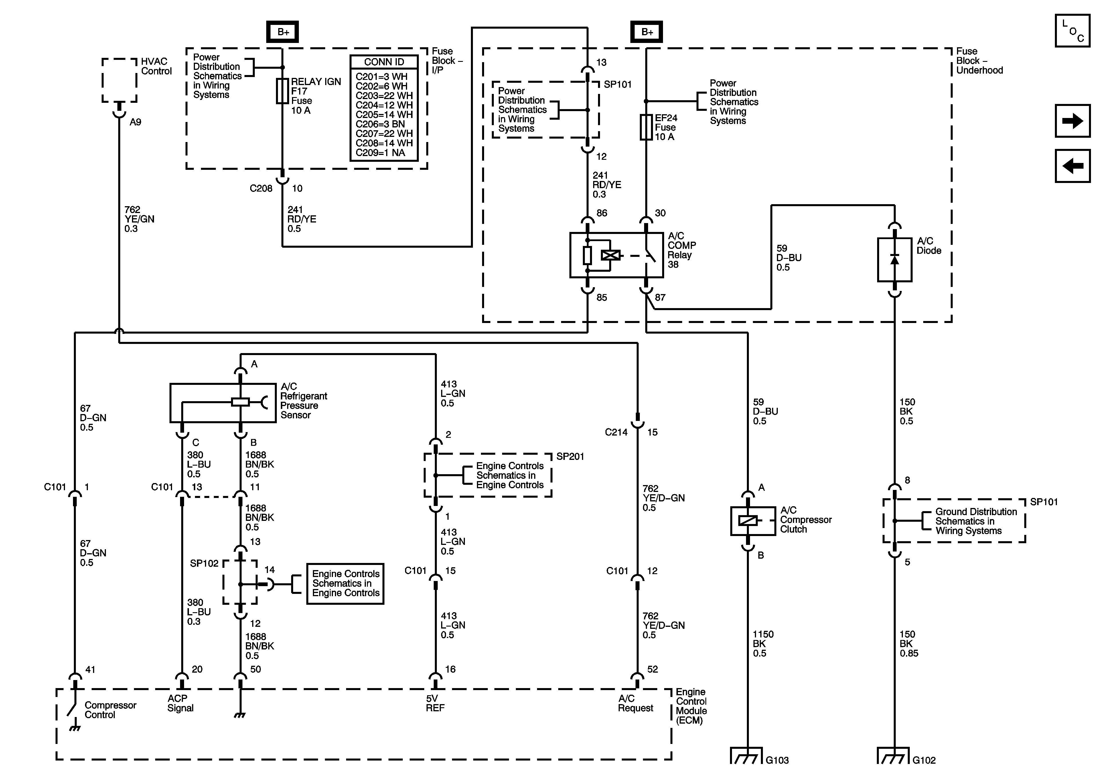
Figure
3:
Compressor Controls (MR-140)
Master Electrical Component List
Compressor Controls (ITMS-6F)
Compressor Controls (Sirius D4)
Underhood Fuse Block-Battery Feeds
Electrical Mirror and Heater Fuses (RHD)
Underhood Fuse Block-Battery Feeds
Engine Data Sensors
Cluster Air Bad, Turn Signal, Cruise Fuses (RHD)
G102, G101, G106
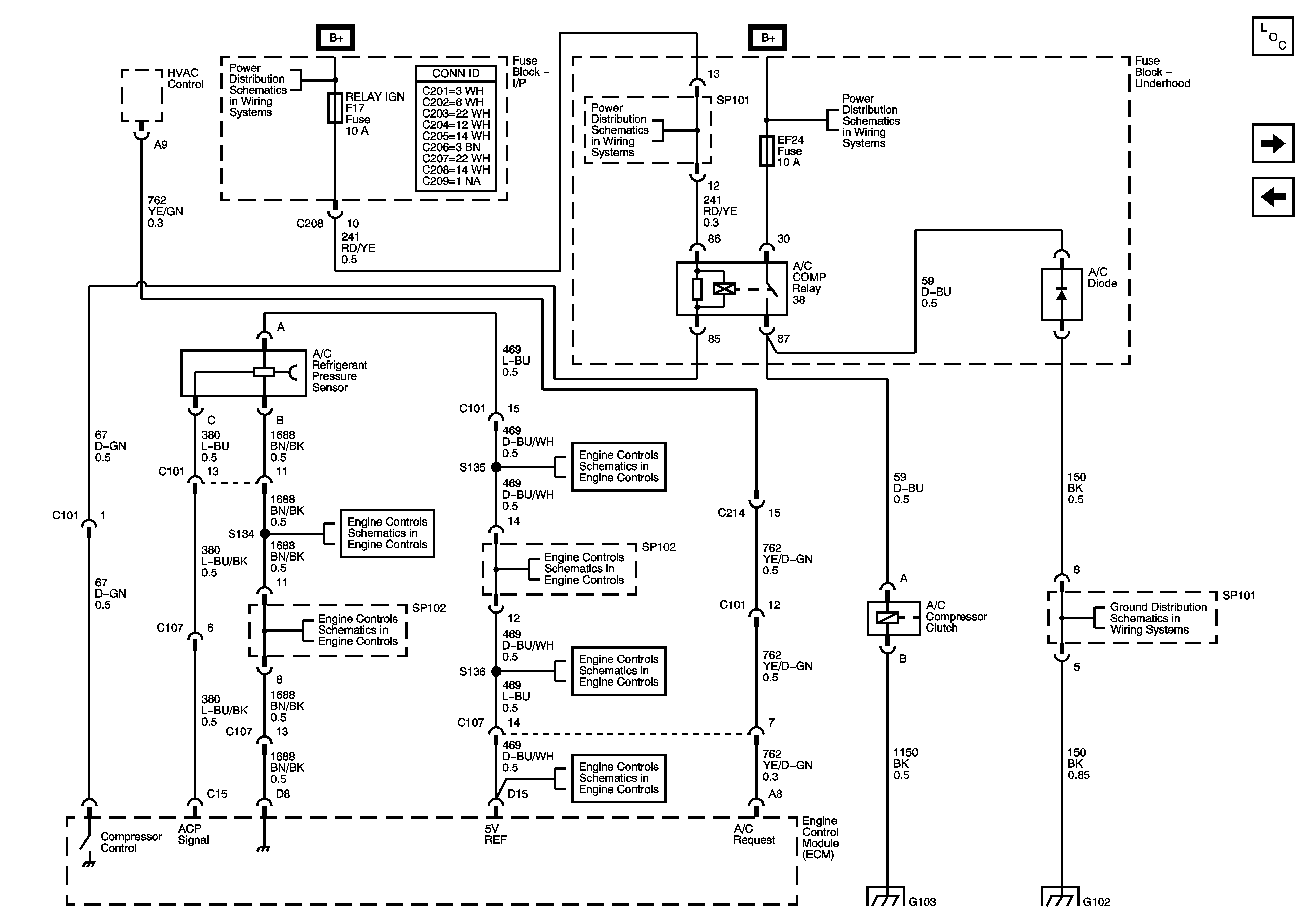
Figure
4:
Compressor Controls (ITMS-6F)
Master Electrical Component List
Temperature Controls/Air Delivery
Compressor Controls (MR-140)
Underhood Fuse Block-Battery Feeds
Electrical Mirror and Heater Fuses (RHD)
Underhood Fuse Block-Battery Feeds
Engine Data Sensors
Engine Data Sensors
Engine Data Sensors
Engine Data Sensors
Engine Data Sensors
Engine Data Sensors
G102, G101, G106
Figure
5:
Temperature Controls/Air Delivery
Master Electrical Component List
Compressor Controls (ITMS-6F)
Cluster, Air Bag, Turn Signal and Cruise Fuses (LHD)
IP Illumination (w/ Dimming (RHD))
G203
G203