GM Service Manual Online
For 1990-2009 cars only
Makes
🢒
Chevrolet
🢒
2007
🢒
Vivant
🢒
Safety and Security
🢒
Theft Deterrent
🢒 Theft Deterrent System Schematics
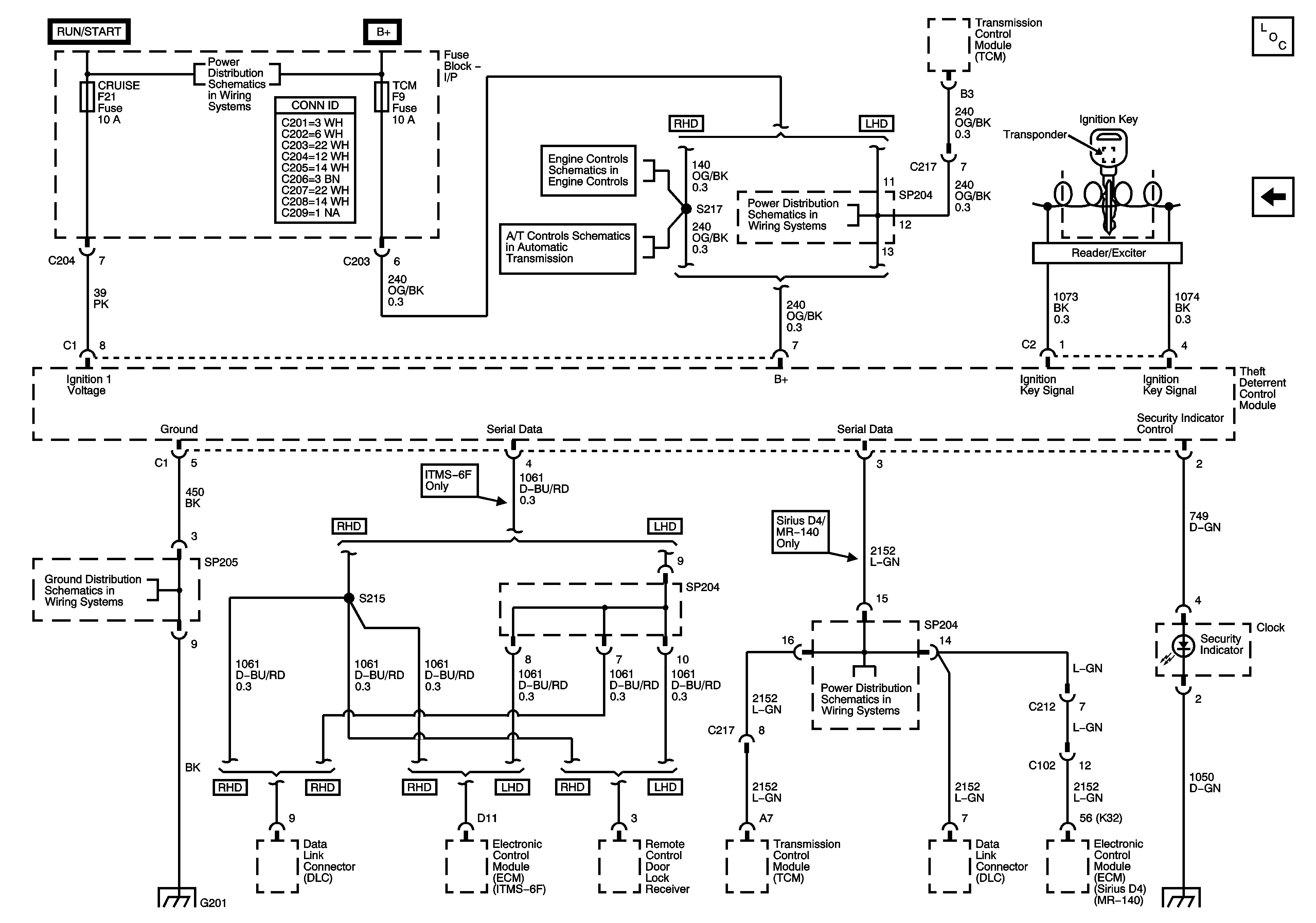
Figure
1:
Theft Deterrent (w/o RKE)
Master Electrical Component List
Theft Deterrent Systems Schematics
Underhood Fuse Block-Battery Feeds
Cluster-ITMS-6F Odmeter, Speedometer, Tachometer, Temperature, Fuel, Fuel Warning Lamp, Illumination Lamp
Underhood Fuse Block-Battery Feeds
Relay Ignition Fuse
LHD
G201, G202 (LHD)
G201, G202 (LHD)
G201, G202 (LHD)
G102, G101, G106
Park Lamps and Licence Plate Lamps (RHD)
Figure
2:
Theft Deterrent (w/ RKE)
Master Electrical Component List
Theft Deterrent Systems Schematics
Theft Deterrent Systems Schematics
Underhood Fuse Block-Battery Feeds
Underhood Fuse Block-Battery Feeds
Underhood Fuse Block-Battery Feeds
Relay Ignition Fuse
LHD
G201, G202 (LHD)
G201, G202 (LHD)
G102, G101, G106
Turn and Hazard Lamps (LHD)
Figure
3:
Theft Deterrent
Master Electrical Component List
Theft Deterrent Systems Schematics
Underhood Fuse Block-Battery Feeds
Power, Ground, Serial Data, MIL
Power, Ground, Hold Switch and DLC
Cluster, Air Bag, Turn Signal and Cruise Fuses (LHD)
G201, G202 (LHD)
Underhood Fuse Block-Battery Feeds