GM Service Manual Online
For 1990-2009 cars only
Makes
🢒
Chevrolet
🢒
2007
🢒
Vivant
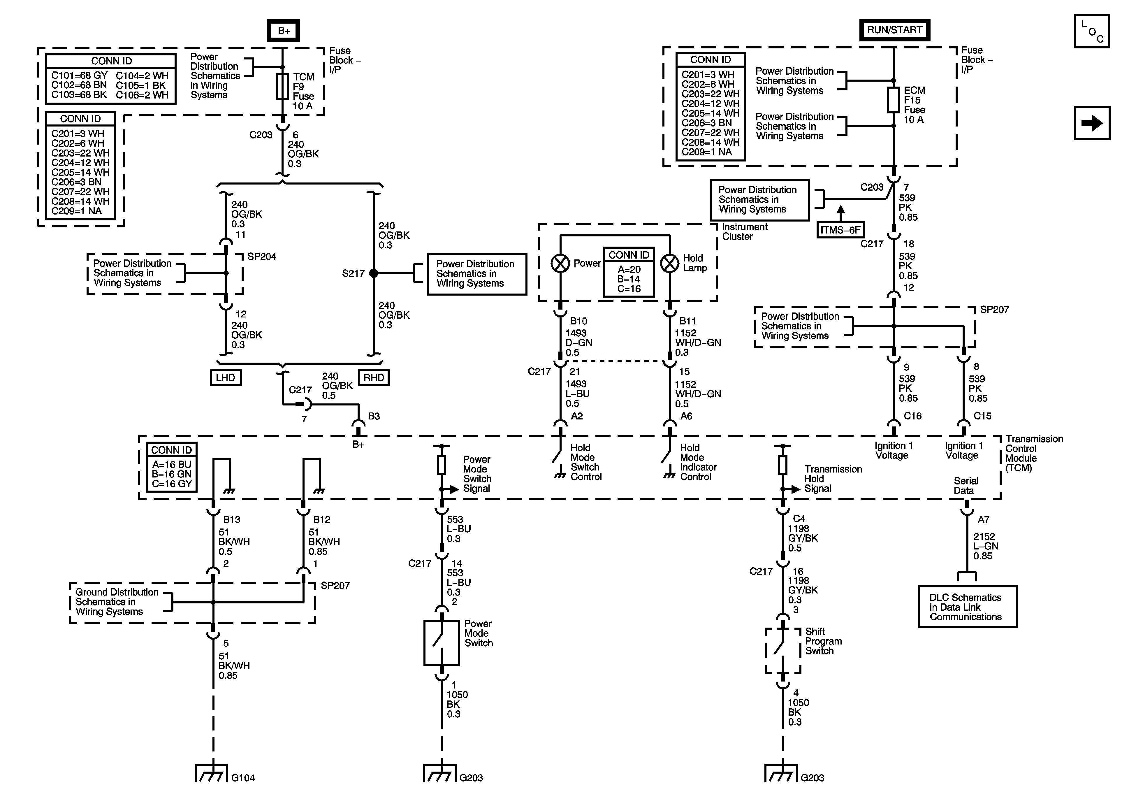
🢒 Power, Ground, Hold Switch and DLC
Power, Ground, Hold Switch and DLC
Power, Ground, Hold Switch and Data Link Connector (DLC)
Master Electrical Component List
TCM, ECM
Underhood Fuse Block-Battery Feeds
Electrical Mirror and Heater Fuses (RHD)
Fuel Pump, Radiator, Fan High, A/C Comp and Radiator Fan Low Fuses (Sirius D4)
AUDIO and CIGAR LIGHTER Fuses (LHD)
AUDIO and CIGAR LIGHTER Fuses (LHD)
ABS, ECM and Siren Fuses
ABS, ECM and Siren Fuses
G102, G101, G106
LHD