GM Service Manual Online
For 1990-2009 cars only
Makes
🢒
Generic
🢒
2003
🢒
Unit Repair
🢒 Power, Ground, Serial Data and DIC
Power, Ground, Serial Data and DIC
Power, Ground, Serial Data and DIC
Master Electrical Component List
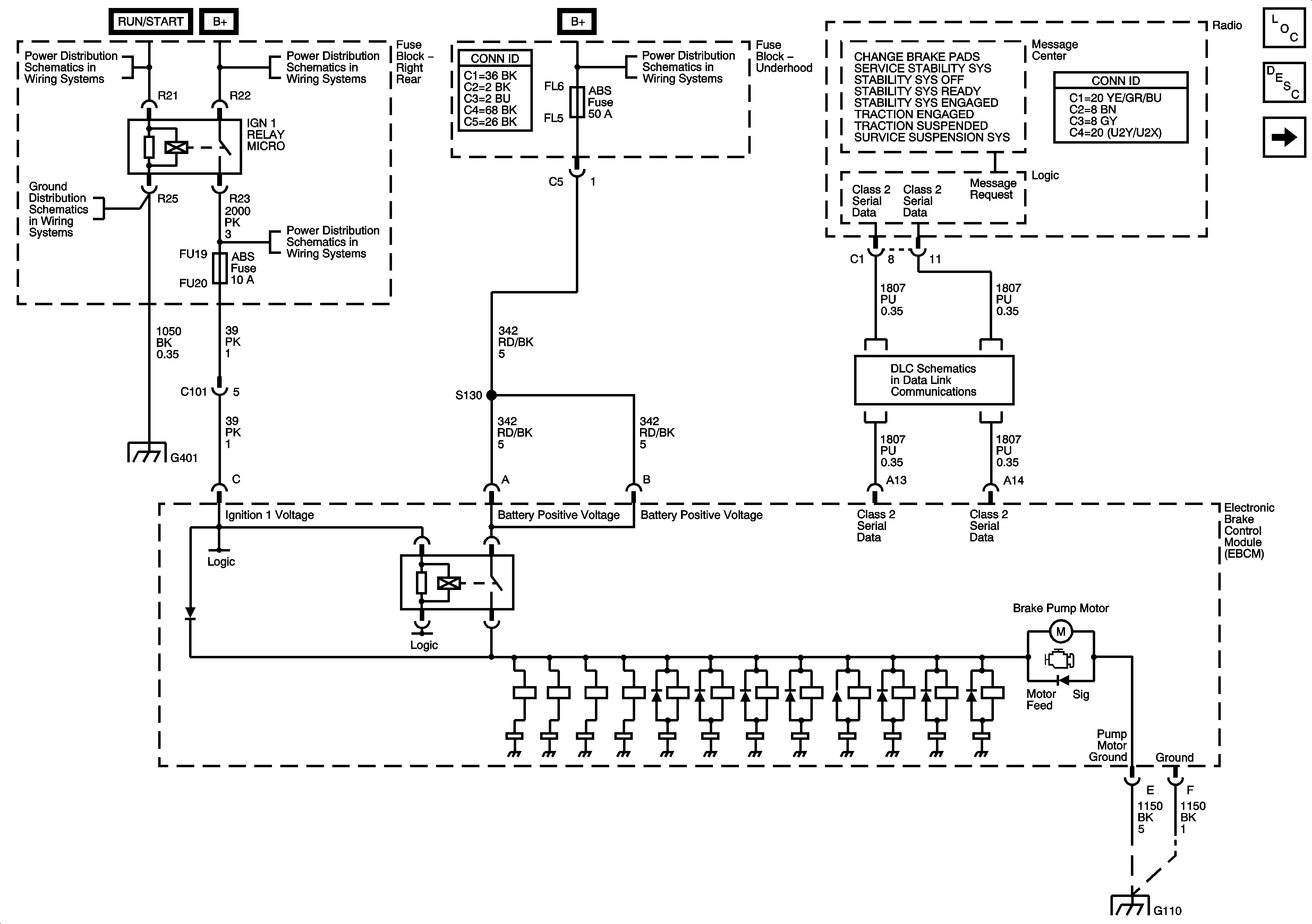
ABS Description and Operation
Vehicle Stability Enhancement System - JL4
Ignition Switch - 2 of 2
Right Rear Fuse Block IGN1 Relay, AIRBAG, RIM, ABS, PSGR DR MOD and TV/VICS Fuses
Underhood Fuse Block B+ Bus - 1 of 2
G401
Right Rear Fuse Block IGN1 Relay, AIRBAG, RIM, ABS, PSGR DR MOD and TV/VICS Fuses
G401
Class 2 Serial Data Bus - LHD - 1 of 2
G102, G105, G110, G303, G304 and G306