GM Service Manual Online
For 1990-2009 cars only
Makes
🢒
Generic
🢒
2003
🢒
Unit Repair
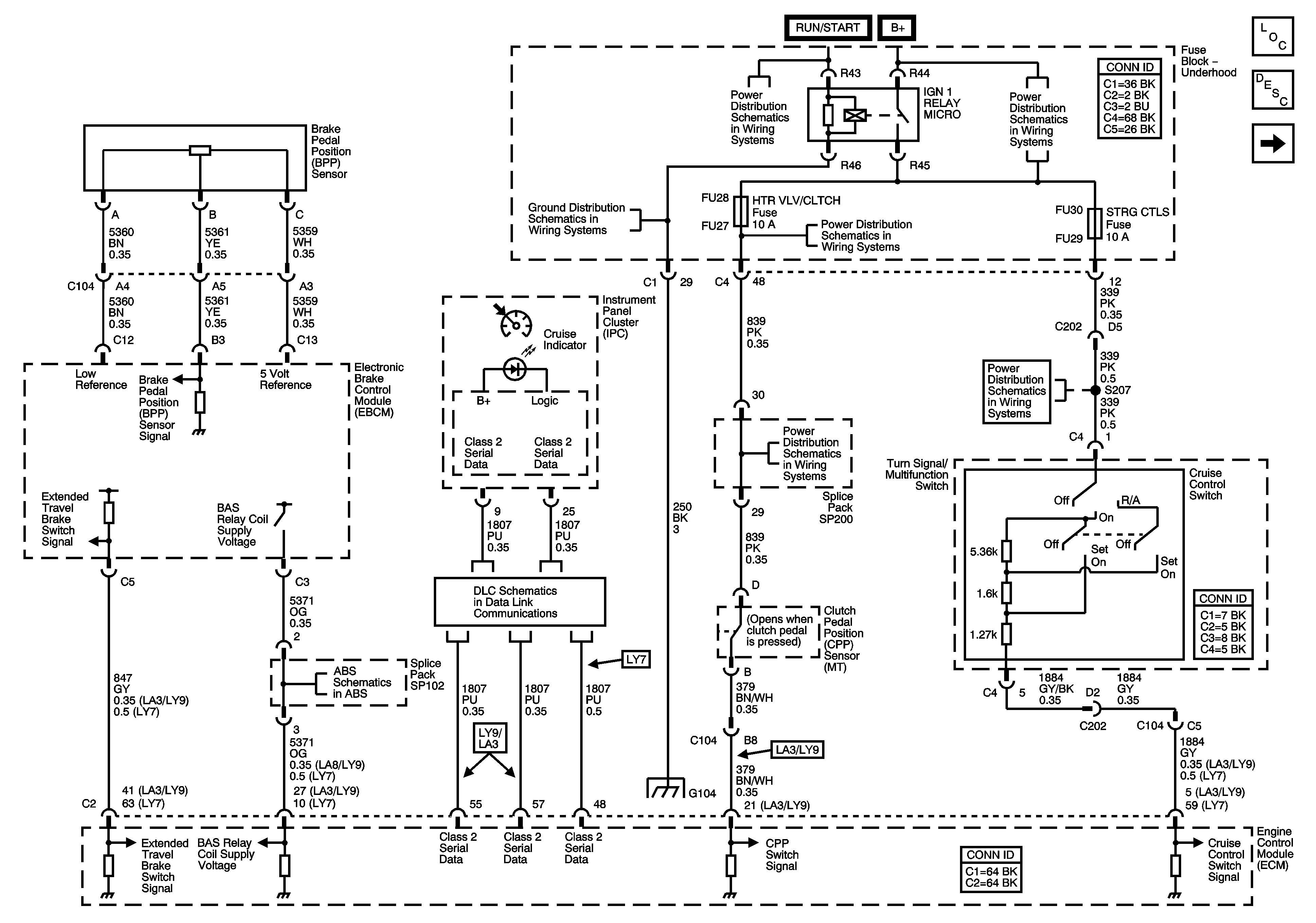
🢒 Cruise Control System - 2.6L/3.2L/3.6L (LY9/LA3/LY7)
Cruise Control System - 2.6L/3.2L/3.6L (LY9/LA3/LY7)
Cruise Control System - 2.6L/3.2L/3.6L (LY9/LA3/LY7)
Master Electrical Component List
Cruise Control Description and Operation 2.6L, 3.2L and 3.6L
Cruise Control System - 5.7L (LS6)
Ignition Switch - 2 of 2
Underhood Fuse Block B+ Bus - 2 of 2
G104 - 1 of 2
Underhood Fuse Block STARTER and IGN 1 Relays, HTR VLV/CLTCH and TCM/IPC Fuses
Underhood Fuse Block STARTER and IGN 1 Relays, HTR VLV/CLTCH and TCM/IPC Fuses
Underhood Fuse Block WASH NOZ, STRG CTLS and IGN MOD/MAF Fuses
BPP Sensor, Switches and Indicators - 2.6L/3.2L/3.6L (LY9/LA3/LY7)
Class 2 Serial Data Bus - LHD - 1 of 2
G104 - 1 of 2