GM Service Manual Online
For 1990-2009 cars only
Makes
🢒
Generic
🢒
2003
🢒
Unit Repair
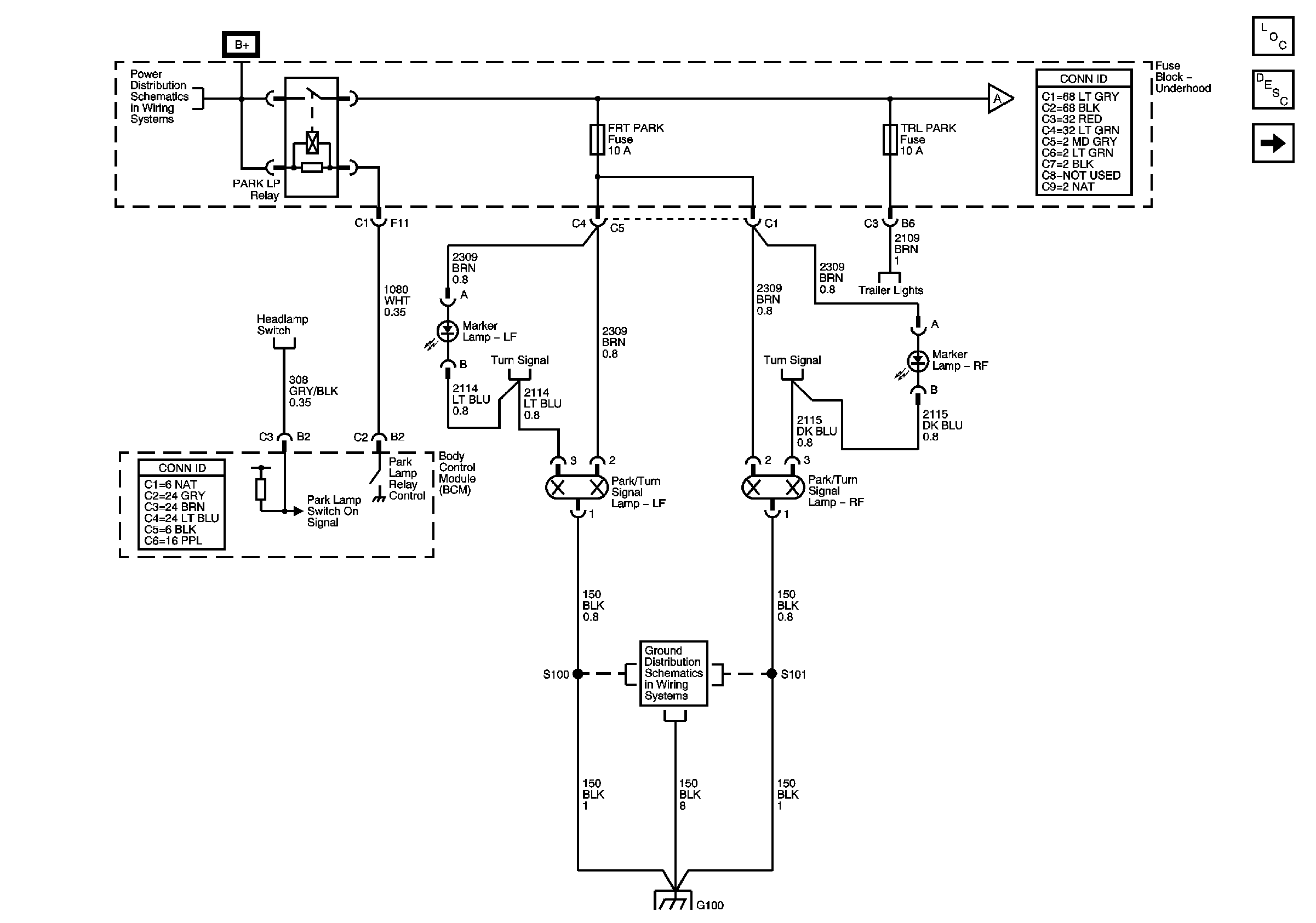
🢒 Park Lamp Relay, Front Park and Marker Lamps
Park Lamp Relay, Front Park and Marker Lamps
Park Lamp Relay, Front Park and Marker Lamps
Master Electrical Component List
Exterior Lighting Systems Description and Operation
Tail Lamps, Rear Marker, and License Lamps
B+ Bus
Headlamp Controls, Switches, Ambient Light Sensor
Marker Lamps, Front Turn Signal Lamps
Marker Lamps, Front Turn Signal Lamps
Trailer Lighting Provisions
Tail Lamps, Rear Marker, and License Lamps
G105 and G100