GM Service Manual Online
For 1990-2009 cars only
Makes
🢒
Generic
🢒
2003
🢒
Unit Repair
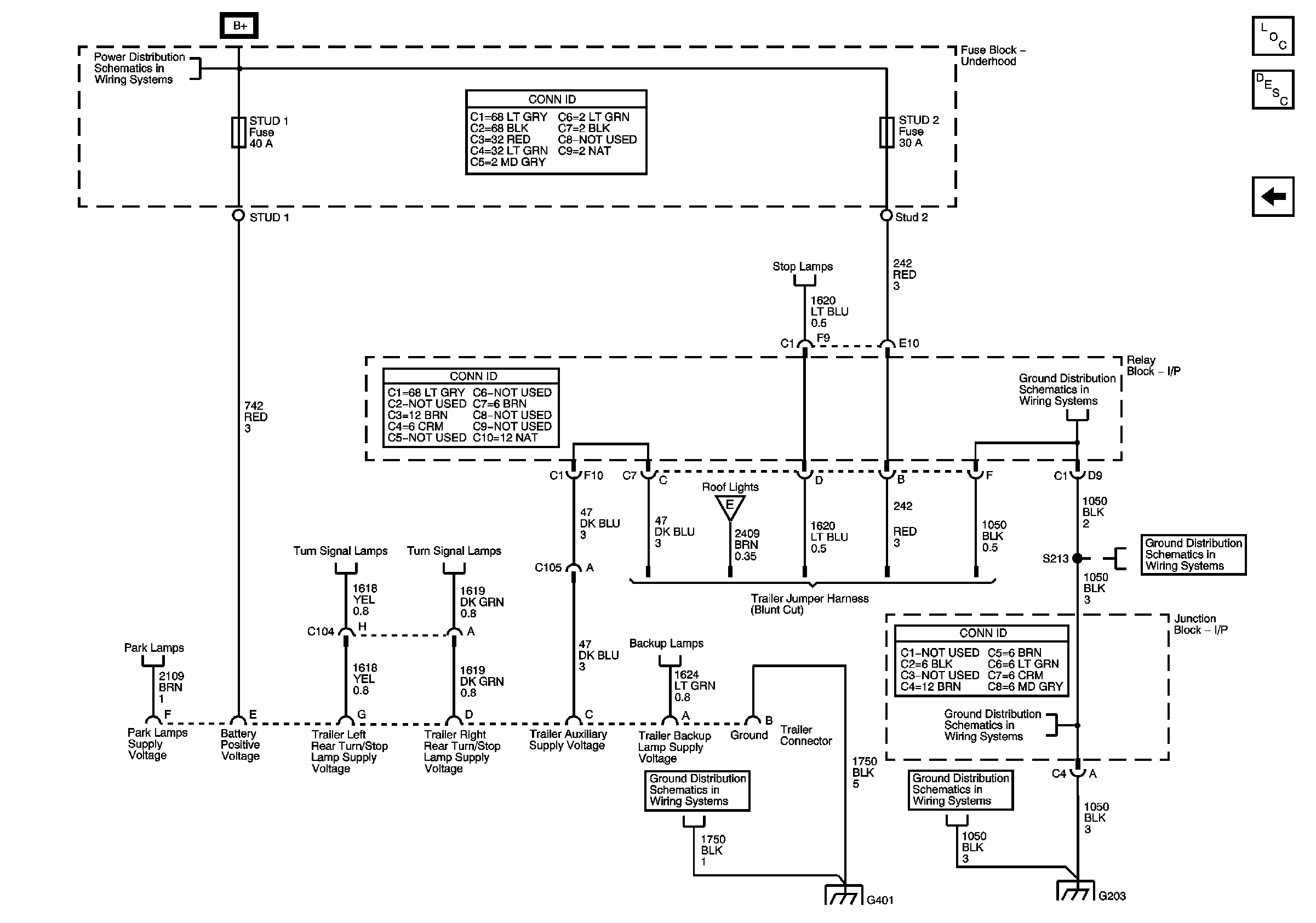
🢒 Trailer Lighting Provisions
Trailer Lighting Provisions
Trailer Lighting Provisions
Master Electrical Component List
Exterior Lighting Systems Description and Operation
Backup Lamps
STUD 1, STUD 2, VSES/ECAS, BLOWER, ABS, and MBEC 1 Fuses
Stop Lamps
CKT 1050, S213 and S301
CKT 1050, S213 and S301
CKT 1050, S203, S215, S302, S303, and S351
CKT 1050, S203, S215, S302, S303, and S351
G308, G310, G401, and G300
Roof Lamps
Backup Lamps
Turn Signal/Hazard Switch and Flasher Module
Turn Signal/Hazard Switch and Flasher Module
Park Lamp Relay, Front Park and Marker Lamps