GM Service Manual Online
For 1990-2009 cars only
Makes
🢒
Generic
🢒
2003
🢒
Unit Repair
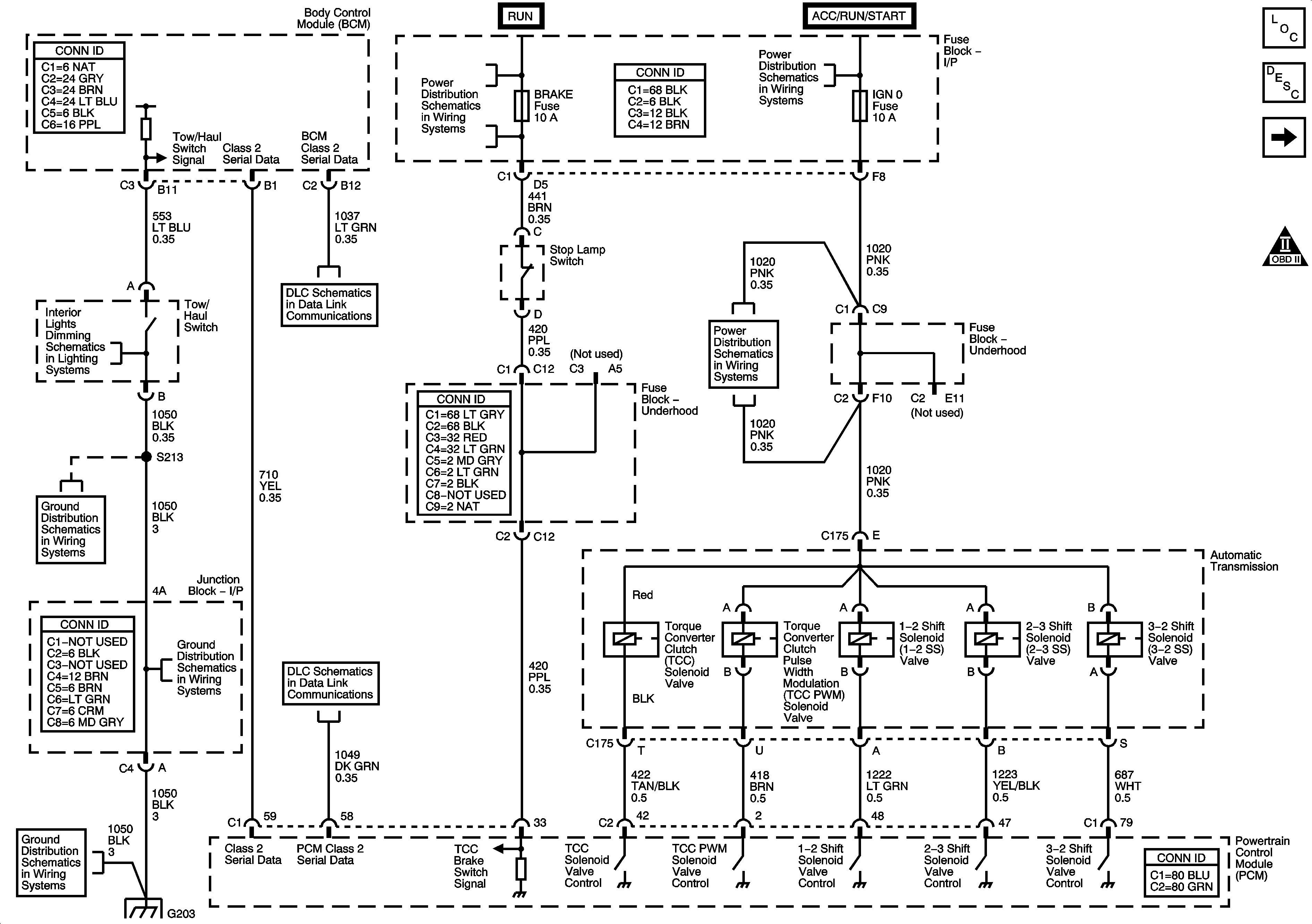
🢒 Power, BCM, PCM, Class 2, Stop Lamp Switch, Tow-Haul Switch, and Shift Solenoids
Power, BCM, PCM, Class 2, Stop Lamp Switch, Tow-Haul Switch, and Shift Solenoids
Power, BCM, PCM, Class 2, Stop Lamp Switch, Tow/Haul Switch, and Shift Solenoids
Master Electrical Component List
Electronic Component Description
Fluid Pressure Switch, TFT Sensor, PC Solenoid Valve, Transfer Case Control Module, and Vehicle Speed Sensor
OBD II Symbol Description Notice
Illumination - Rear Window, Garage Door Opener, Sunroof, HVAC Control, Headlamp, and Tow/Haul Switches
Power, Ground, DLC, and Splice Pack SP205
BRAKE, 4WD, CRUISE, HVAC I, and IGN 3 Fuses
WS WPR, SEO ACCY, RR WPR, and TBC ACCY Fuses
WS WPR, SEO ACCY, RR WPR, and TBC ACCY Fuses
Power, Ground, DLC, and Splice Pack SP205
CKT 1050, S203, S215, S302, S303, and S351
CKT 1050, S213 and S301
CKT 1050, S203, S215, S302, S303, and S351