GM Service Manual Online
For 1990-2009 cars only
Makes
🢒
Generic
🢒
2003
🢒
Unit Repair
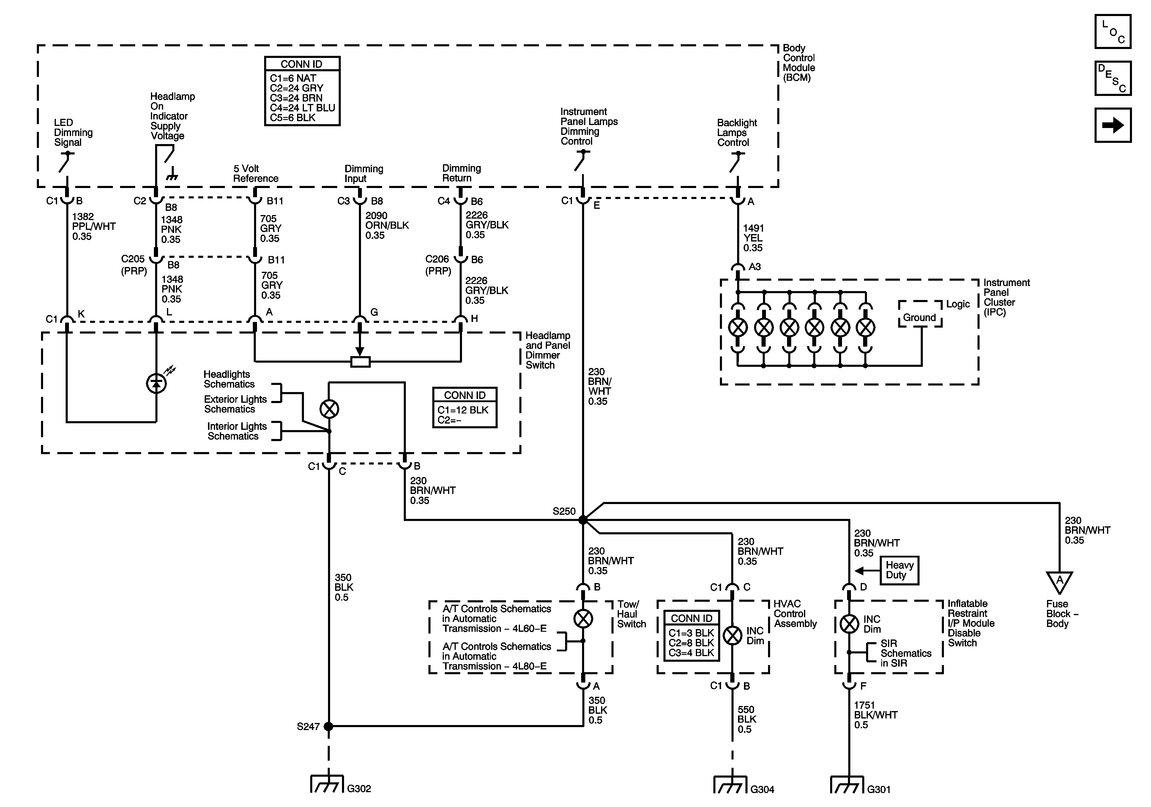
🢒 Controls and Backlighting - 1 of 3
Controls and Backlighting - 1 of 3
Controls and Backlighting - Page 1 of 3
Master Electrical Component List
Interior Lighting Systems Description and Operation
Controls and Backlighting - 2 of 3
Headlights
Headlamp and Panel Dimmer Switch, Park Lamp Relay, and FR PRK, LR PRK, RR PRK, TRLR PRK, UPFTR PRK Fuses
Driver, Passenger, and Cargo Mini Wedges
Temperature/Pressure/Range Switches, and VSS
Temperature/Pressure/Range Switches and VSS
Inflatable Restraint Steering Wheel Module
Controls and Backlighting - 2 of 3
G302
G303, and G304
G103, G104, G105, G106, G300, and G301