GM Service Manual Online
For 1990-2009 cars only
Figure 1:

Module Power, Ground, Serial Data, and MIL


Object Number: 1645549  Size: FS
Master Electrical Component List
Engine Control Module Description
Control Module References
5 Volt and Low Reference page 1 of 2
Engine Controls Schematic Icons
G101, G102, G103, G111, G112, and G113
Fuse Block - Underhood B+ Bus
Ignition Switch
Ignition Switch
Fuse Block - Underhood B+ Bus
Ignition Switch
Fuse Block - Underhood ABS, TRANS SOL, PCM, SIR, and DISPLAY Fuses, CRANK Relay, and Fuse Block - I/P CRUISE SW Fuse
Data Link Connector (DLC) Schematics LY7
LY7
G115 (LY7)
G101, G102, G103, G111, G112, and G113
Figure 2:

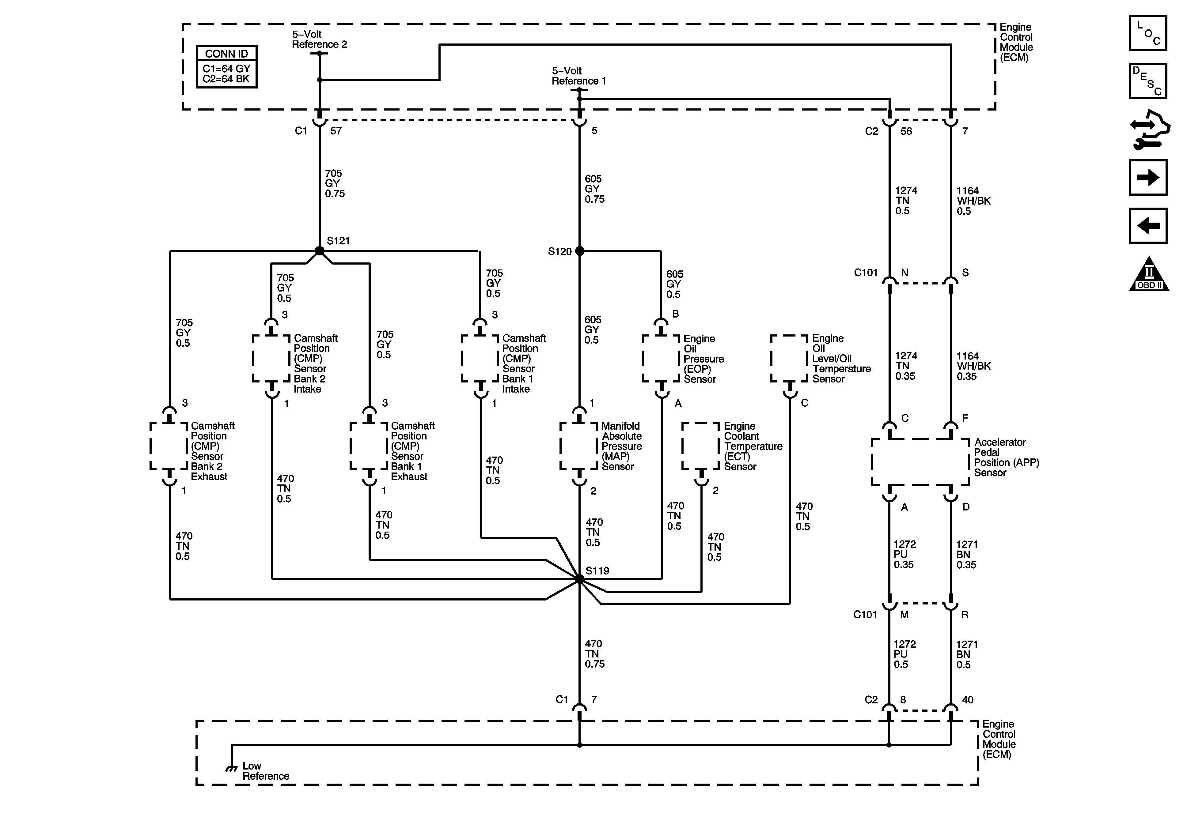
5-Volt and Low Reference - 1 of 2


Object Number: 1645550  Size: FS
Master Electrical Component List
Engine Control Module Description
Control Module References
5 Volt and Low Reference Page 2 of 2
Module Power, Ground, Serial Data, and MIL
Engine Controls Schematic Icons
Figure 3:

5-Volt and Low Reference - 2 of 2


Object Number: 1645552  Size: FS
Master Electrical Component List
Engine Control Module Description
Control Module References
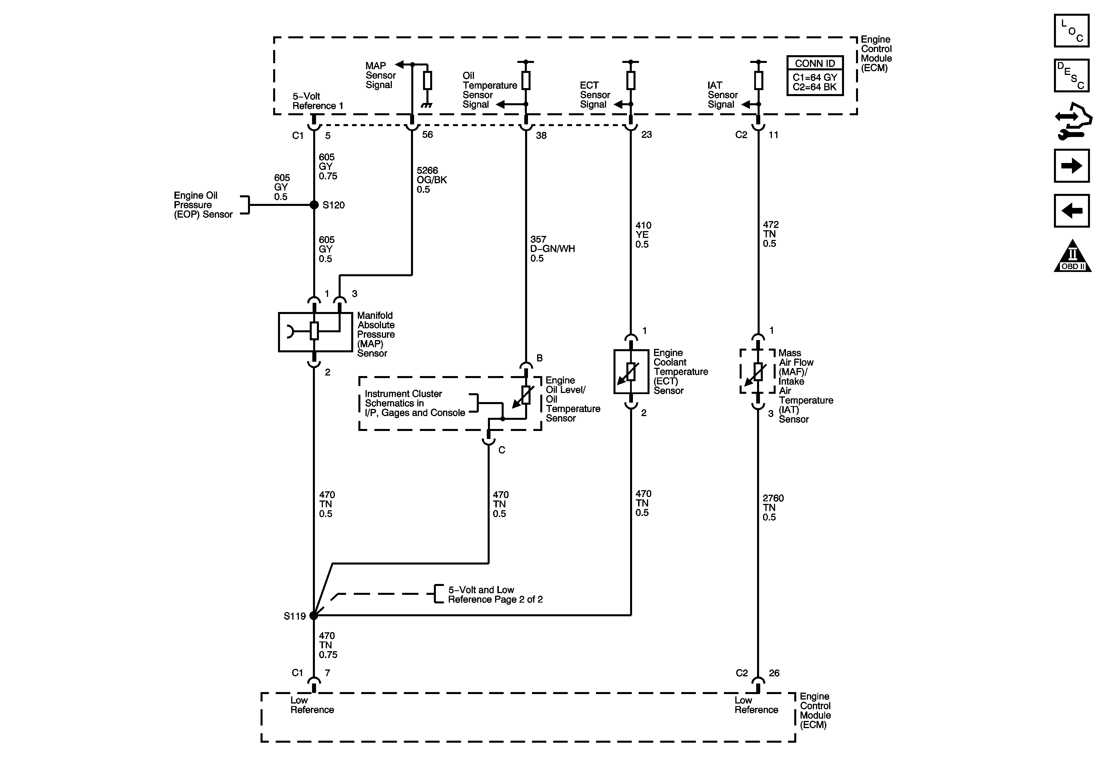
Pressure and Temperature Sensors
5 Volt and Low Reference page 1 of 2
Engine Controls Schematic Icons
Figure 4:

Pressure and Temperature Sensors


Object Number: 1645553  Size: FS
Master Electrical Component List
Engine Control Module Description
Control Module References
MAF, VSS and Stop Lamp Switch
5 Volt and Low Reference Page 2 of 2
Engine Controls Schematic Icons
5 Volt and Low Reference Page 2 of 2
Ambient Air Temperature Sensor, Electronic Compass
5 Volt and Low Reference Page 2 of 2
Figure 5:

MAF, VSS and Stop Lamp Switch


Object Number: 1645554  Size: FS
Master Electrical Component List
Engine Control Module Description
Control Module References
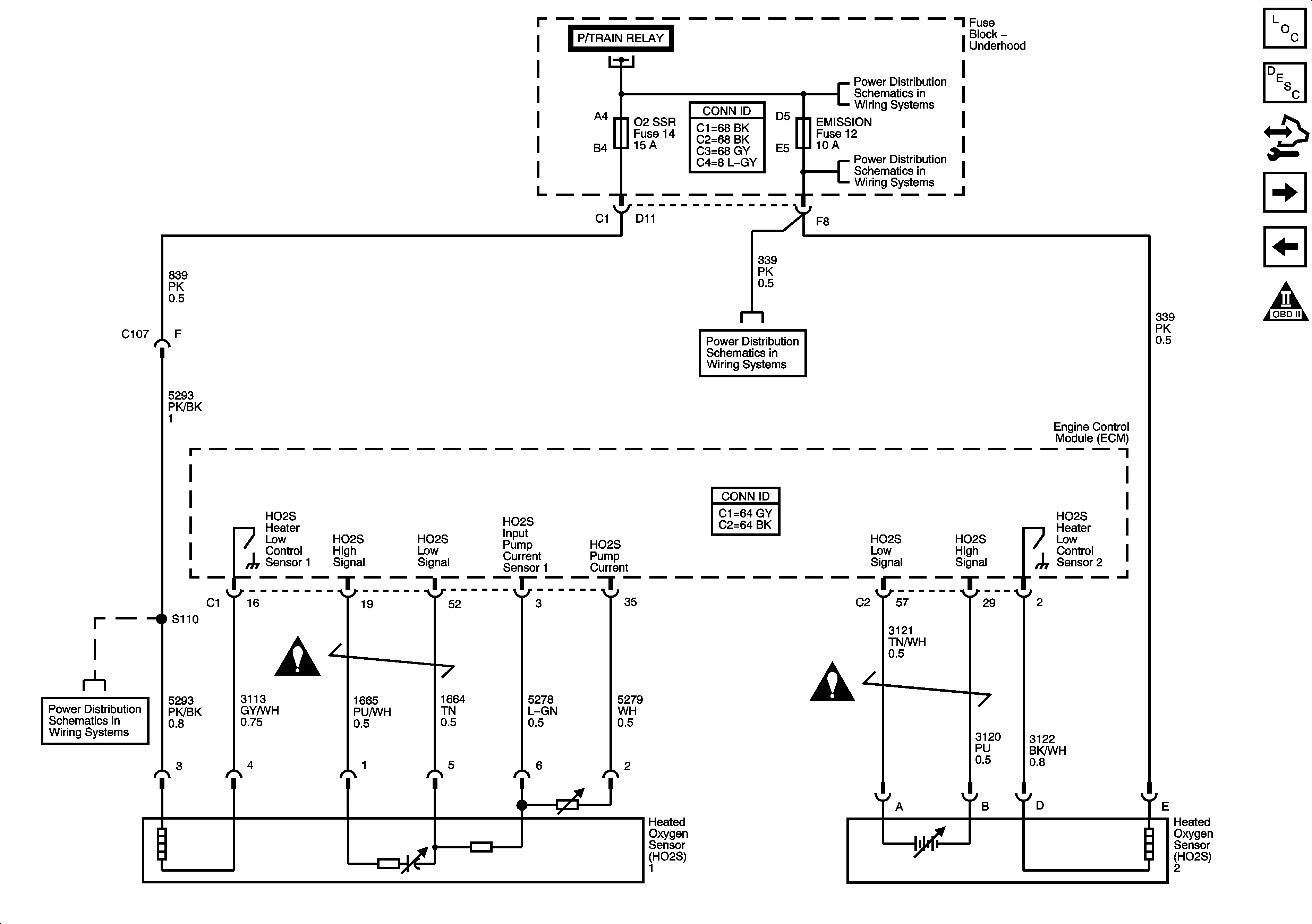
Oxygen Sensors
Pressure and Temperature Sensors
Engine Controls Schematic Icons
Fuse Block - Underhood B+ Bus
Fuse Block - Underhood B+ Bus
Fuse Block - Underhood ETC, ELEK IGN (L26), FUEL INJ (L26), 02 SSR (L26), and EMISSION Fuses
Fuse Block - Underhood ETC, ELEK IGN (L26), FUEL INJ (L26), 02 SSR (L26), and EMISSION Fuses
Shift and TCC Solenoid Valves, TFT Sensor, and Stop Lamp Switch (LY7)
Data Active Brake and Stability
Object Detection Schematics
5 Volt and Low Reference Page 2 of 2
Figure 6:

Oxygen Sensors


Object Number: 1645555  Size: FS
Master Electrical Component List
Engine Control Module Description
Control Module References
Electronic Throttle Controls
MAF, VSS and Stop Lamp Switch
Engine Controls Schematic Icons
Fuse Block - Underhood B+ Bus
Fuse Block - Underhood B+ Bus
Fuse Block - Underhood ETC, ELEK IGN (L26), FUEL INJ (L26), 02 SSR (L26), and EMISSION Fuses
Fuse Block - Underhood ETC, ELEK IGN (L26), FUEL INJ (L26), 02 SSR (L26), and EMISSION Fuses
Fuse Block - Underhood ELEK IGN, FUEL INJ, and 02 SSR Fuses (LY7)
Engine Controls Schematic Icons
Engine Controls Schematic Icons
Figure 7:

Electronic Throttle Controls


Object Number: 1645556  Size: FS
Master Electrical Component List
Throttle Actuator Control (TAC) System Description
Control Module References
Ignition Controls - Bank 1 (Odd) Ignition Coils
Oxygen Sensors
Engine Controls Schematic Icons
Engine Controls Schematic Icons
Figure 8:

Ignition Controls - Bank 1 (Odd) Ignition Coils


Object Number: 1645557  Size: FS
Master Electrical Component List
Electronic Ignition (EI) System Description
Control Module References
Ignition Controls - Bank 2 (Even) Ignition Coils
Electronic Throttle Controls
Engine Controls Schematic Icons
Fuse Block - Underhood B+ Bus
Fuse Block - Underhood B+ Bus
Fuse Block - Underhood ELEK IGN, FUEL INJ, and 02 SSR Fuses (LY7)
G130, G131 - LY7
Figure 9:

Ignition Controls - Bank 2 (Even) Ignition Coils


Object Number: 1645559  Size: FS
Master Electrical Component List
Electronic Ignition (EI) System Description
Control Module References
Knock and CKP Sensors and Engine Speed
Ignition Controls - Bank 1 (Odd) Ignition Coils
Engine Controls Schematic Icons
Fuse Block - Underhood B+ Bus
Fuse Block - Underhood B+ Bus
Fuse Block - Underhood ELEK IGN, FUEL INJ, and 02 SSR Fuses (LY7)
G130, G131 - LY7
Figure 10:

Ignition Controls - Knock and CKP Sensors and Engine Speed


Object Number: 1645560  Size: FS
Master Electrical Component List
Engine Control Module Description
Control Module References
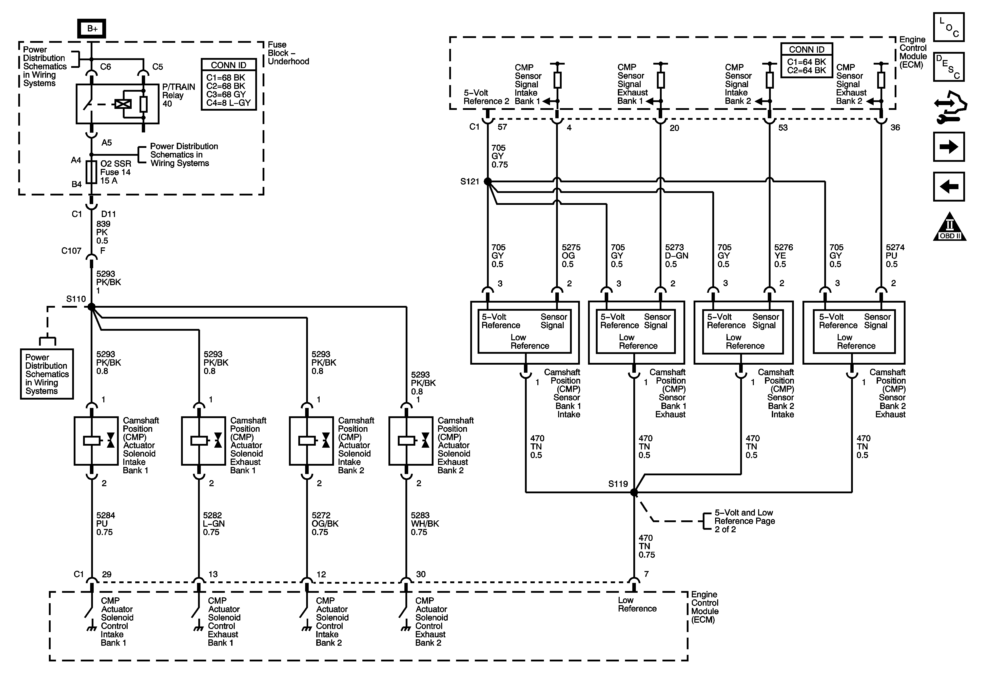
Ignition Controls - CMP Sensors and Solenoids
Ignition Controls - Bank 2 (Even) Ignition Coils
Engine Controls Schematic Icons
Data Active Brake and Stability
Engine Controls Schematic Icons
Engine Controls Schematic Icons
Figure 11:

Ignition Controls - CMP Sensors and Solenoids


Object Number: 1645561  Size: FS
Master Electrical Component List
Engine Control Module Description
Control Module References
Fuel Controls - Fuel Pump and Injectors
Knock and CKP Sensors and Engine Speed
Engine Controls Schematic Icons
Fuse Block - Underhood B+ Bus
Fuse Block - Underhood B+ Bus
Fuse Block - Underhood B+ Bus
5 Volt and Low Reference Page 2 of 2
Figure 12:

Fuel Controls - Fuel Pump and Injectors


Object Number: 1645563  Size: FS
Master Electrical Component List
Fuel System Description
Control Module References
EVAP Controls
Ignition Controls - CMP Sensors and Solenoids
Engine Controls Schematic Icons
Fuse Block - Underhood B+ Bus
G115 (LY7)
Fuse Block - Underhood B+ Bus
Fuse Block - Underhood ETC, ELEK IGN (L26), FUEL INJ (L26), 02 SSR (L26), and EMISSION Fuses
Power, Ground, Serial Data, and Gages LY7
G115 (LY7)
G302
Figure 13:

EVAP Controls


Object Number: 1645564  Size: FS
Master Electrical Component List
Fuel System Description
Control Module References
Module References
Fuel Controls - Fuel Pump and Injectors
Engine Controls Schematic Icons
Fuse Block - Underhood BATT MAIN 1 Fuse, Fuse Block - I/P PK LAMPS, DISPLAYS, CHMSL/BKUP, INT LIGHT, RFA/MOD, RADIO/AMP, ONSTAR/ALDL, HVAC, and CANISTER Fuses and PK LP Relay
Fuse Block - Underhood B+ Bus
Power, Ground, Serial Data, and Gages LY7
Fuse Block - Underhood ELEK IGN, FUEL INJ, and 02 SSR Fuses (LY7)
5 Volt and Low Reference page 1 of 2
5 Volt and Low Reference page 1 of 2
Figure 14:

Module References


Object Number: 1645565  Size: FS
Master Electrical Component List
Engine Control Module Description
Control Module References
EVAP Controls
Engine Controls Schematic Icons
Compressor Controls and Serial Data (LY7)
LY7
Data Active Brake and Stability
Starting - LY7
Charging
Ambient Air Temperature Sensor, Electronic Compass
Indicators UH8
Cruise Control Schematics LY7
Internal Mode Switch (LY7)