GM Service Manual Online
For 1990-2009 cars only
Makes
🢒
Generic
🢒
2006
🢒
Unit Repair
🢒 Starting System
Starting System
Starting System
Master Electrical Component List
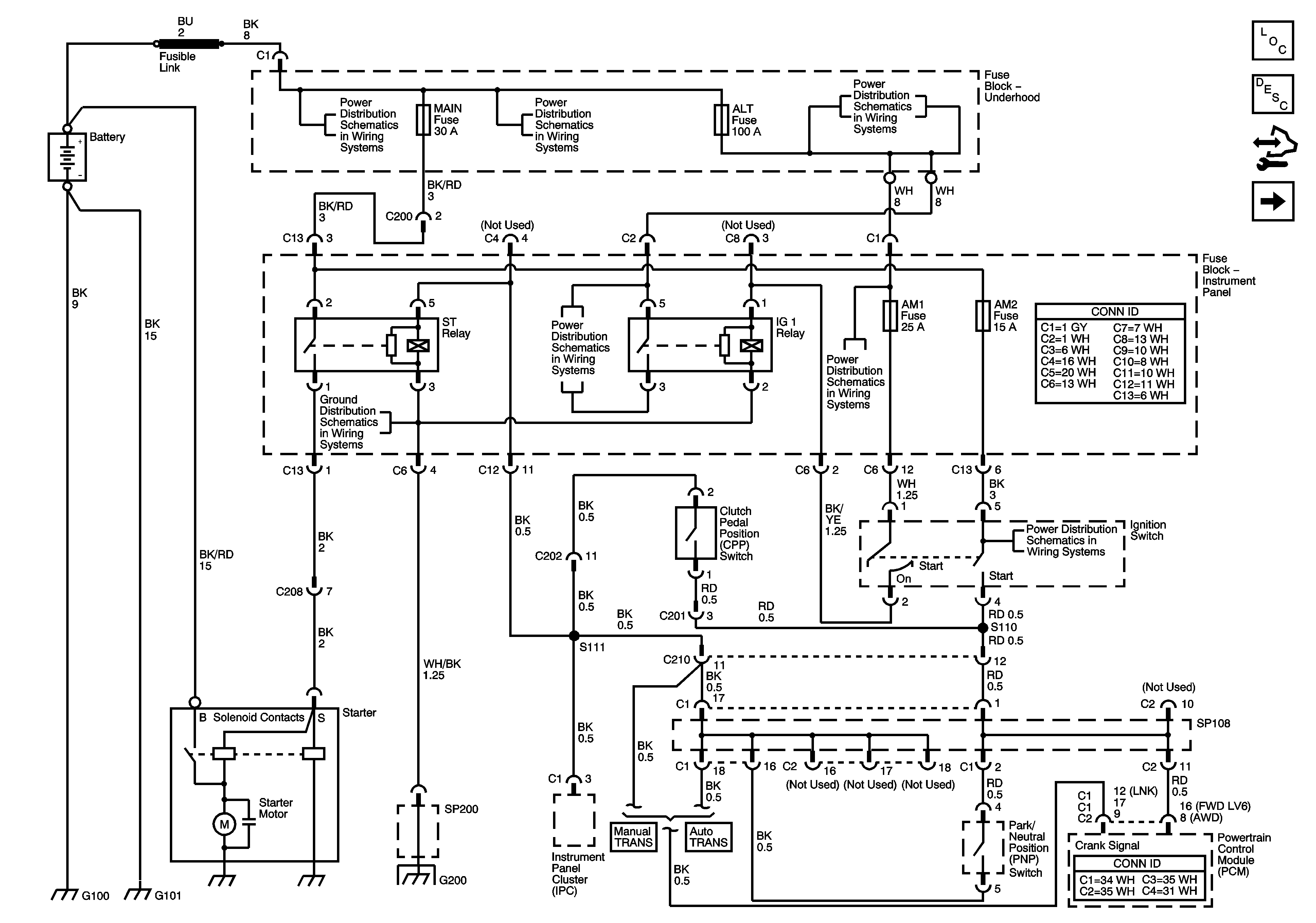
Starting System Description and Operation
Control Module References
Starting System with Theft Deterent
Air Pump, ETCS, Head, Alt S, EFI, EFI 2, Hazard Fuses
Horn, Dome, Main, Amp, Onstar Fuses
Alt, ABS 1 and 2, RDI Fan, Fog Fuses
Fuse Block - Instrument Panel
Wash, RR Wip, Wiper, ECU-IG, Gauge, Heater, DEF Fuses
Power, AM 1, Door, Tail, P/Point, ECU-B, Stop, OBD, INV, Fuses
Ignition Switch (1 of 2)
SP201 and G201