GM Service Manual Online
For 1990-2009 cars only
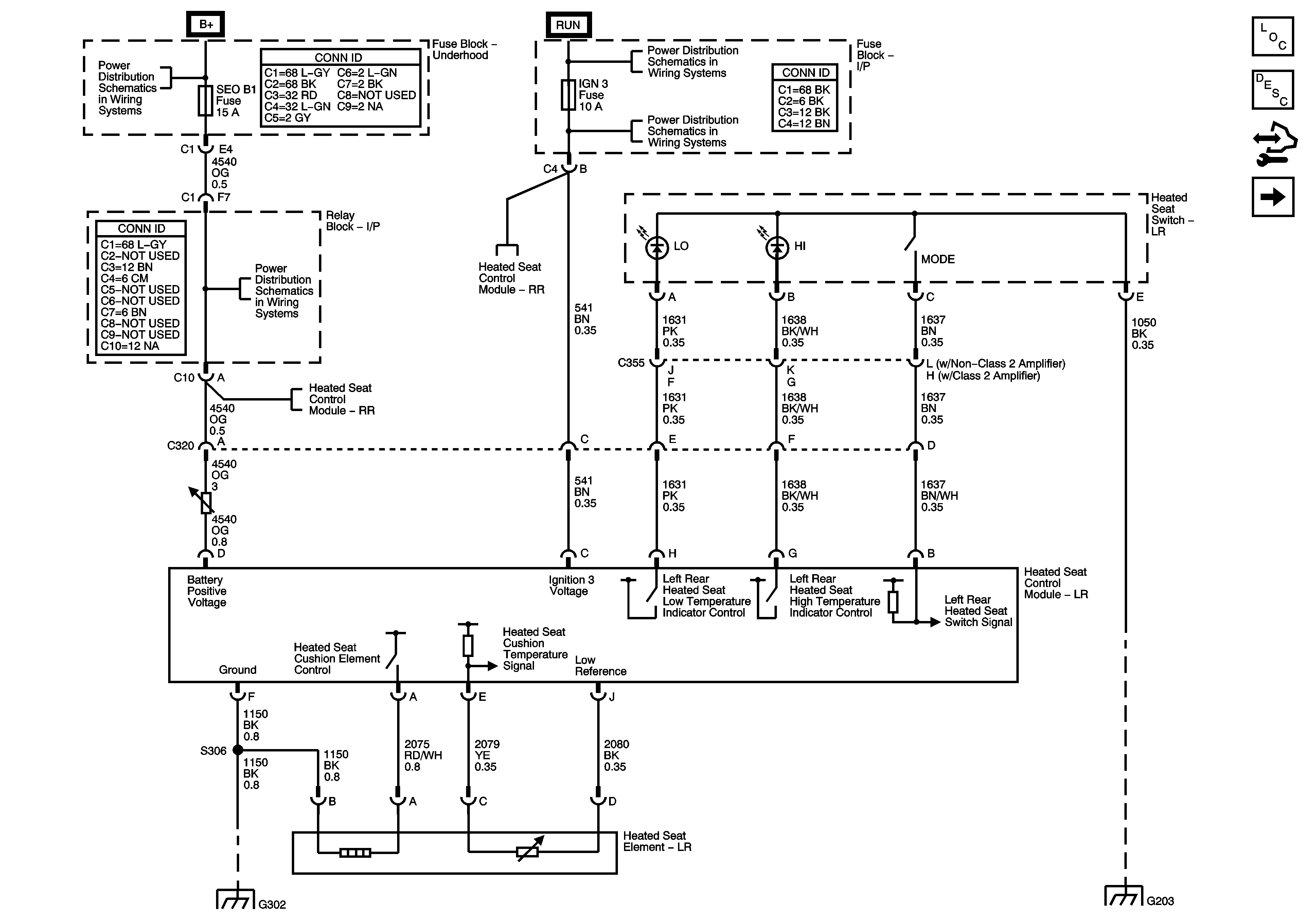
Figure 1:

Left Rear Heated Seat


Object Number: 1507306  Size: FS
Master Electrical Component List
Heated Seats Description and Operation Rear
RR Heat Controls
B+Bus
ACCY/RUN/START, RUN, and START Bus Bars, and CRANK Fuse
BRAKE, 4WD, CRUISE, HVAC 1, and IGN 3 Fuses
PCM B, TREC, IPC/DIC, TBC BATT, SEO B1, SEO B2, and HVAC/ECAS Fuses
PCM B, TREC, IPC/DIC, TBC BATT, SEO B1, SEO B2, and HVAC/ECAS Fuses
BRAKE, 4WD, CRUISE, HVAC 1, and IGN 3 Fuses
G302, G304, and G306
CKT 1050: G203, S302, S303, S351, and S215
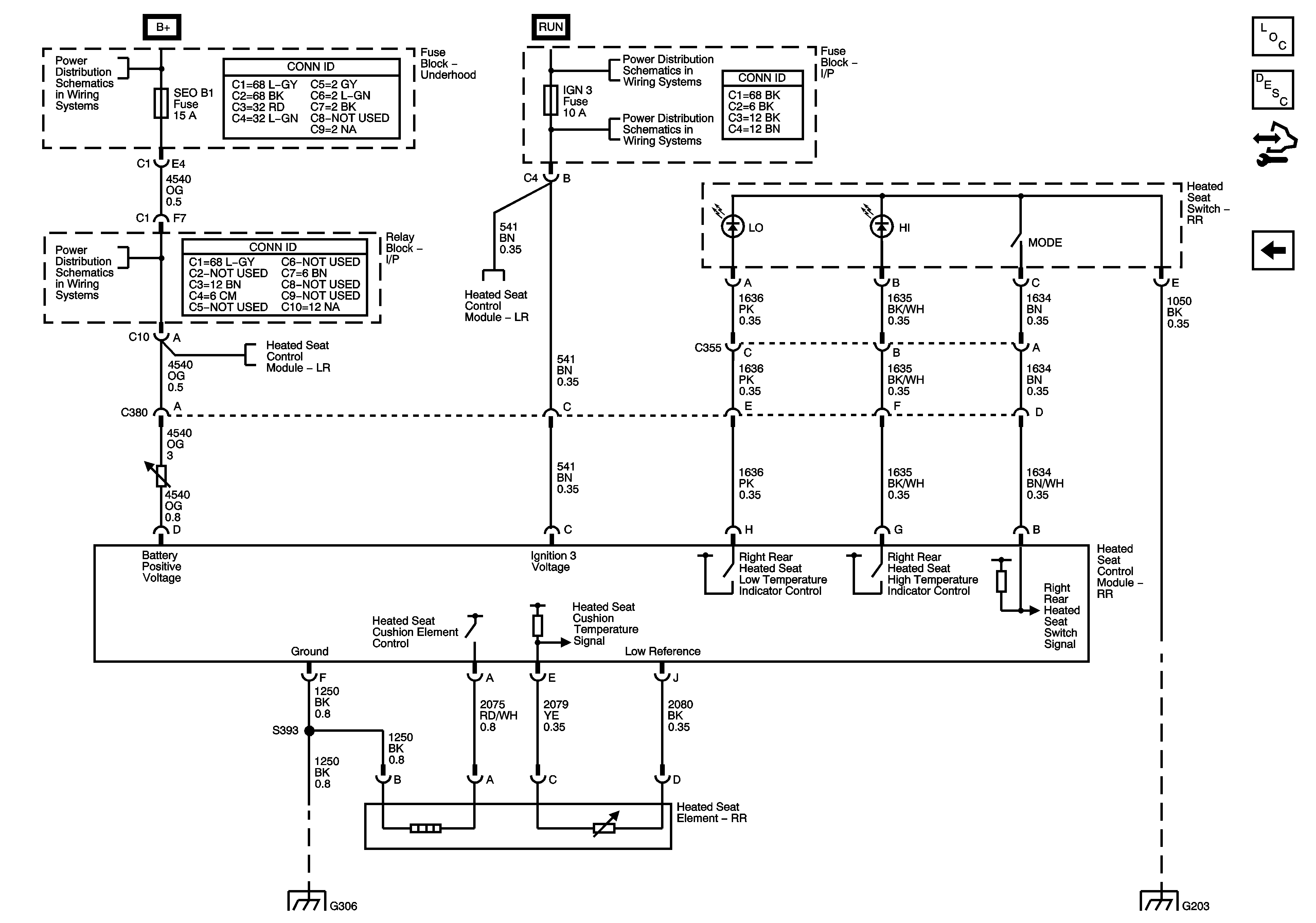
Figure 2:

Right Rear Heated Seat


Object Number: 1507307  Size: FS
Master Electrical Component List
Heated Seats Description and Operation Rear
LR Heat Controls
B+Bus
PCM B, TREC, IPC/DIC, TBC BATT, SEO B1, SEO B2, and HVAC/ECAS Fuses
BRAKE, 4WD, CRUISE, HVAC 1, and IGN 3 Fuses
ACCY/RUN/START, RUN, and START Bus Bars, and CRANK Fuse
BRAKE, 4WD, CRUISE, HVAC 1, and IGN 3 Fuses
G302, G304, and G306
CKT 1050: G203, S302, S303, S351, and S215