GM Service Manual Online
For 1990-2009 cars only
Figure 1:

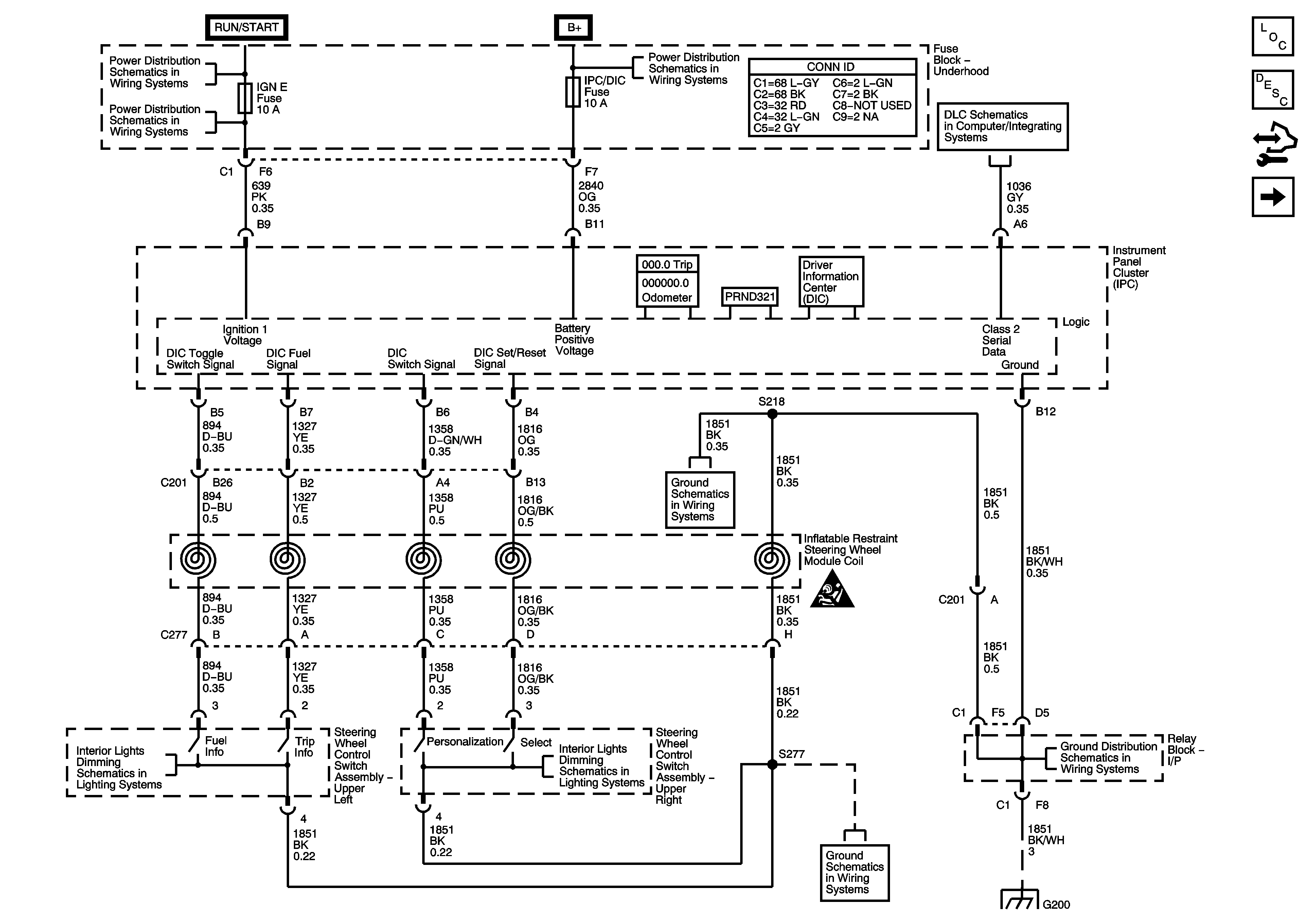
Power, Ground, Serial Data and Driver Information


Object Number: 1471580  Size: FS
Master Electrical Component List
Instrument Cluster Description and Operation
Indicators
SEO IGN, SIR, and IGN E Fuses
B+Bus
EVAP and Fuel Tank Pressure Sensor
Power, Ground, DLC, and Splice Pack SP205
Radio Audio Outputs and VSS Input
G200
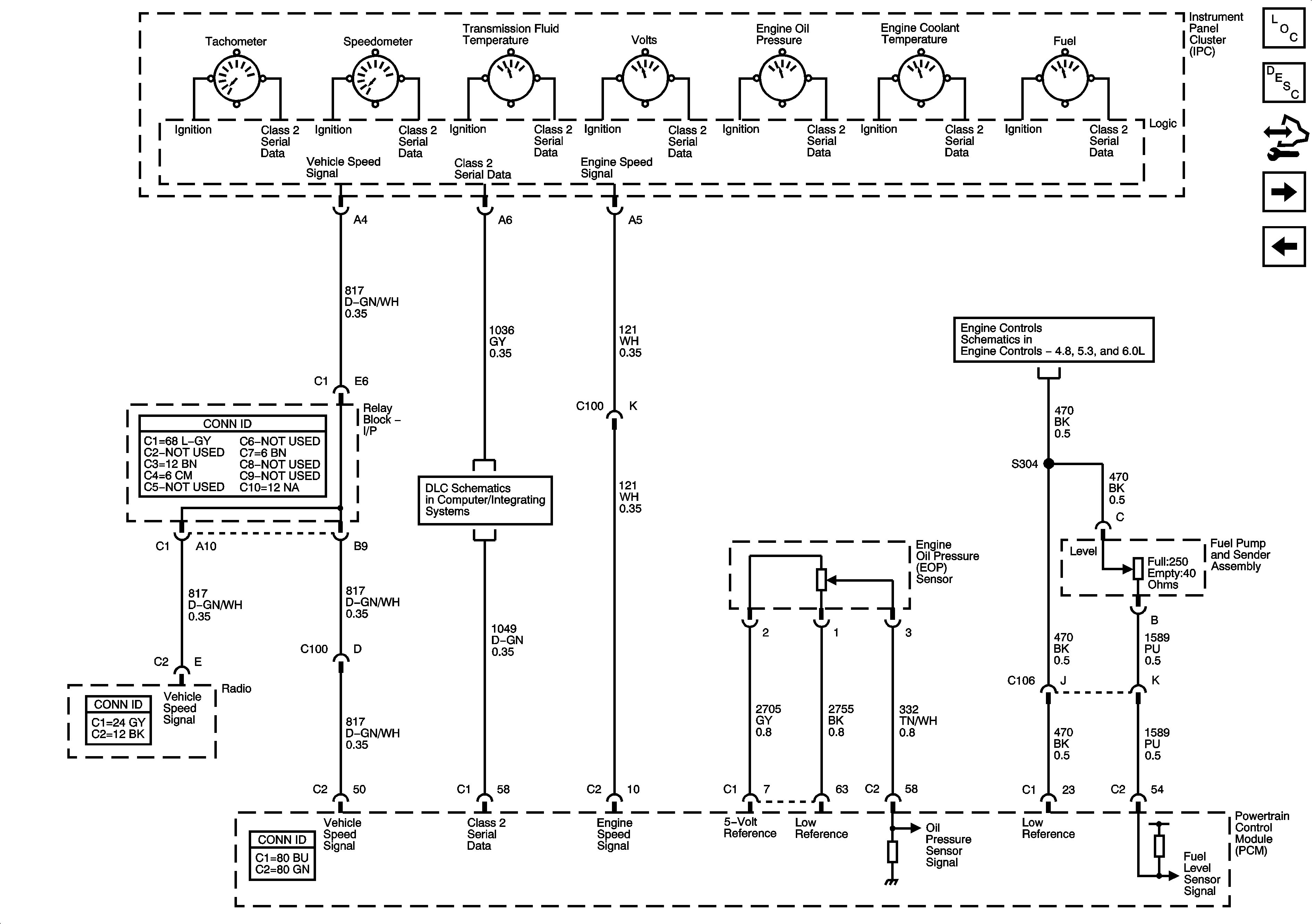
Figure 2:

Gages


Object Number: 1471585  Size: FS
Master Electrical Component List
Indicator/Warning Message Description and Operation
Displays and Personalization Controls
Power, Grounding, DLC, Sensors, and Gauges
Marker Lamps, Front Turn Signal Lamps
Figure 3:

Indicators


Object Number: 1471588  Size: FS
Master Electrical Component List
Driver Information Center (DIC) Description and Operation
Indicators
Illumination - Traction Control, Steering Wheel Controls, and Rear Window Washer/Wiper Switches
Illumination - Traction Control, Steering Wheel Controls, and Rear Window Washer/Wiper Switches
G200
Power, Ground, DLC, and Splice Pack SP205
G102 and G103
G100
G200
SIR Caution for Zoning