GM Service Manual Online
For 1990-2009 cars only
Figure 1:

Module Power, Ground, Serial Data, and MIL


Object Number: 1251393  Size: FS
Master Electrical Component List
Powertrain Control Module Description
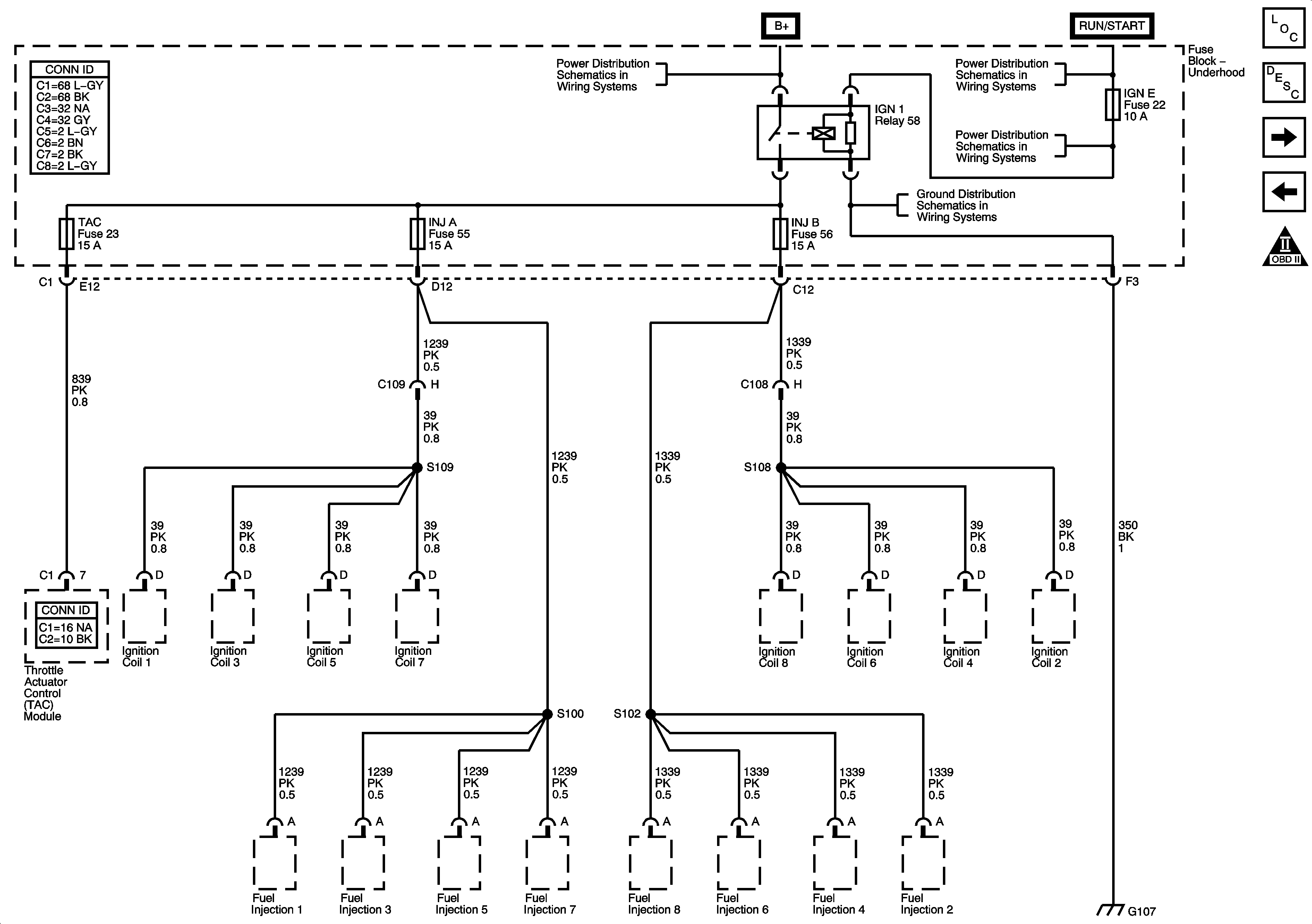
Fuse Block - Underhood, IGN 1 Relay
OBD II Symbol Description Notice
B+ Bus - Underhood Fuse Block
ACCY/RUN and RUN/START Bus Bars
COILS, AIR, EAP, TBC 1, PCM B, LOW HDLP-LT, LOW HDLP-RT, HI HDLP-LT, and HI HDLP-RT Fuses
IGN E, TBC IGN 1, BACKUP, BTSI, and TRLR B/U Fuses
ACCY/RUN/START, RUN, and START Bus Bars
IGN 0, TBC IG, TBC ACC, FRT WPR, and RAIN Fuses
IGN E, TBC IGN 1, BACKUP, BTSI, and TRLR B/U Fuses
IGN 0, TBC IG, TBC ACC, FRT WPR, and RAIN Fuses
Power, Ground, Serial Data, and MIL
G108
Power, Ground, Data Link Connector, and SP205
Figure 2:

Fuse Block - Underhood, IGN 1 Relay


Object Number: 1251394  Size: FS
Master Electrical Component List
Powertrain Control Module Description
Engine Data Sensors - 5 Volt and Low Reference
Module Power, Ground, Serial Data, and MIL
OBD II Symbol Description Notice
B+ Bus - Underhood Fuse Block
ACCY/RUN and RUN/START Bus Bars
ACCY/RUN and RUN/START Bus Bars
G104, G105, and G107
Figure 3:

Engine Data Sensors - 5-Volt and Low Reference


Object Number: 1251395  Size: FS
Master Electrical Component List
Powertrain Control Module Description
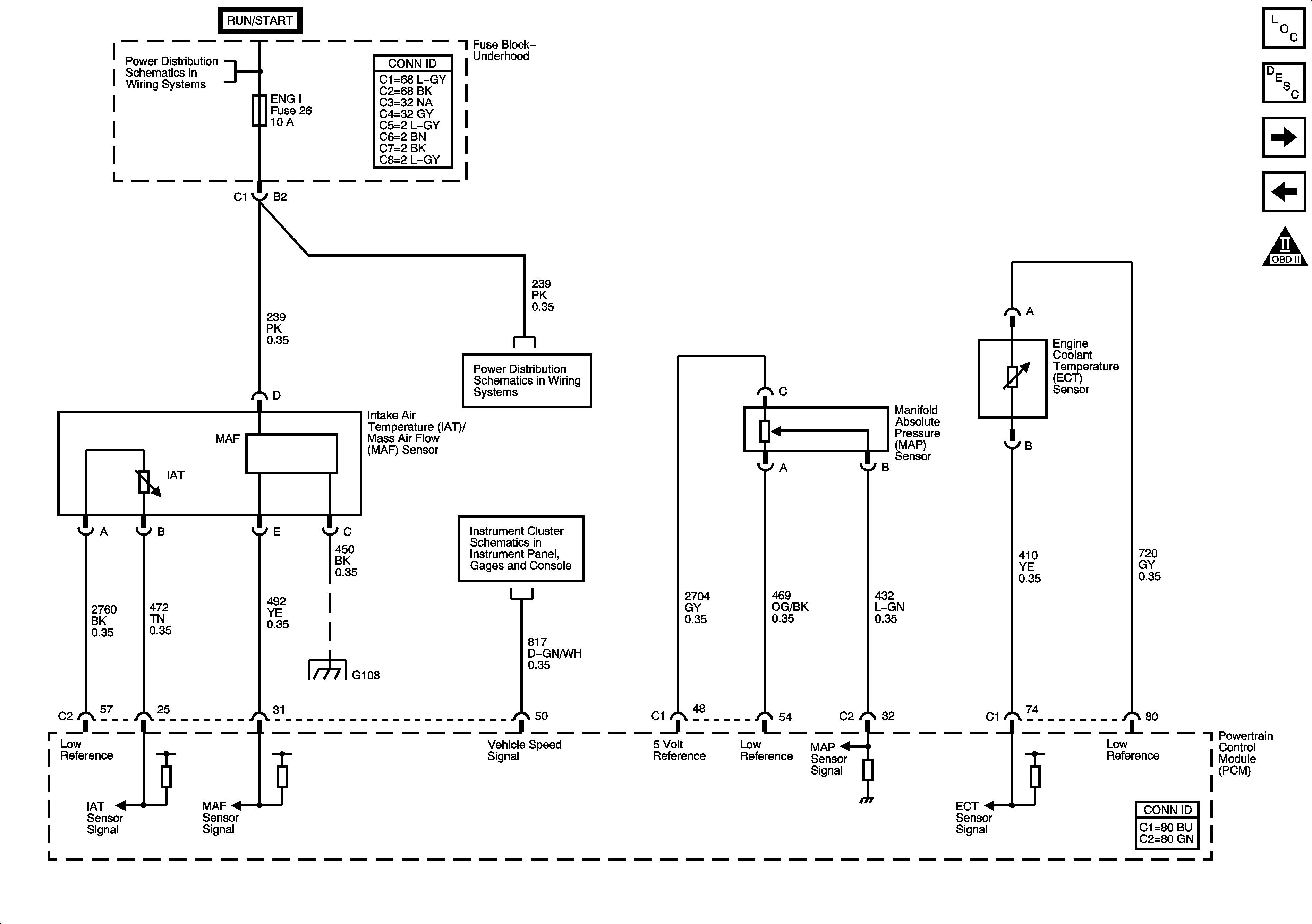
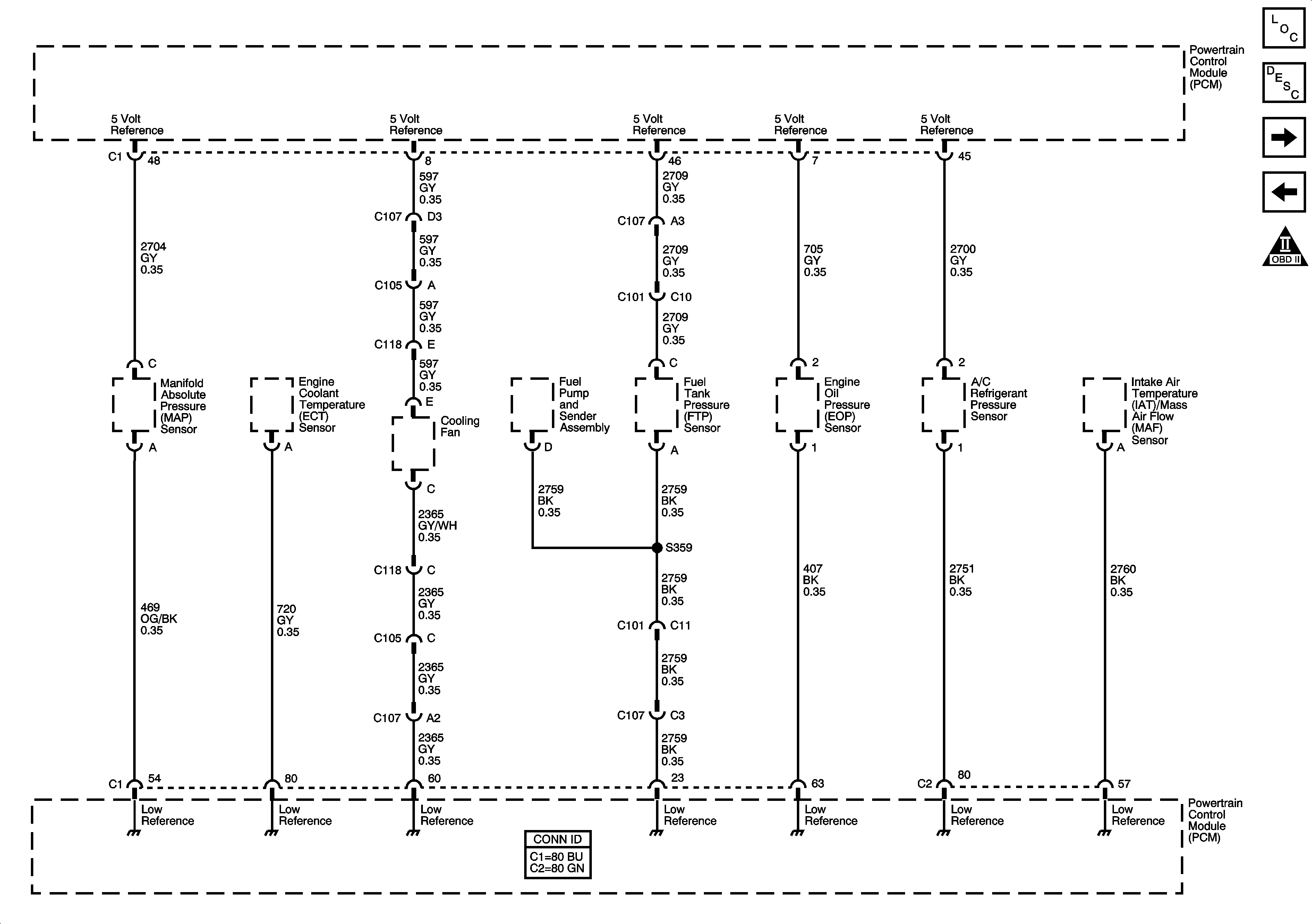
Engine Data Sensors - Pressure, Temperature, and VSS
Module Power, Ground, Serial Data, and MIL
OBD II Symbol Description Notice
Figure 4:

Engine Data Sensors - Pressure, Temperature, and VSS


Object Number: 1251397  Size: FS
Master Electrical Component List
Powertrain Control Module Description
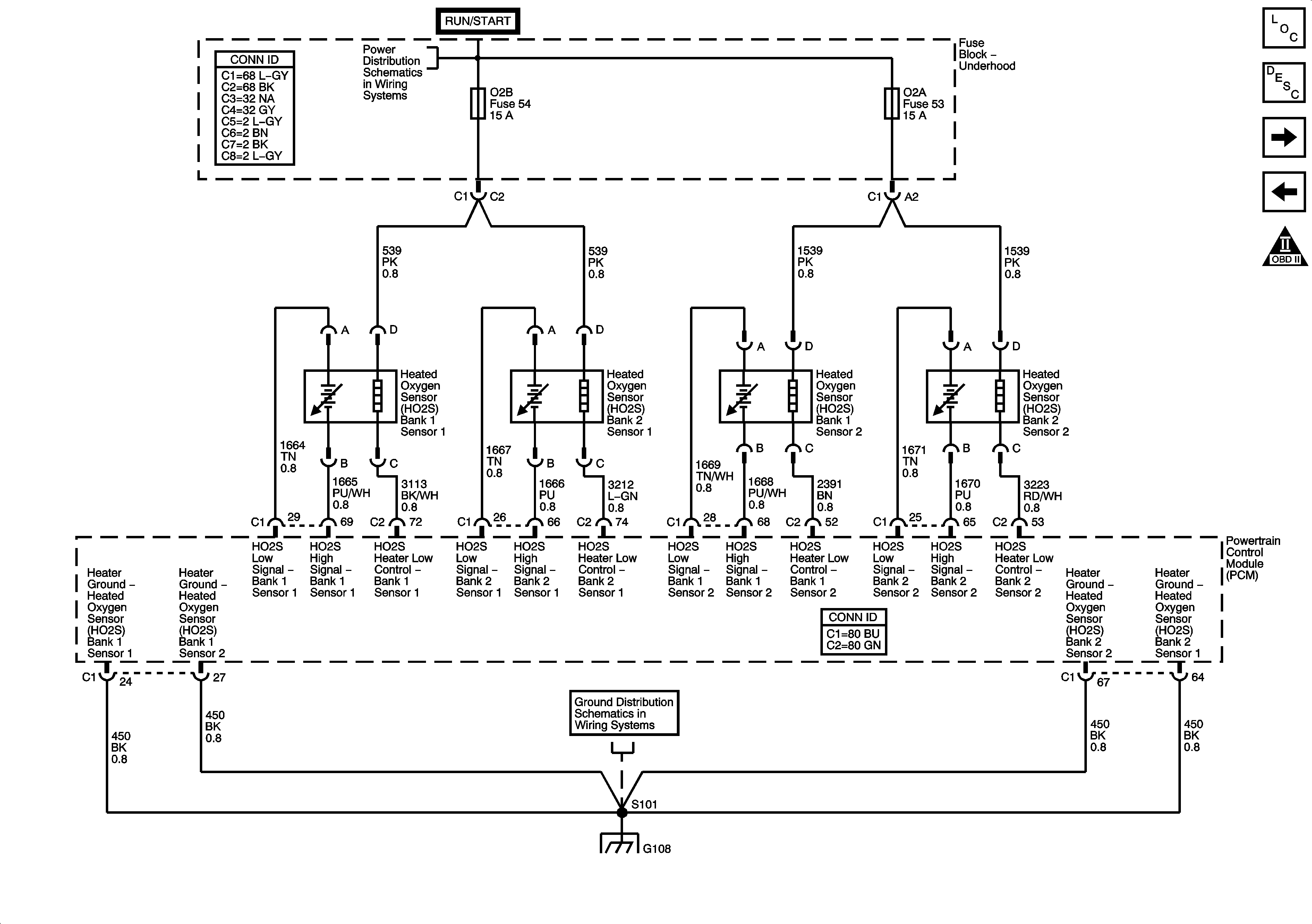
Engine Data Sensors - Oxygen Sensors
Engine Data Sensors - 5 Volt and Low Reference
OBD II Symbol Description Notice
ACCY/RUN and RUN/START Bus Bars
PCM I, O2A, O2B, and ENG I Fuses - 5.3L
Gages
G108
Figure 5:

Engine Data Sensors - Oxygen Sensors


Object Number: 1251399  Size: FS
Master Electrical Component List
Powertrain Control Module Description
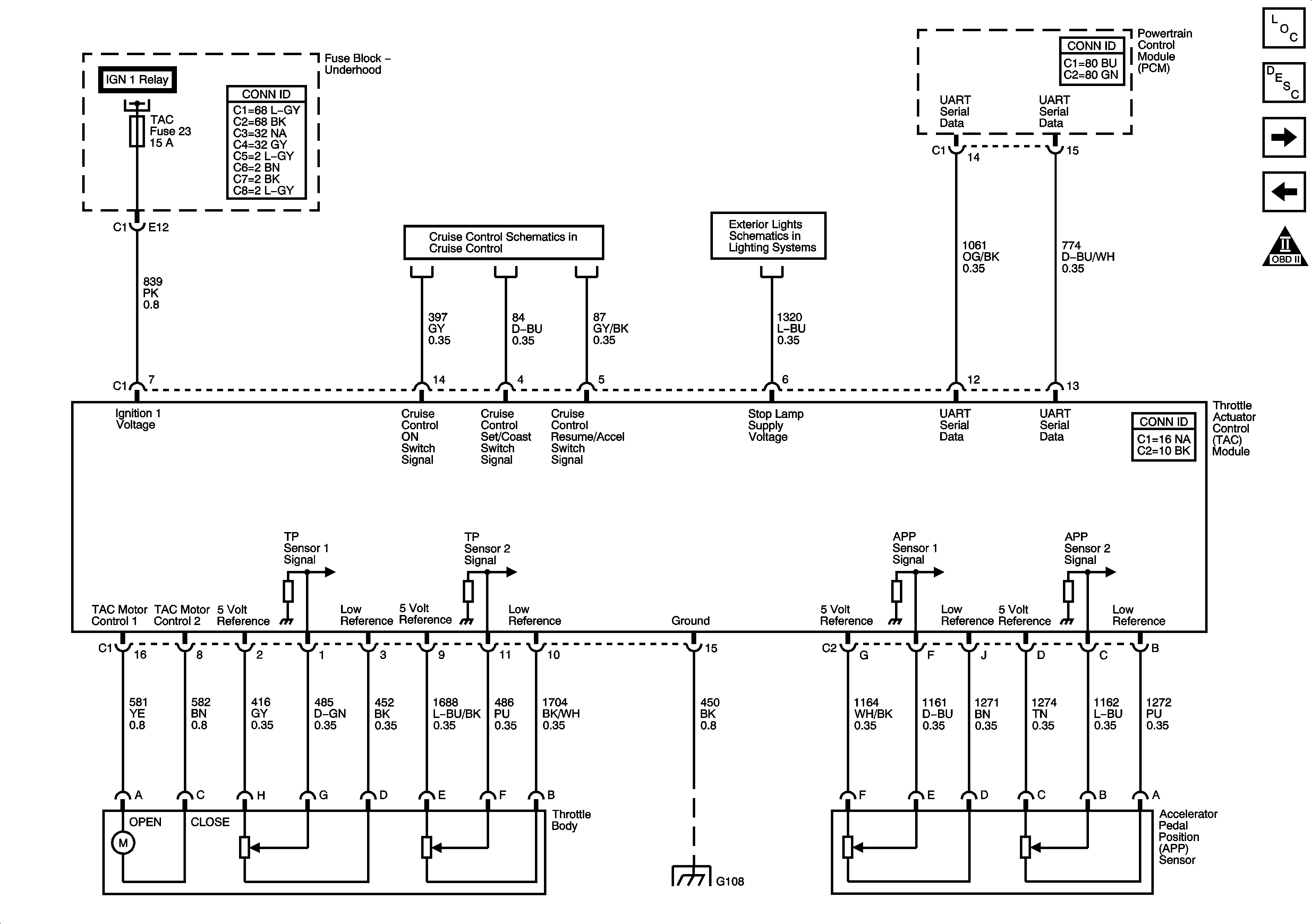
Engine Data Sensors - Throttle Actuator Controls
Engine Data Sensors - Pressure, Temperature, and VSS
OBD II Symbol Description Notice
ACCY/RUN and RUN/START Bus Bars
G108
G108
Figure 6:

Engine Data Sensors - Throttle Actuator Controls


Object Number: 1251400  Size: FS
Master Electrical Component List
Throttle Actuator Control (TAC) System Description
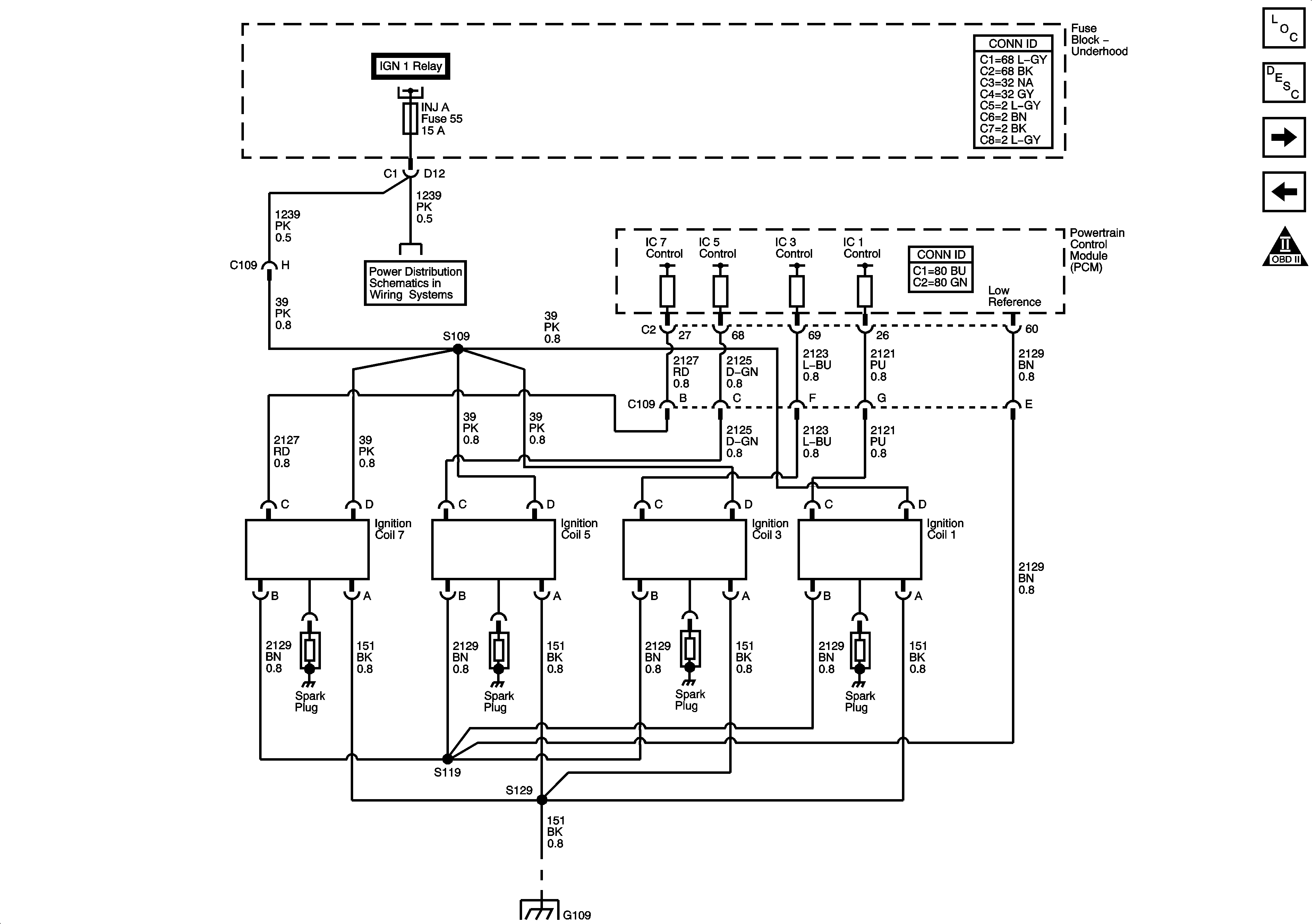
Ignition Controls - Ignition System Coils 1, 3, 5, 7
Engine Data Sensors - Oxygen Sensors
OBD II Symbol Description Notice
Fuse Block - Underhood, IGN 1 Relay
5.3L
Stop Lamps
G108
Figure 7:

Ignition Controls - Ignition System Coils 1, 3, 5, 7


Object Number: 1251402  Size: FS
Master Electrical Component List
Electronic Ignition (EI) System Description
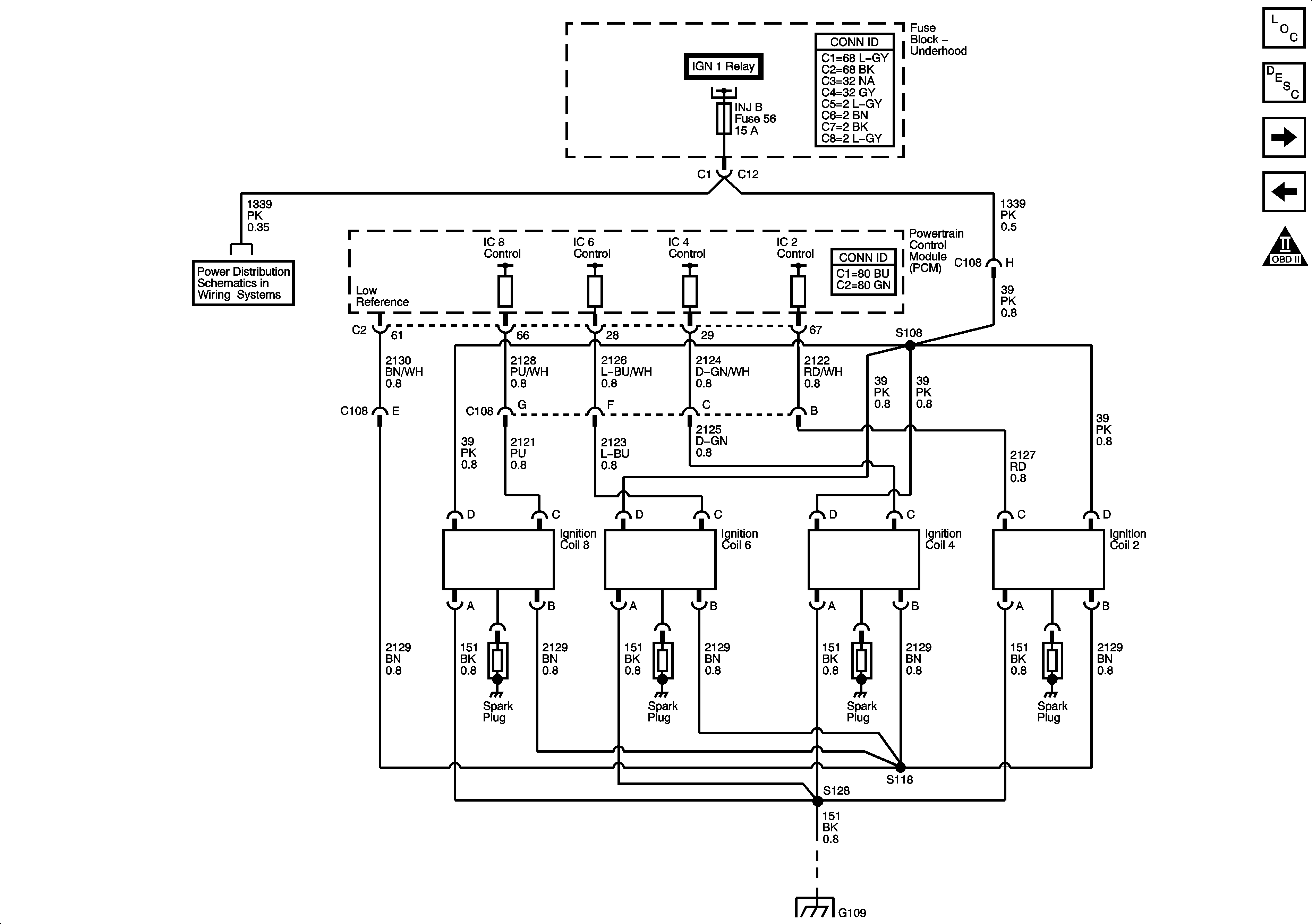
Ignition Controls - Ignition System Coils 2, 4, 6, 8
Engine Data Sensors - Throttle Actuator Controls
OBD II Symbol Description Notice
Fuse Block - Underhood, IGN 1 Relay
CANISTER VENT, TAC, INJ A and INJ B Fuses - 5.3L
G109
Figure 8:

Ignition Controls - Ignition System Coils 2, 4, 6, 8


Object Number: 1251403  Size: FS
Master Electrical Component List
Electronic Ignition (EI) System Description
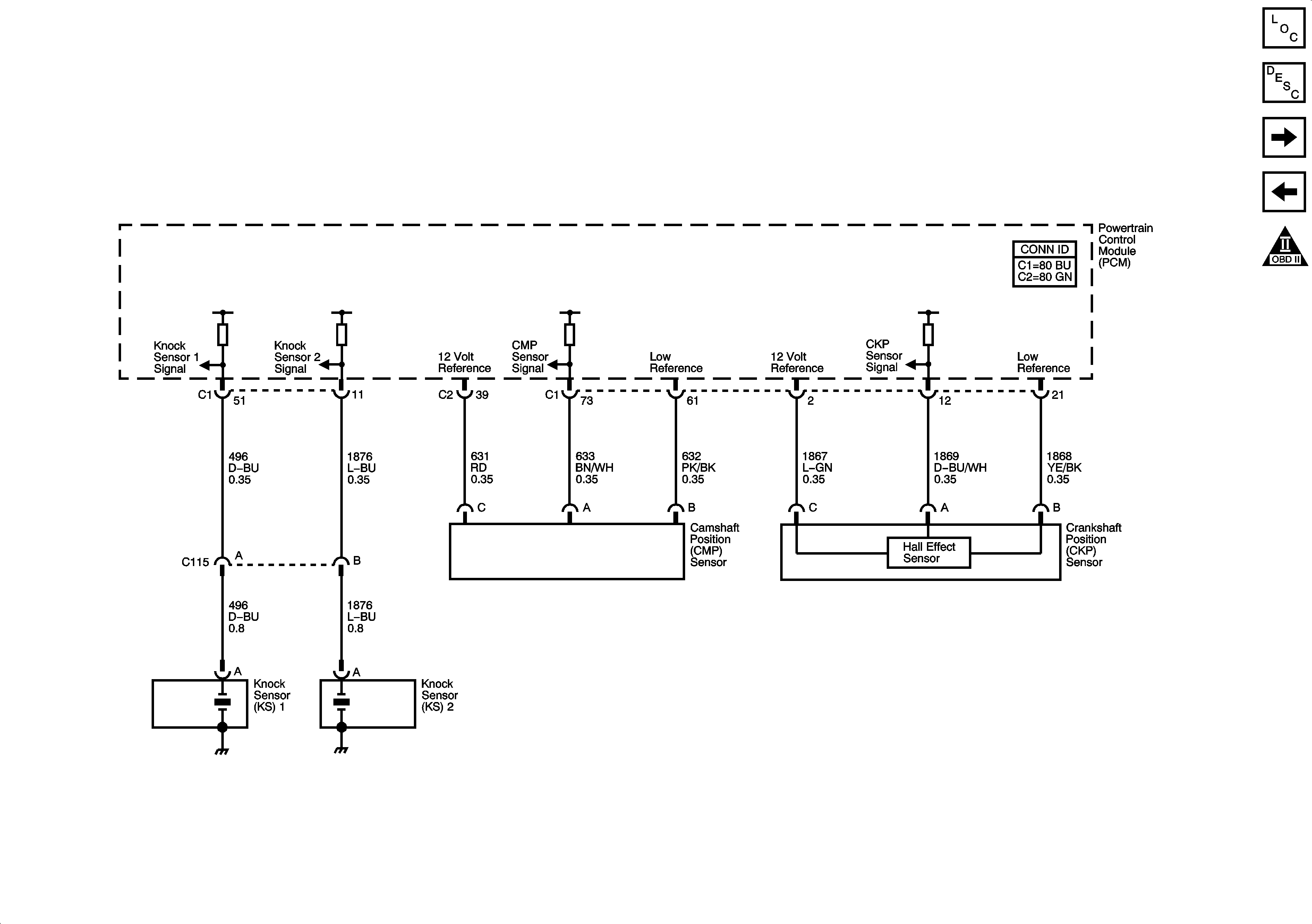
Ignition Controls - Sensors
Ignition Controls - Ignition System Coils 1, 3, 5, 7
OBD II Symbol Description Notice
Fuse Block - Underhood, IGN 1 Relay
CANISTER VENT, TAC, INJ A and INJ B Fuses - 5.3L
G109
Figure 9:

Ignition Controls - Sensors


Object Number: 1251405  Size: FS
Master Electrical Component List
Electronic Ignition (EI) System Description
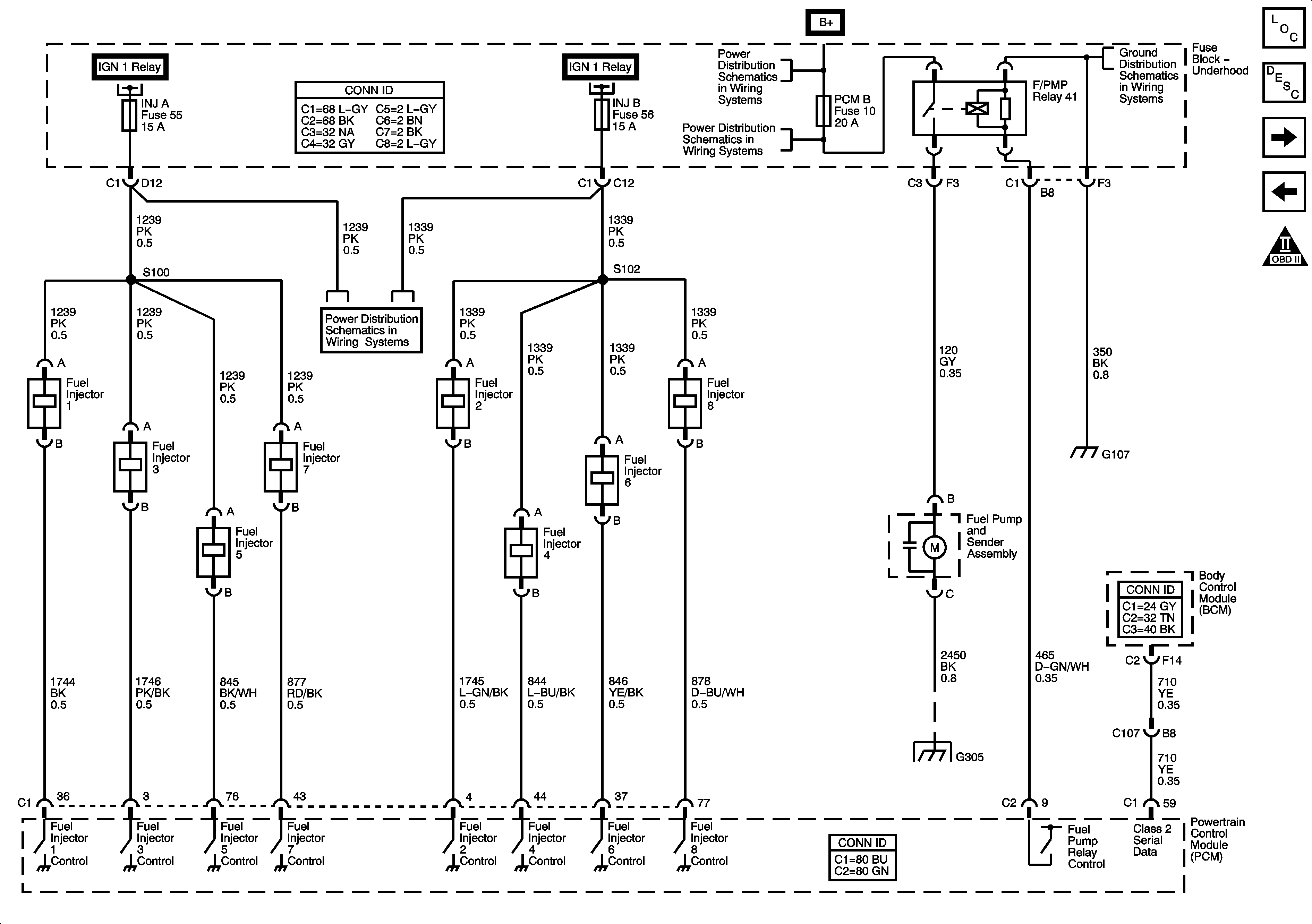
Fuel Controls - Fuel Pump Controls and Fuel Injectors
Ignition Controls - Ignition System Coils 2, 4, 6, 8
OBD II Symbol Description Notice
Figure 10:

Fuel Controls - Fuel Pump Controls and Fuel Injectors


Object Number: 1251406  Size: FS
Master Electrical Component List
Fuel System Description Without Returnless Fuel System
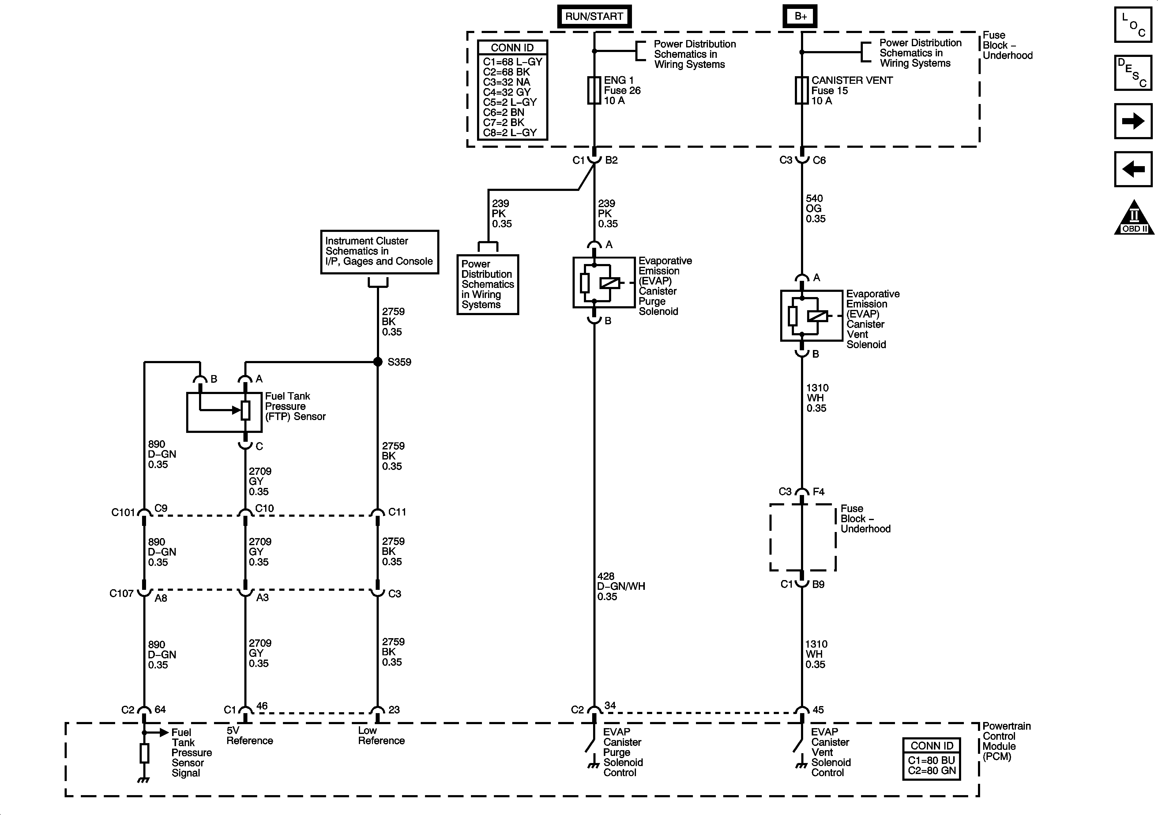
Fuel Controls - EVAP Controls
Ignition Controls - Sensors
OBD II Symbol Description Notice
Fuse Block - Underhood, IGN 1 Relay
Fuse Block - Underhood, IGN 1 Relay
B+ Bus - Underhood Fuse Block
G104, G105, and G107
COILS, AIR, EAP, TBC 1, PCM B, LOW HDLP-LT, LOW HDLP-RT, HI HDLP-LT, and HI HDLP-RT Fuses
CANISTER VENT, TAC, INJ A and INJ B Fuses - 5.3L
G201 - 2 of 2, G305, and G306
Figure 11:

Fuel Controls - EVAP Controls


Object Number: 1251409  Size: FS
Master Electrical Component List
Fuel System Description With Returnless Fuel System
Controlled/Monitored Subsystem References
Fuel Controls - Fuel Pump Controls and Fuel Injectors
OBD II Symbol Description Notice
ACCY/RUN and RUN/START Bus Bars
B+ Bus - Underhood Fuse Block
Fuel Gage
PCM I, O2A, O2B, and ENG I Fuses - 5.3L
Figure 12:

Controlled/Monitored Subsystem References


Object Number: 1251411  Size: FS
Master Electrical Component List
Powertrain Control Module Description
Transmission Control References - A/T
Fuel Controls - EVAP Controls
OBD II Symbol Description Notice
Gages
Power, Ground, Serial Data, and Transfer Case Encoder Motor
Fuel Gage
Gages
Compressor Controls
Compressor Controls
Compressor Controls
Compressor Controls
04 S/T Isuzu Engine Cooling Schematics
Charging System
Starting System
EBCM Power, Ground, Serial Data, Indicator, and Signal Circuits
EBCM Power, Ground, Serial Data, Indicator, and Signal Circuits
04 S/T Isuzu Engine Cooling Schematics
Figure 13:

Transmission Control References - A/T


Object Number: 1251412  Size: FS
Master Electrical Component List
Powertrain Control Module Description
Controlled/Monitored Subsystem References
OBD II Symbol Description Notice
Transmission Controls
Transmission Controls
Transmission Controls
Transmission Controls
Stop Lamp Switch Signal and Vehicle Speed Sensor
PNP Switch and Indicator
PNP Switch and Indicator