GM Service Manual Online
For 1990-2009 cars only
Makes
🢒
Isuzu
🢒
2005
🢒
Ascender - 2WD
🢒
Vehicle Control Systems
🢒
Computer/Integrating Systems
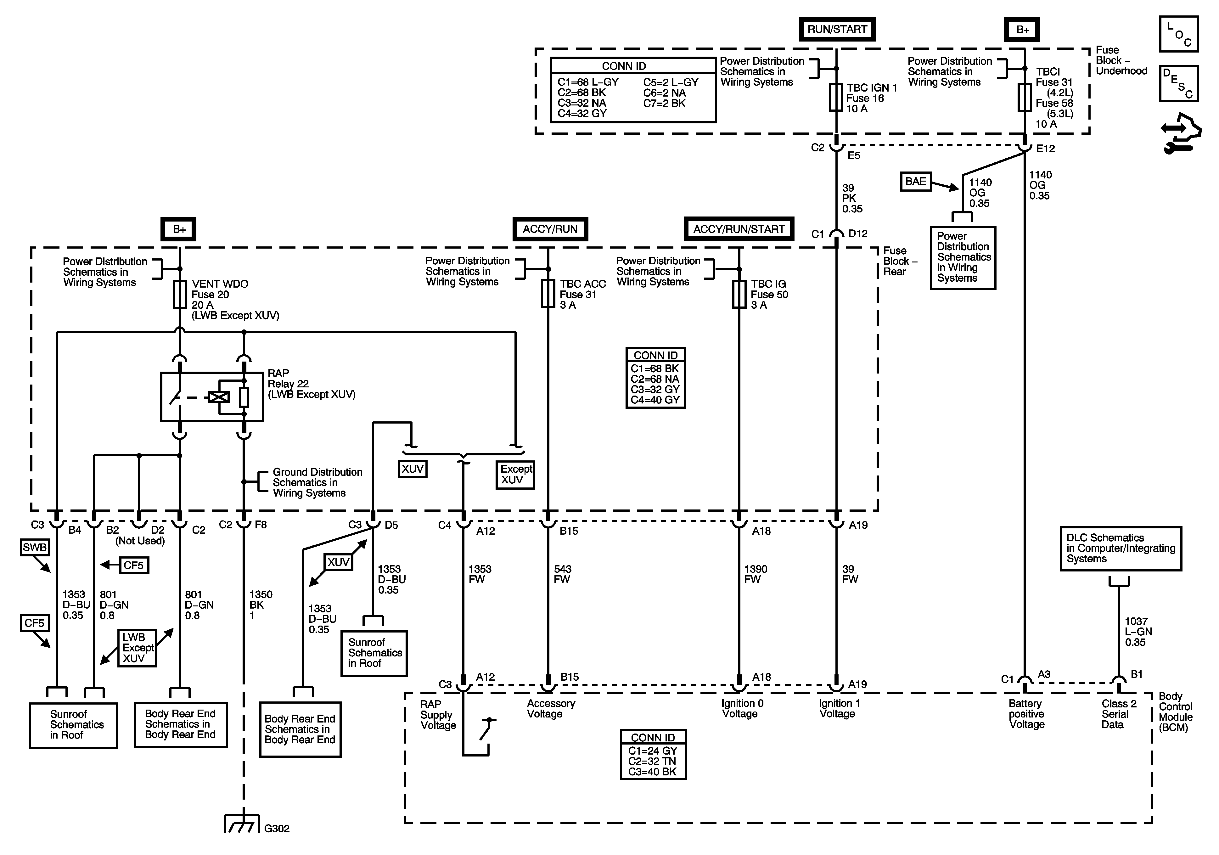
🢒 Retained Accessory Power (RAP) Schematics
Master Electrical Component List
Retained Accessory Power (RAP) Description and Operation
Control Module References
Ignition Switch - ACCY/RUN and RUN/START Bus Bars, IGN B Fuse
B+ Bus - Underhood Fuse Block
B+ Bus - Rear Fuse Block
Ignition Switch - ACCY/RUN and RUN/START Bus Bars, IGN B Fuse
Ignition Switch - ACCY/RUN/START, RUN, and START Bus Bars, IGN A and CRANK Fuses
AIR, COILS, EAP, ECM, HDM, HI HDLP-LT, HI HDLP-RT, LOW HDLP-RT, LOW HDLP-LT, PCMB, and TCB1 Fuses
G302 - 2 of 2
SP205
Roof - Except XUV
Quarter Glass Windows
Midgate - XUV
Roof -XUV
G302 - 1 of 2, G303, and G304