GM Service Manual Online
For 1990-2009 cars only
Makes
🢒
Isuzu
🢒
2005
🢒
Ascender - 2WD
🢒
Body
🢒
Wiring Systems
🢒 Instrument Cluster Schematics
Figure
1:
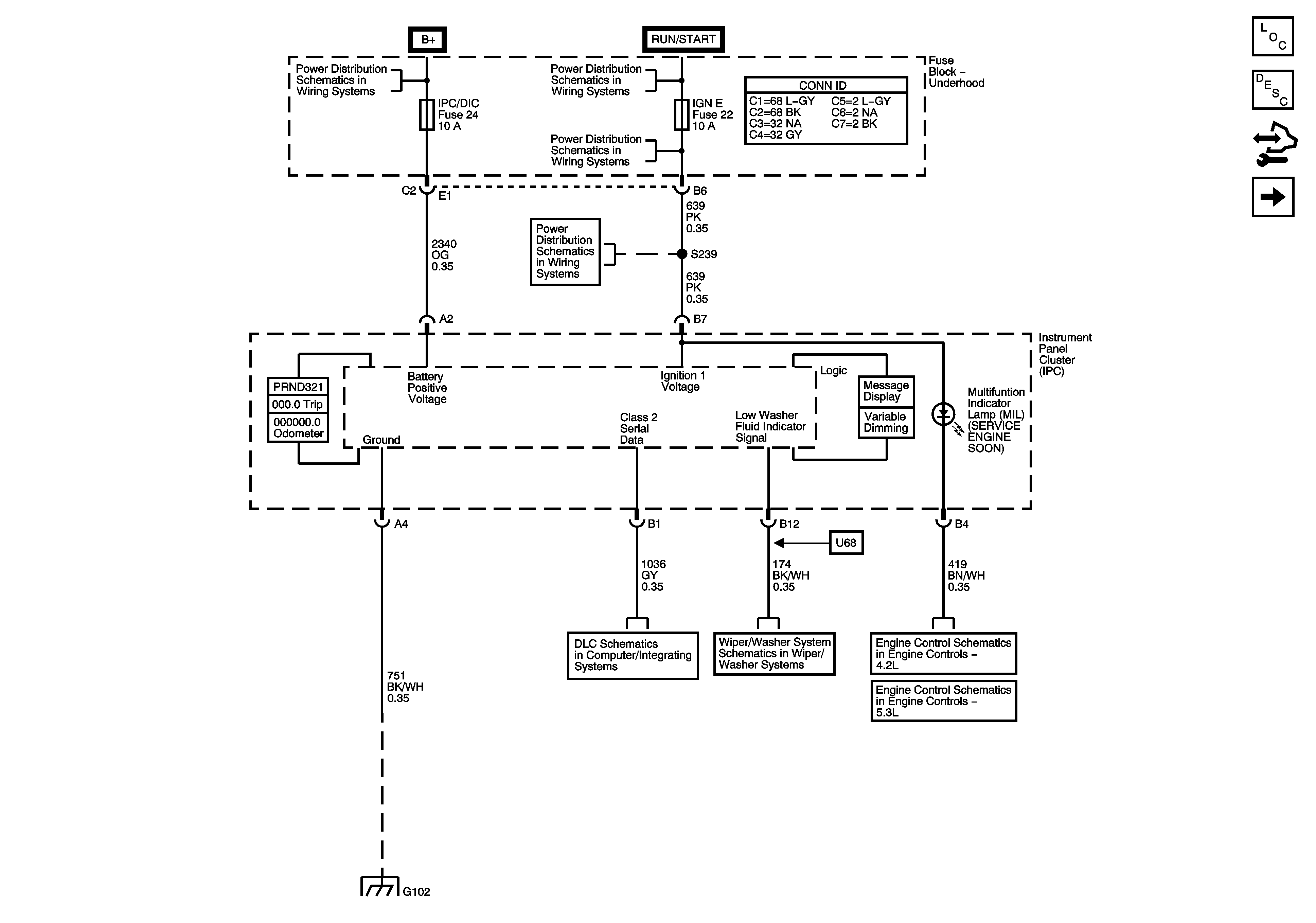
Power, Ground, Serial Data, and MIL
Master Electrical Component List
Instrument Cluster Description and Operation
Control Module References
Gages
B+ Bus - Underhood Fuse Block
Ignition Switch - ACCY/RUN and RUN/START Bus Bars, IGN B Fuse
BACK UP, BTSI, IGNE, TBC IGN1, and TRLR B/U Fuses
BACK UP, BTSI, IGNE, TBC IGN1, and TRLR B/U Fuses
SP205
Wiper/Washer Switch and Washer Fluid Level Switch
Module Power, Ground, Serial Data, and MIL
Module Power, Ground, Serial Data, and MIL
G102
Figure
2:
Gages
Master Electrical Component List
Instrument Cluster Description and Operation
Control Module References
Indicators and DIC Controls
Power, Ground, Serial Data, and MIL
SP205
Figure
3:
Indicators and DIC Controls
Master Electrical Component List
Instrument Cluster Description and Operation
Control Module References
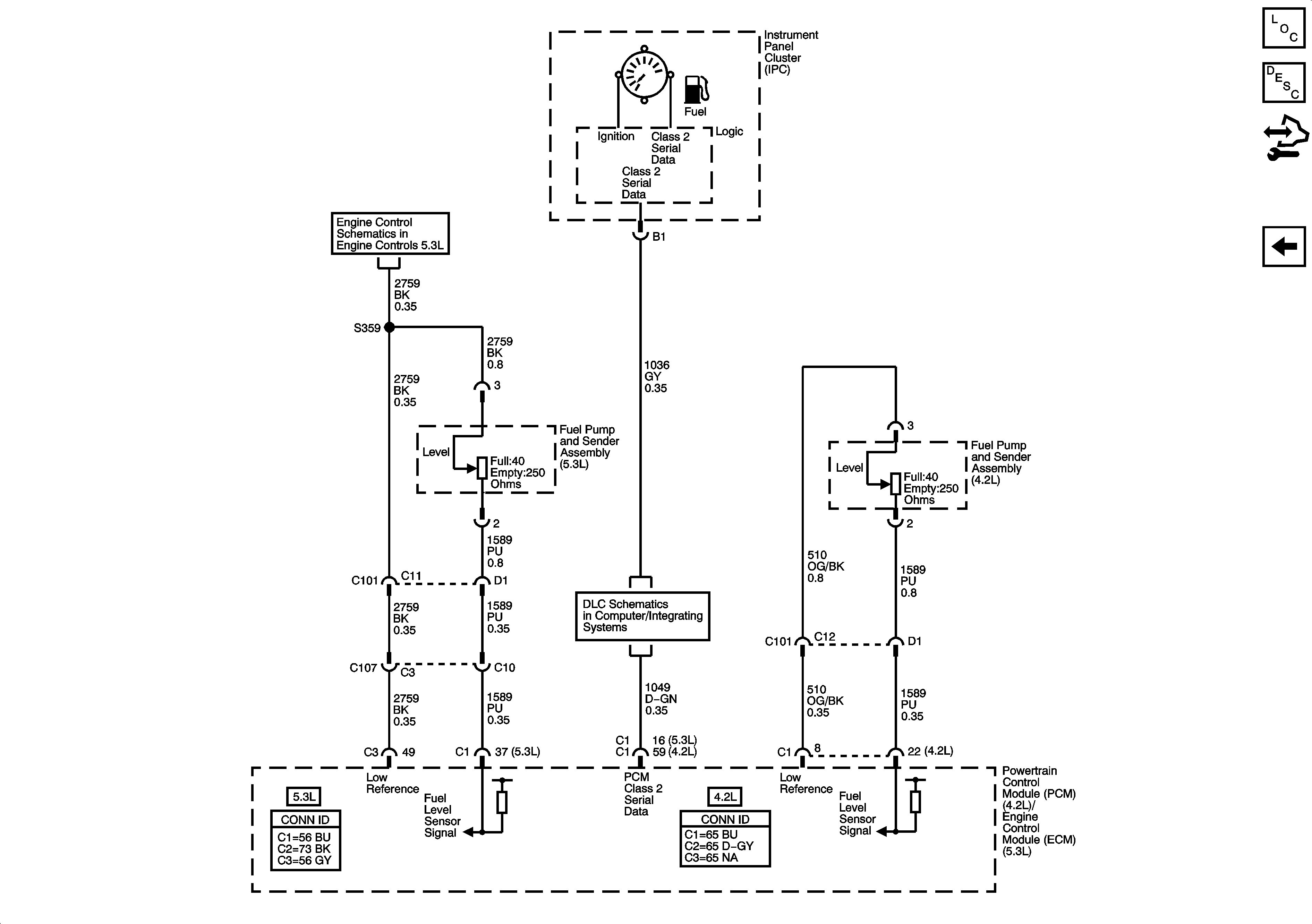
Fuel Gage
Gages
Left Turn Signals
Right Turn Signals
SP205
SIR Caution for Zoning
I/P Dimming Supply - 2 of 2
G201 - 1 of 2
I/P Dimming Supply - 2 of 2
G201 - 1 of 2
Figure
4:
Fuel Gage
Master Electrical Component List
Instrument Cluster Description and Operation
Control Module References
Indicators and DIC Controls
Fuel Controls - EVAP Controls
SP205