GM Service Manual Online
For 1990-2009 cars only
Makes
🢒
Oldsmobile
🢒
2001
🢒
Intrigue
🢒
Body and Accessories
🢒
Wiring Systems
🢒 Interior Lights Schematics
Figure
1:
Rear Compartment Lid Ajar Indicator Switch, Ignition Switch Illumination Lamps, I/P Compartment Lamp Switch, I/P and Rear Compartment Courtesy Lamps
Master Electrical Component List original
Interior Lighting Systems Description and Operation
Sunshade Mirror Lamps, Inside Rear View Mirror Lamps and Roof Rail Courtesy/Reading Lamps
INADV POWER BUS/RAP, BCM, RADIO/HVAC/RFA/CLUSTER/DATA LINK, CIGAR LTR/AUXPOWER/POWER DROP Fuses and RAP Relay
Ground G201
Ground G302 (2 of 2)
Ground G200
Figure
2:
Sunshade Mirror Lamps, Inside Rear View Mirror Lamps and Roof Rail Courtesy/Reading Lamps
Master Electrical Component List original
Interior Lighting Systems Description and Operation
Rear Compartment Lid Ajar Indicator Switch, Ignition Switch Illumination Lamps, I/P Compartment Lamp Switch, I/P and Rear Compartment Courtesy Lamps
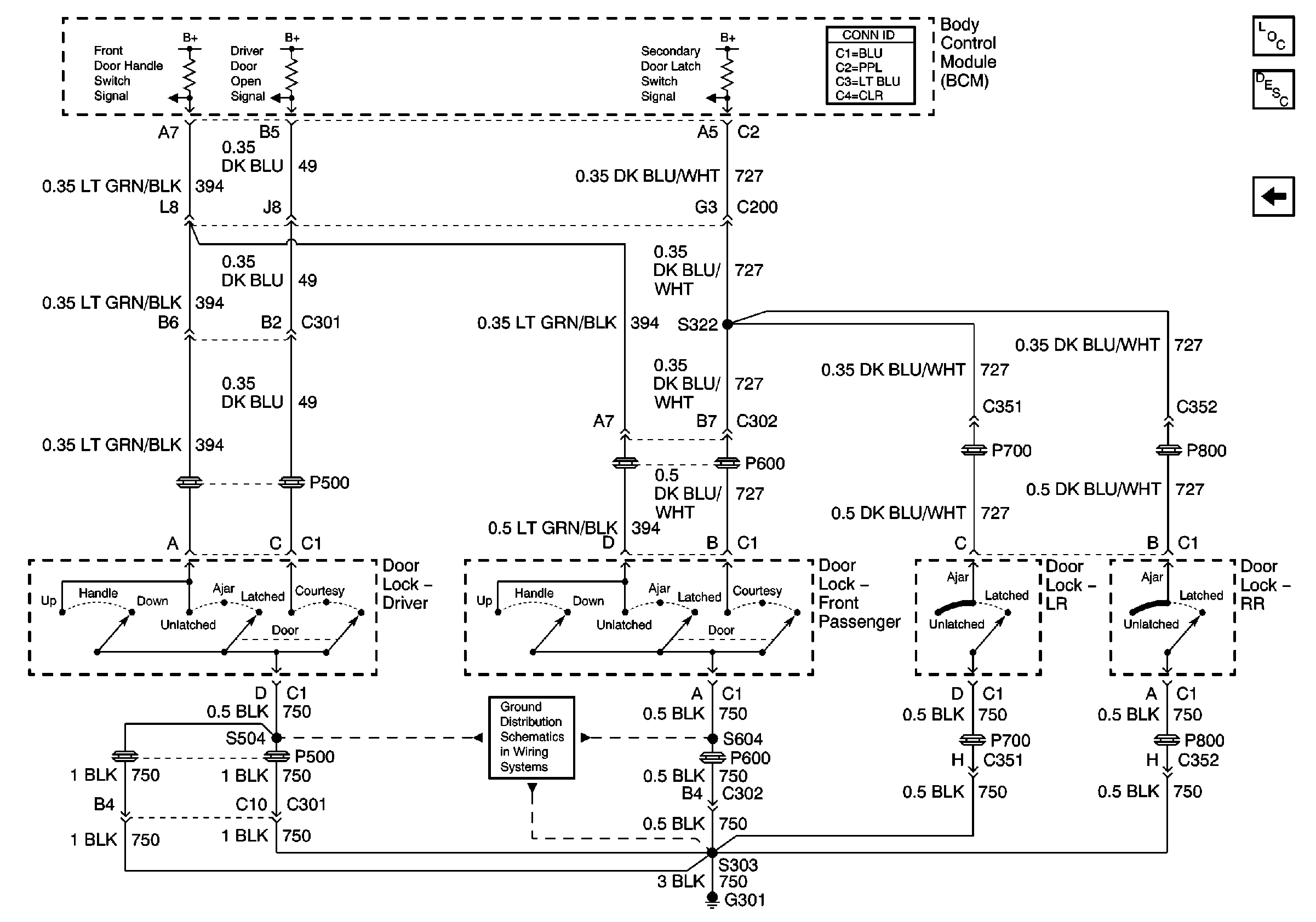
Figure
3:
Door Handle Controls
Master Electrical Component List original
Interior Lighting Systems Description and Operation
Steering Wheel Controls, Window and Door Lock Switches
Ground G301 (1 of 3)