GM Service Manual Online
For 1990-2009 cars only
Makes
🢒
Opel
🢒
2008
🢒
GT
🢒
Diagnostic Navigation
🢒
Vehicle Diagnostic Information
🢒 Body Control System Schematics
Figure
1:
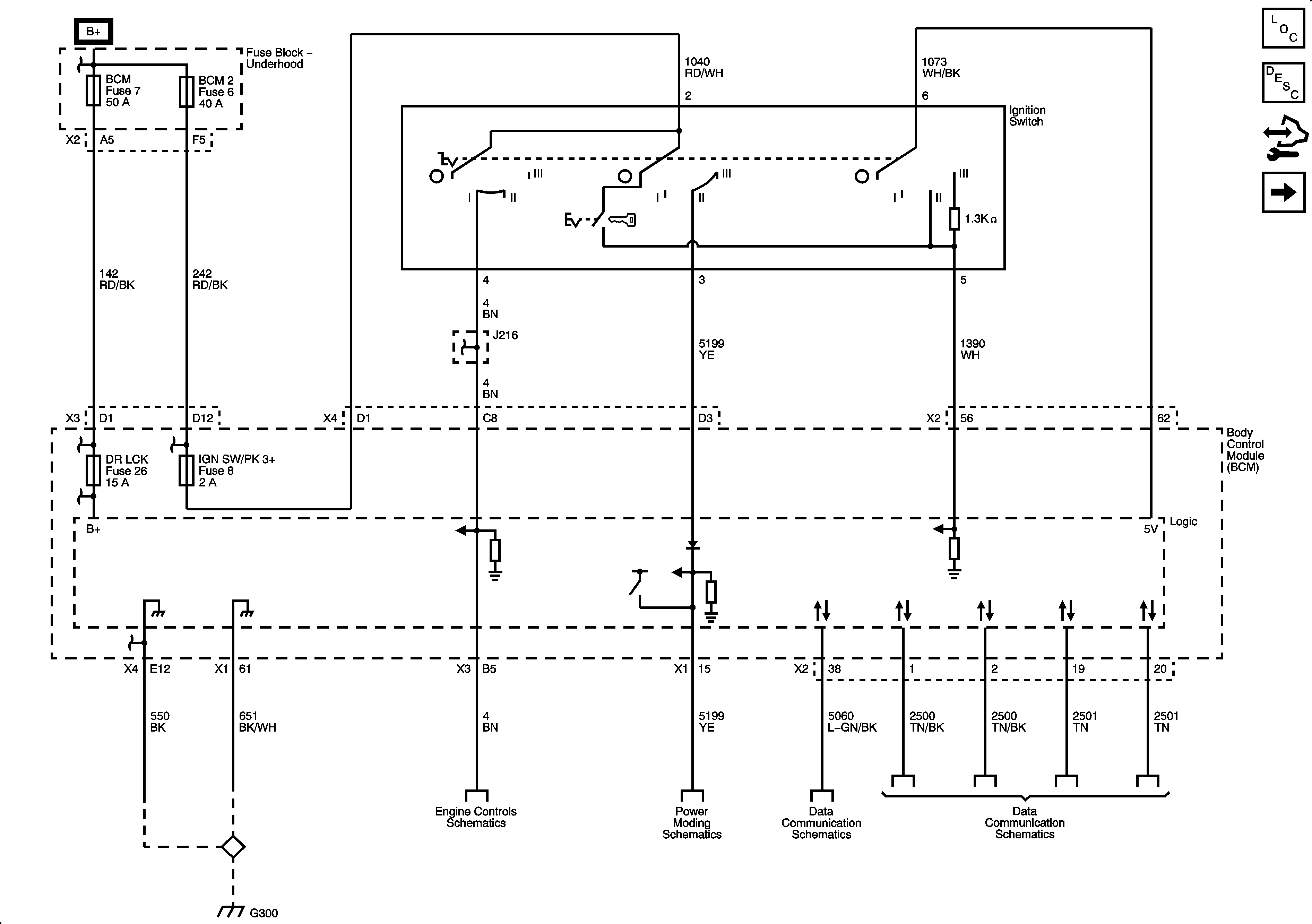
Power, Ground and Data Link
Master Electrical Component List
Body Control System Description and Operation
Control Module References
Module References 1 of 2
G300 - 1 of 2
G300 - 2 of 2
Power, Ground, Data Link and MIL
Power Moding Schematics
Low Speed LAN
High Speed LAN
BCM, DR LCK, ECM/TCM. INT LIGHT, PWR WNDW, RDO and SDM Fuses
BCM 2, BCM 3, AMP, CLSTR, HVAC/PK3+, and IGN SW/PK3+ Fuses
Figure
2:
Module References 1 of 2
Master Electrical Component List
Body Control System Description and Operation
Control Module References
Module References 2 of 2
Power, Ground, and Data Link
Defogger Schematics
Immobilizer Schematics
Horn Schematics
Release Systems Schematics
Wiper/Washer Schematics
Seat Belt Schematics
Compressor Controls
Cruise Control Schematics
Engine Cooling Schematics
Hydraulic Brakes Schematics
Module Power, Ground, and Indicator
Door lock/Indicator Schematics
Figure
3:
Module References 2 of 2
Master Electrical Component List
Body Control System Description and Operation
Control Module References
Module References 1 of 2
Interior Lights Schematics - Outputs
Dimmer Switch
Park Lamps
Fog Lights Schematics
Turn Signals and Hazard Lamps
Backup Lamp and Stop Lamps
Headlights/Daytime Running Lights (DRL) Schematics