GM Service Manual Online
For 1990-2009 cars only
Makes
🢒
Pontiac
🢒
2000
🢒
Bonneville
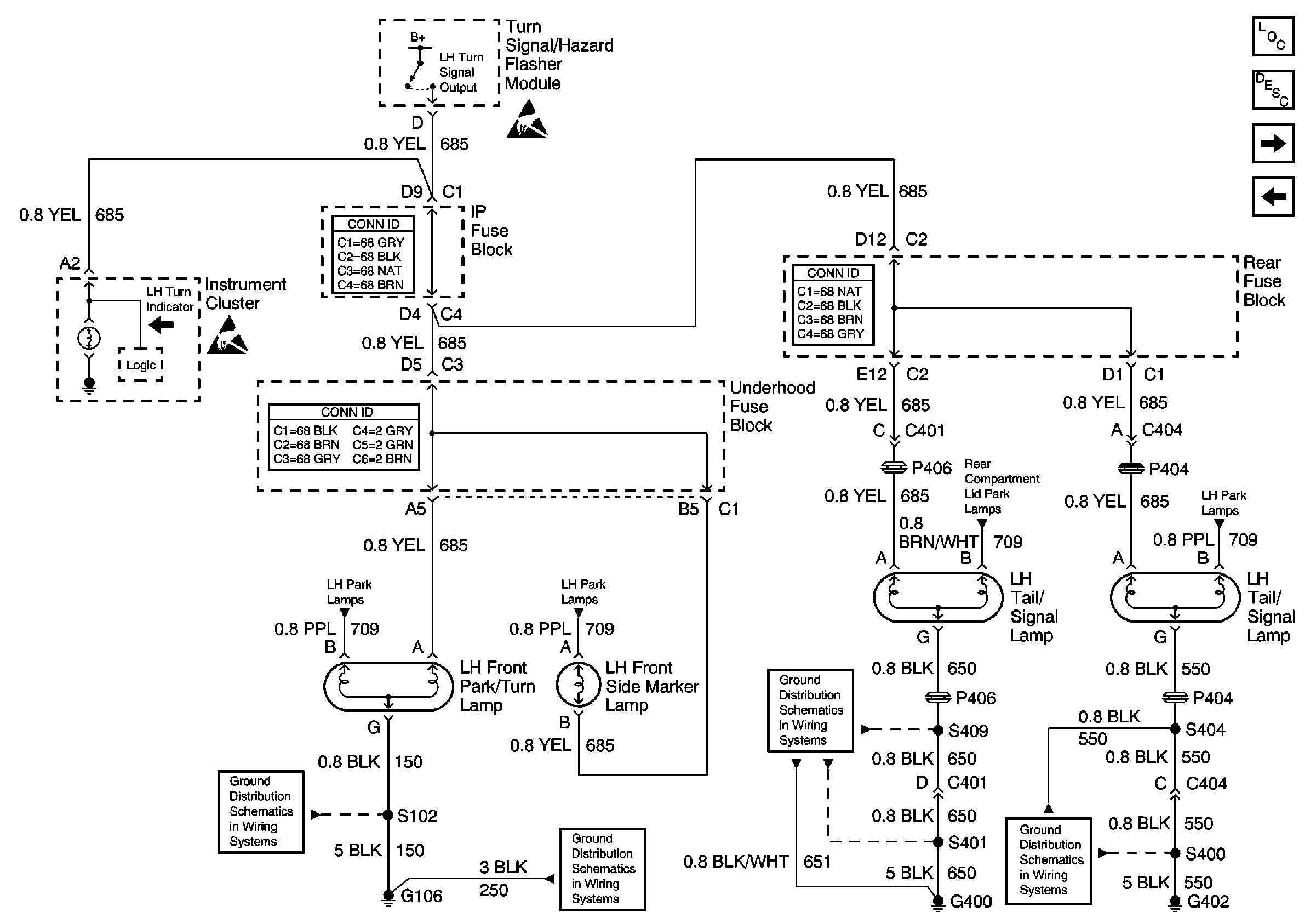
🢒 LH Turn Lamps
LH Turn Lamps
LH Turn Lamps
Lighting Systems Components
Exterior Lights Circuit Description
RH Turn Lamps
Turn Signal/Hazard Switch and Cornering Lamps
Handling ESD Sensitive Parts Notice
Handling ESD Sensitive Parts Notice
LH Park Lamps
LH Park Lamps
G400, 1 of 2
Rear Compartment Lid Park Lamps
LH Park Lamps
G104 and G106
G105
G306 and G402