GM Service Manual Online
For 1990-2009 cars only

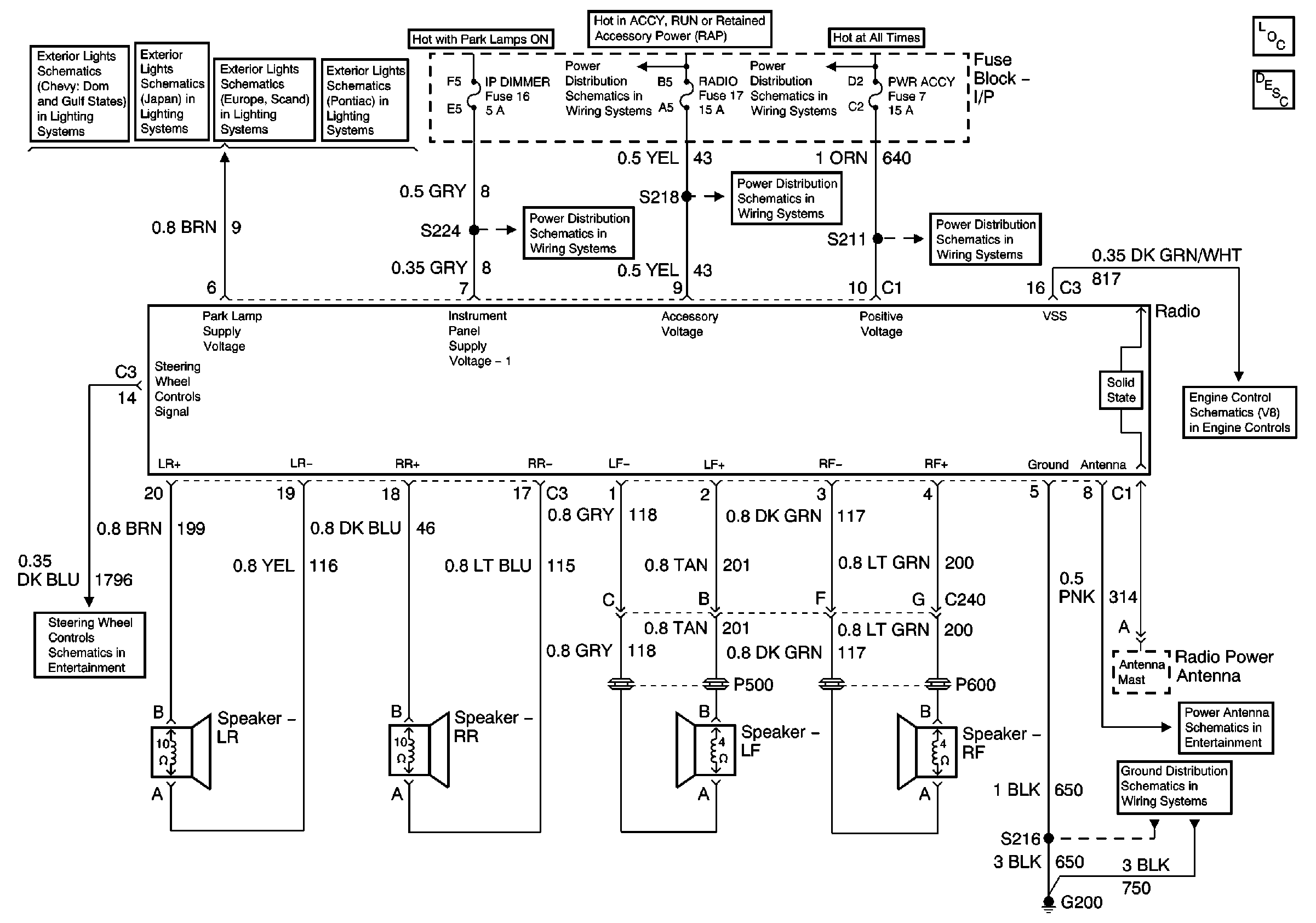
Radio/Audio System Schematics W53

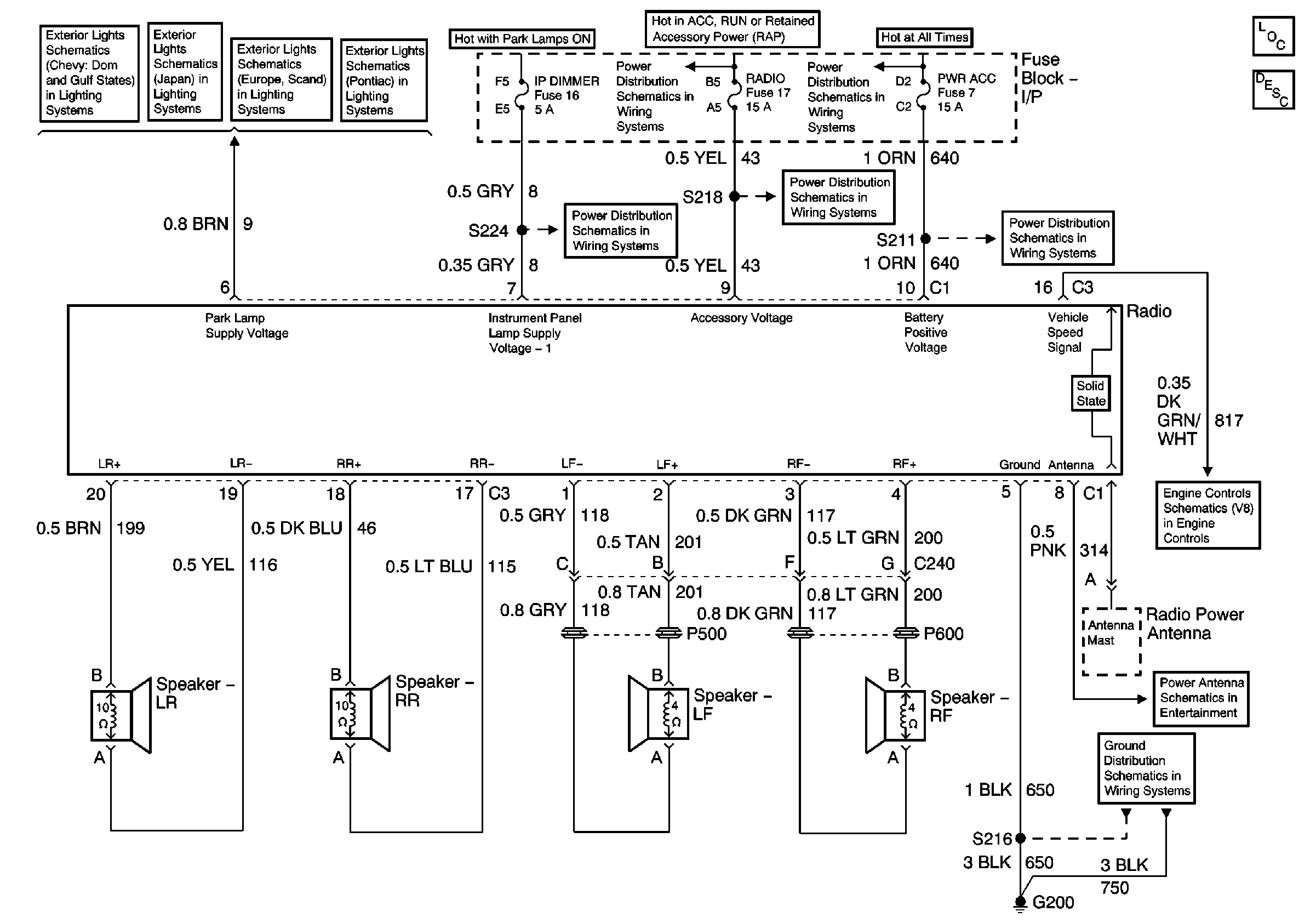
Pontiac and Chevrolet Domestic Coupe: Radio, Front and Rear Speakers


Object Number: 727080  Size: FS
Master Electrical Component List
Radio/Audio System Description and Operation
BCM, Cruise Control Module, EBCM, IPC, Radio, and VSS
Coupe and Convertible: Antenna, Radio
G200 Splice S216
TAIL LPS and STOP/HAZARD Fuses
Fusible Links, CIG/ACCY, ENG CTRL, IGN, I/P-1, I/P-2, and PWR ACCY Fuses
WINDOWS Circuit Breaker, RADIO, STG WHL CNTRL, and WIPER/WASH Fuses
WINDOWS Circuit Breaker, RADIO, STG WHL CNTRL, and WIPER/WASH Fuses
IP DIMMER and STG WHL CNTRL Fuses
Taillamps, Inboard Tail/Stop/Turn Lamps, Outboard Tail/Stop/Turn Lamps, Side Marker Lamps, License Lamp
Chevrolet: Side Marker Lamp, Position Lamp, License Lamps, Tail/Stop/Turn Lamps
Chevrolet: Taillamps, License Lamp, Tail/Stop Lamps
Taillamps, Tail/Stop Lamps, Tail/Stop/Turn Lamps, Side Marker Lamps, License Lamp
Coupe and Convertible: Steering Wheel Controls, Inflatable Restraint Steering Wheel Module Coil, Radio

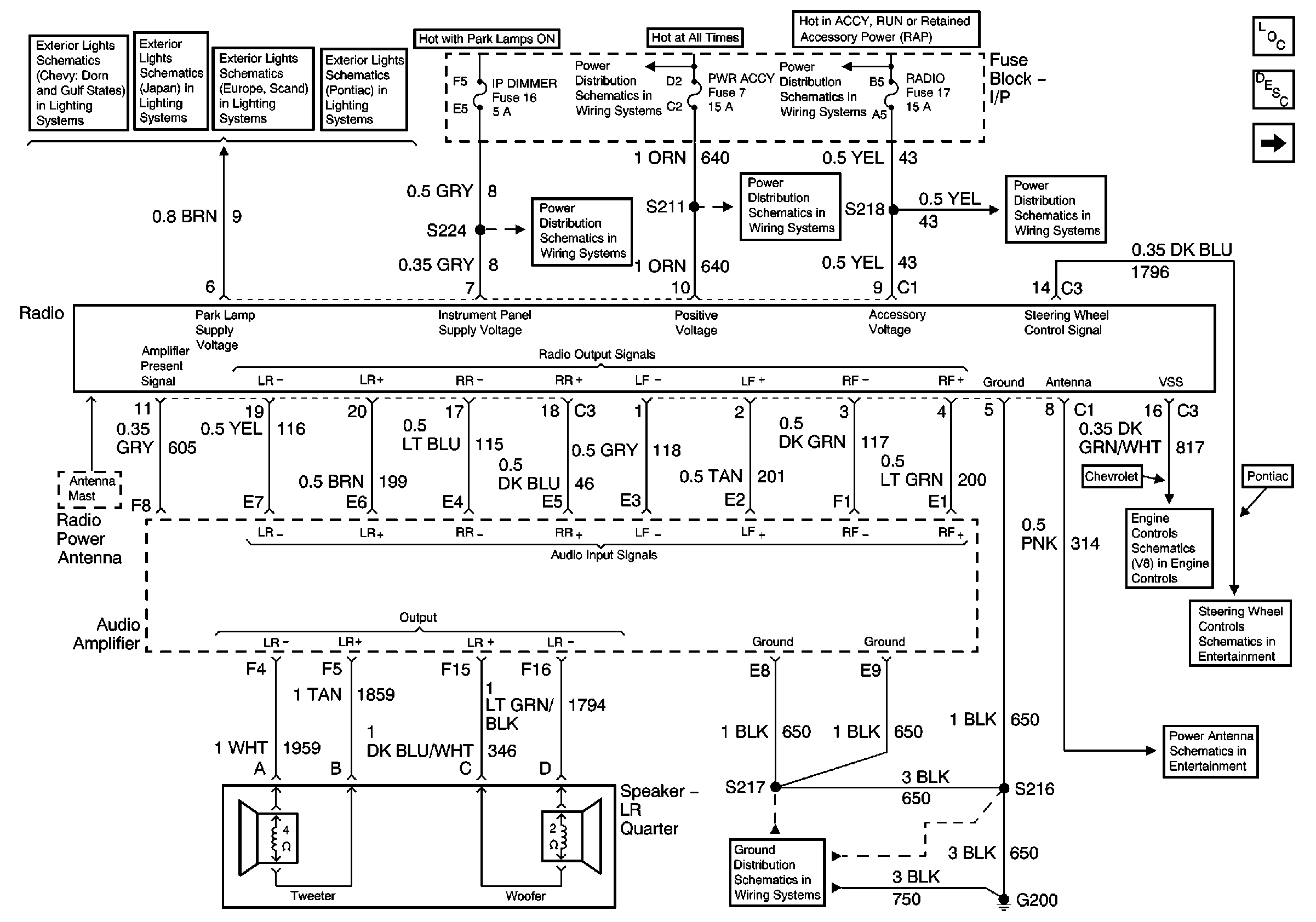
Radio/Audio System Schematics UZ7

Figure 1:

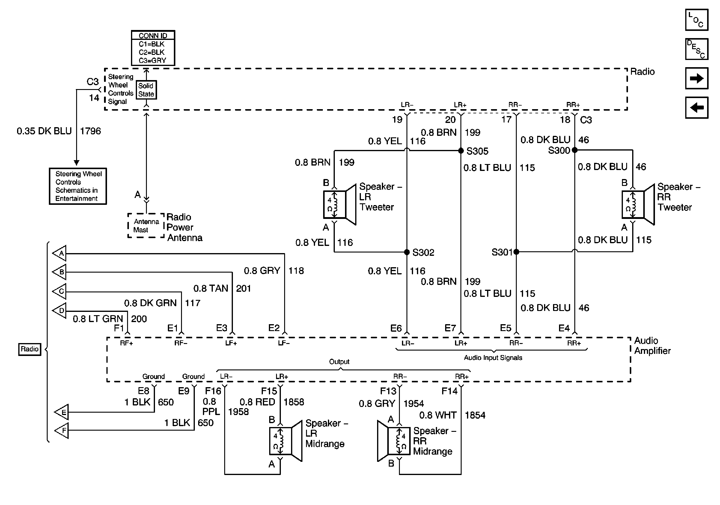
Chevrolet Domestic, Europe, Japan, Gulf States Coupe: Radio, Amplifier, Extended Range Speakers


Object Number: 727082  Size: FS
Master Electrical Component List
Radio/Audio System Description and Operation
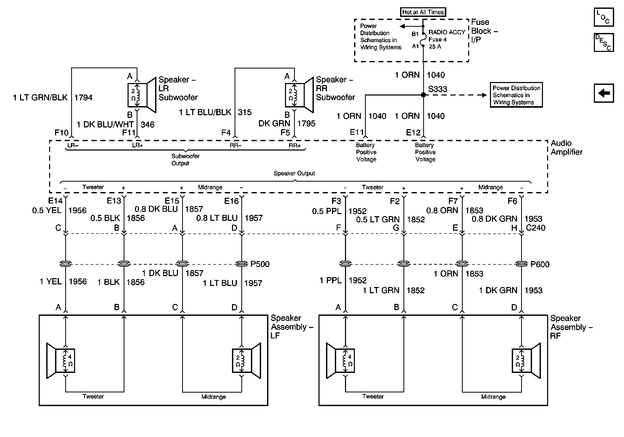
Chevrolet Domestic, Europe, Japan, Gulf States Coupe: Amplifier, Subwoofer Speakers, Front Speakers
WINDOWS Circuit Breaker, RADIO, STG WHL CNTRL, and WIPER/WASH Fuses
WINDOWS Circuit Breaker, RADIO, STG WHL CNTRL, and WIPER/WASH Fuses
TAIL LPS and STOP/HAZARD Fuses
Fusible Links, CIG/ACCY, ENG CTRL, IGN, I/P-1, I/P-2, and PWR ACCY Fuses
IP DIMMER and STG WHL CNTRL Fuses
Taillamps, Inboard Tail/Stop/Turn Lamps, Outboard Tail/Stop/Turn Lamps, Side Marker Lamps, License Lamp
Chevrolet: Side Marker Lamp, Position Lamp, License Lamps, Tail/Stop/Turn Lamps
Chevrolet: Taillamps, License Lamp, Tail/Stop Lamps
Taillamps, Tail/Stop Lamps, Tail/Stop/Turn Lamps, Side Marker Lamps, License Lamp
Coupe and Convertible: Antenna, Radio
Coupe and Convertible: Steering Wheel Controls, Inflatable Restraint Steering Wheel Module Coil, Radio
BCM, Cruise Control Module, EBCM, IPC, Radio, and VSS
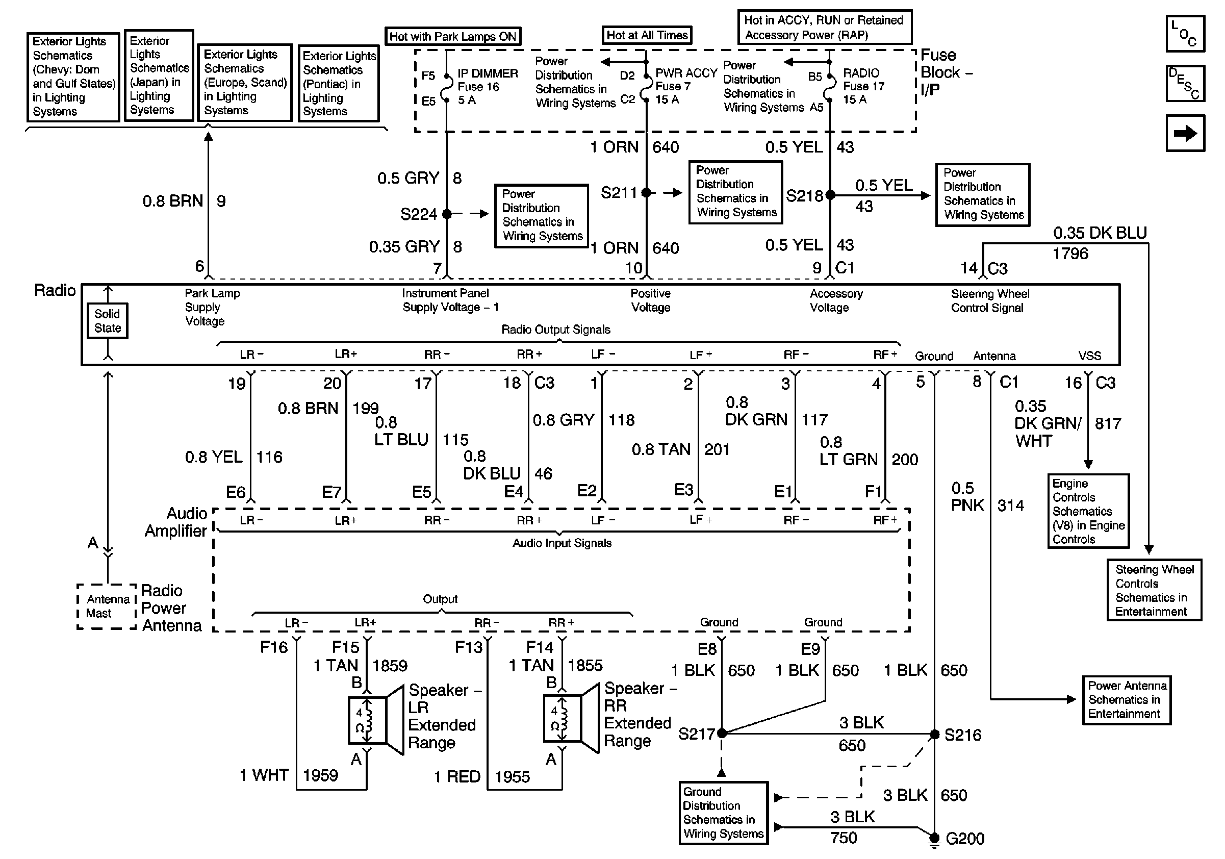
Figure 2:

Chevrolet Domestic, Europe, Japan, Gulf States Coupe: Amplifier, Subwoofer Speakers, Front Speakers


Object Number: 727086  Size: FS
Master Electrical Component List
Radio/Audio System Description and Operation
Chevrolet Domestic, Europe, Japan, Gulf States Coupe: Radio, Amplifier, Extended Range Speakers
COURTESY and RADIO ACCY Fuses
COURTESY and RADIO ACCY Fuses

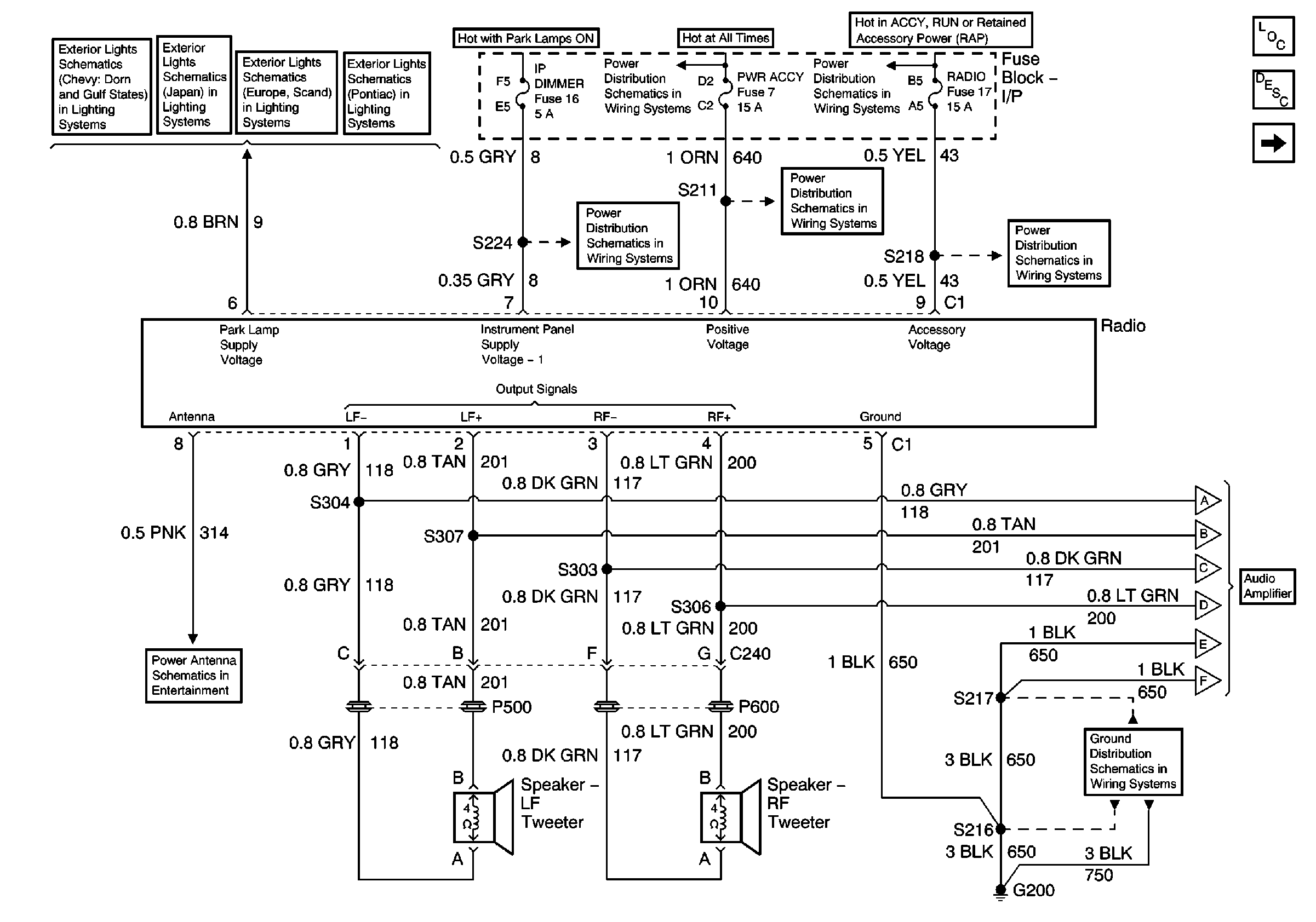
Radio/Audio System Schematics W54,W55

Figure 1:

Pontiac Coupe: Radio, Front Tweeter Speakers


Object Number: 727088  Size: FS
Master Electrical Component List
Radio/Audio System Description and Operation
Pontiac Coupe: Radio, Rear Tweeter and Midrange Speakers
Taillamps, Inboard Tail/Stop/Turn Lamps, Outboard Tail/Stop/Turn Lamps, Side Marker Lamps, License Lamp
Chevrolet: Side Marker Lamp, Position Lamp, License Lamps, Tail/Stop/Turn Lamps
Chevrolet: Taillamps, License Lamp, Tail/Stop Lamps
Taillamps, Tail/Stop Lamps, Tail/Stop/Turn Lamps, Side Marker Lamps, License Lamp
Coupe and Convertible: Antenna, Radio
Pontiac Coupe: Radio, Rear Tweeter and Midrange Speakers
Pontiac Coupe: Radio, Rear Tweeter and Midrange Speakers
Pontiac Coupe: Radio, Rear Tweeter and Midrange Speakers
Pontiac Coupe: Radio, Rear Tweeter and Midrange Speakers
Pontiac Coupe: Radio, Rear Tweeter and Midrange Speakers
Pontiac Coupe: Radio, Rear Tweeter and Midrange Speakers
WINDOWS Circuit Breaker, RADIO, STG WHL CNTRL, and WIPER/WASH Fuses
TAIL LPS and STOP/HAZARD Fuses
WINDOWS Circuit Breaker, RADIO, STG WHL CNTRL, and WIPER/WASH Fuses
Fusible Links, CIG/ACCY, ENG CTRL, IGN, I/P-1, I/P-2, and PWR ACCY Fuses
IP DIMMER and STG WHL CNTRL Fuses
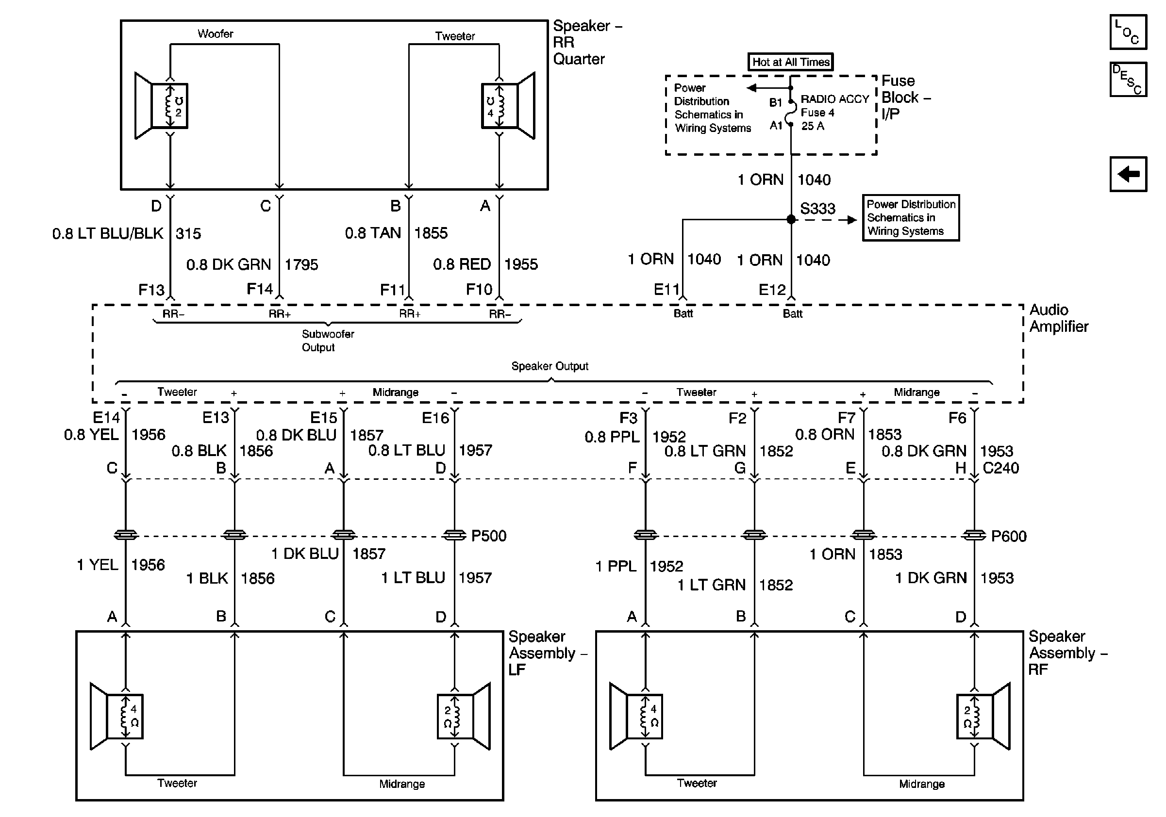
Figure 2:

Pontiac Coupe: Radio, Rear Tweeter and Midrange Speakers


Object Number: 727093  Size: FS
Master Electrical Component List
Radio/Audio System Description and Operation
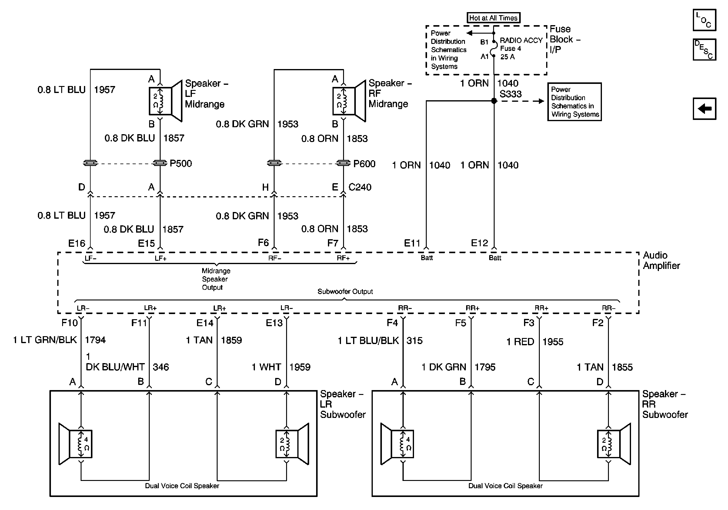
Pontiac Coupe: Amplifier, Front Midrange Speakers, Rear Subwoofer Speakers
Pontiac Coupe: Radio, Front Tweeter Speakers
Pontiac Coupe: Radio, Front Tweeter Speakers
Pontiac Coupe: Radio, Front Tweeter Speakers
Pontiac Coupe: Radio, Front Tweeter Speakers
Pontiac Coupe: Radio, Front Tweeter Speakers
Pontiac Coupe: Radio, Front Tweeter Speakers
Pontiac Coupe: Radio, Front Tweeter Speakers
Coupe and Convertible: Steering Wheel Controls, Inflatable Restraint Steering Wheel Module Coil, Radio
Figure 3:

Pontiac Coupe: Amplifier, Front Midrange Speakers, Rear Subwoofer Speakers


Object Number: 727097  Size: FS
Master Electrical Component List
Radio/Audio System Description and Operation
Pontiac Coupe: Radio, Rear Tweeter and Midrange Speakers
COURTESY and RADIO ACCY Fuses
COURTESY and RADIO ACCY Fuses

Radio/Audio System Schematics U59

Figure 1:

Pontiac, Chevrolet:Domestic, Europe, Japan, Gulf States Convertible: Amplifier, Radio, Left Rear Quarter Speaker


Object Number: 727101  Size: FS
Master Electrical Component List
Radio/Audio System Description and Operation
Pontiac, Chevrolet: Domestic, Europe, Japan, Gulf States Convertible: Amplifier, Front Speakers, Right Rear Quarter Speaker
BCM, Cruise Control Module, EBCM, IPC, Radio, and VSS
Coupe and Convertible: Steering Wheel Controls, Inflatable Restraint Steering Wheel Module Coil, Radio
Coupe and Convertible: Antenna, Radio
Fusible Links, CIG/ACCY, ENG CTRL, IGN, I/P-1, I/P-2, and PWR ACCY Fuses
TAIL LPS and STOP/HAZARD Fuses
WINDOWS Circuit Breaker, RADIO, STG WHL CNTRL, and WIPER/WASH Fuses
WINDOWS Circuit Breaker, RADIO, STG WHL CNTRL, and WIPER/WASH Fuses
IP DIMMER and STG WHL CNTRL Fuses
Taillamps, Inboard Tail/Stop/Turn Lamps, Outboard Tail/Stop/Turn Lamps, Side Marker Lamps, License Lamp
Chevrolet: Side Marker Lamp, Position Lamp, License Lamps, Tail/Stop/Turn Lamps
Chevrolet: Taillamps, License Lamp, Tail/Stop Lamps
Taillamps, Tail/Stop Lamps, Tail/Stop/Turn Lamps, Side Marker Lamps, License Lamp
Figure 2:

Pontiac, Chevrolet:Domestic, Europe, Japan, Gulf States Convertible: Amplifier, Front Speakers, Right Rear Quarter Speaker


Object Number: 727340  Size: FS
Master Electrical Component List
Radio/Audio System Description and Operation
Pontiac, Chevrolet: Domestic, Europe, Japan, Gulf States Convertible: Amplifier, Radio, Left Rear Quarter Speaker
COURTESY and RADIO ACCY Fuses
COURTESY and RADIO ACCY Fuses

Radio/Audio System Schematics U62

Chevrolet:Domestic Convertible: Radio, Front and Rear Speakers


Object Number: 727341  Size: FS
Master Electrical Component List
Radio/Audio System Description and Operation
BCM, Cruise Control Module, EBCM, IPC, Radio, and VSS
Coupe and Convertible: Antenna, Radio
G200 Splice S216
TAIL LPS and STOP/HAZARD Fuses
Fusible Links, CIG/ACCY, ENG CTRL, IGN, I/P-1, I/P-2, and PWR ACCY Fuses
WINDOWS Circuit Breaker, RADIO, STG WHL CNTRL, and WIPER/WASH Fuses
WINDOWS Circuit Breaker, RADIO, STG WHL CNTRL, and WIPER/WASH Fuses
IP DIMMER and STG WHL CNTRL Fuses
Taillamps, Inboard Tail/Stop/Turn Lamps, Outboard Tail/Stop/Turn Lamps, Side Marker Lamps, License Lamp
Chevrolet: Side Marker Lamp, Position Lamp, License Lamps, Tail/Stop/Turn Lamps
Chevrolet: Taillamps, License Lamp, Tail/Stop Lamps
Taillamps, Tail/Stop Lamps, Tail/Stop/Turn Lamps, Side Marker Lamps, License Lamp

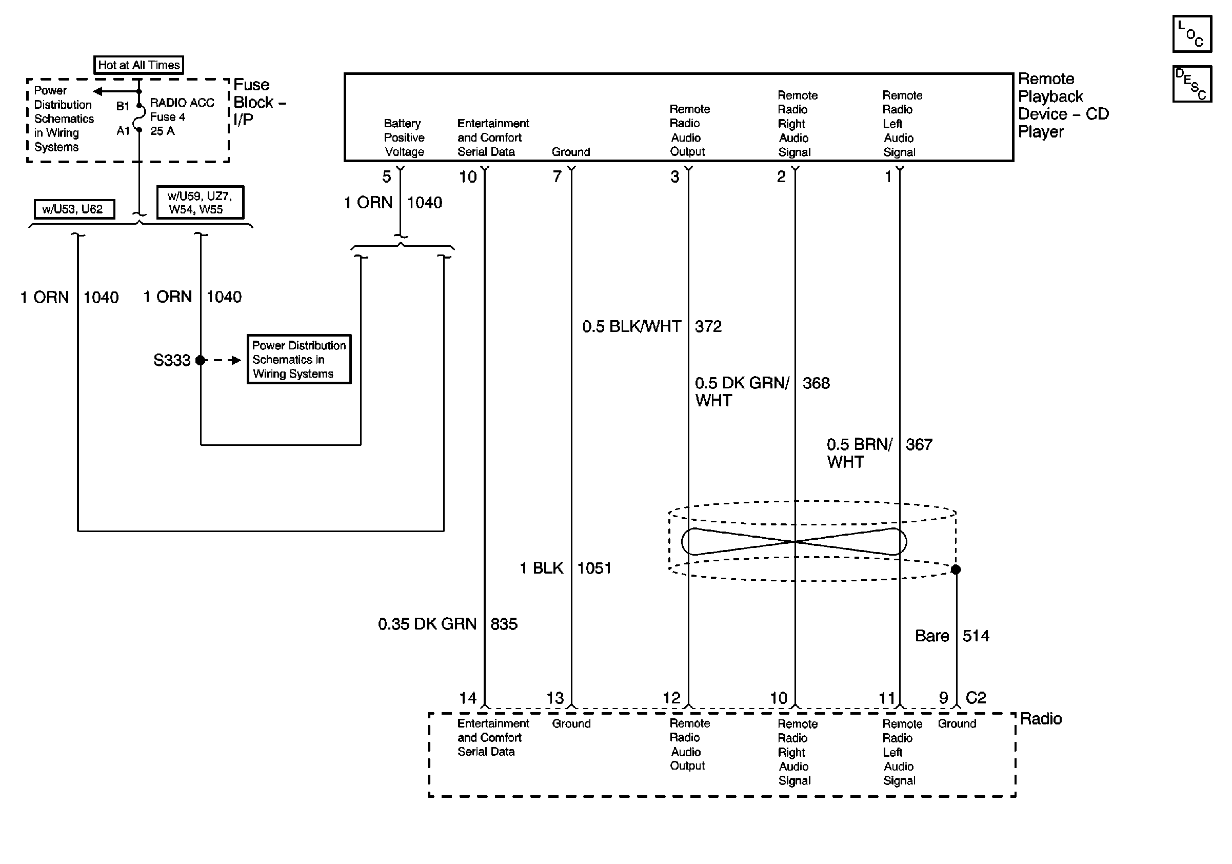
Radio/Audio System Schematics CD Player

Coupe and Convertible: Radio, Remote Compact Disc Player


Object Number: 727342  Size: FS
Master Electrical Component List
Radio/Audio System Description and Operation
COURTESY and RADIO ACCY Fuses
COURTESY and RADIO ACCY Fuses