GM Service Manual Online
For 1990-2009 cars only
Makes
🢒
Pontiac
🢒
2005
🢒
GTO
🢒 Turn Signal Switch and Lamps
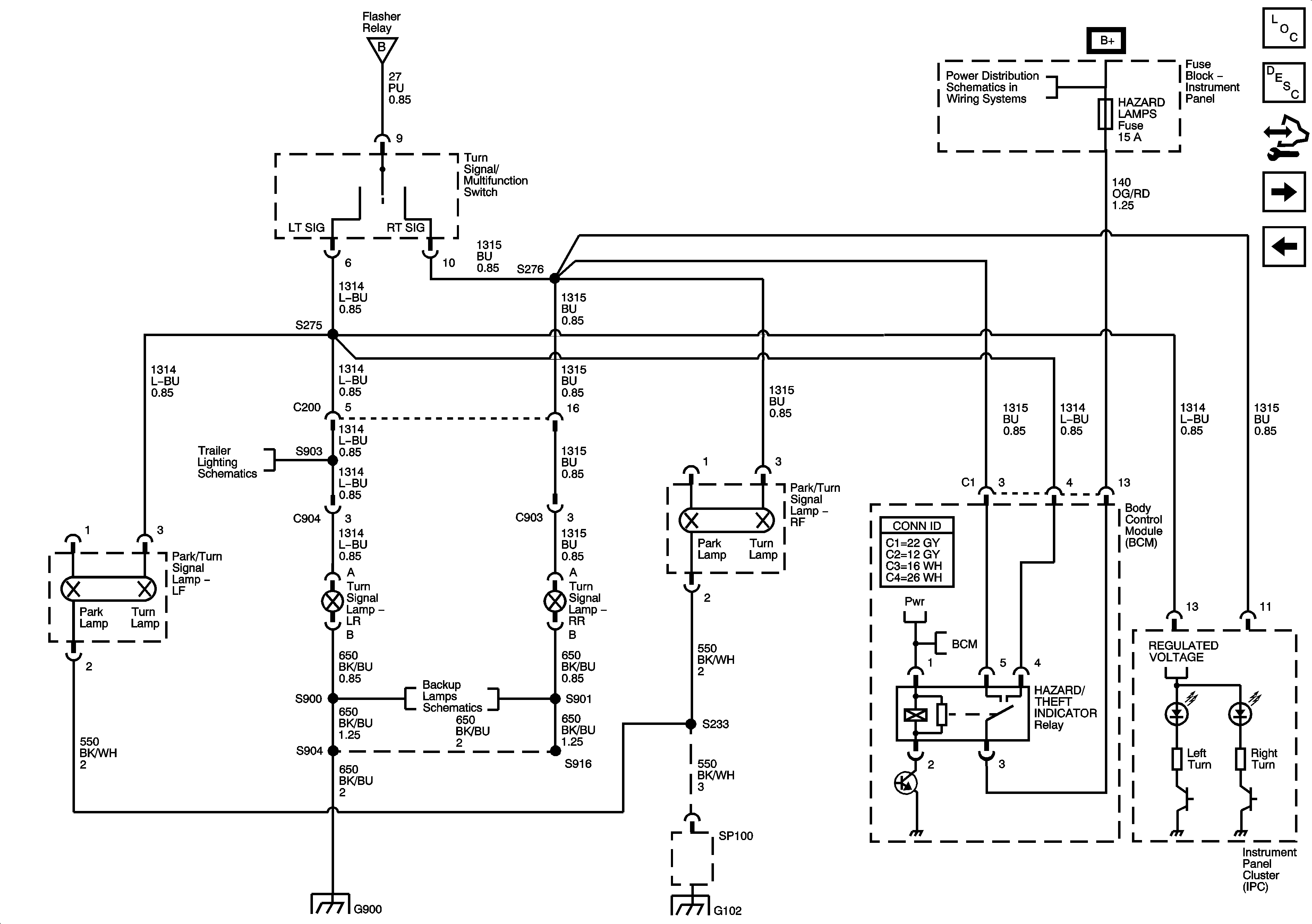
Turn Signal Switch and Lamps
Turn Signal Switch and Lamps
Master Electrical Component List
Exterior Lighting Systems Description and Operation
Control Module References
Stop Lamps
Headlamp Switch, Hazard Switch and Flasher
Trailer Lighting
G900 and G901
Backup Lamps
SP100 and G102 3 of 5
PARK LAMPS, STOP LAMPS, INTERIOR ILLUMINATION, HAZARD LAMPS Fuses