GM Service Manual Online
For 1990-2009 cars only
Makes
🢒
Pontiac
🢒
2002
🢒
Grand Prix
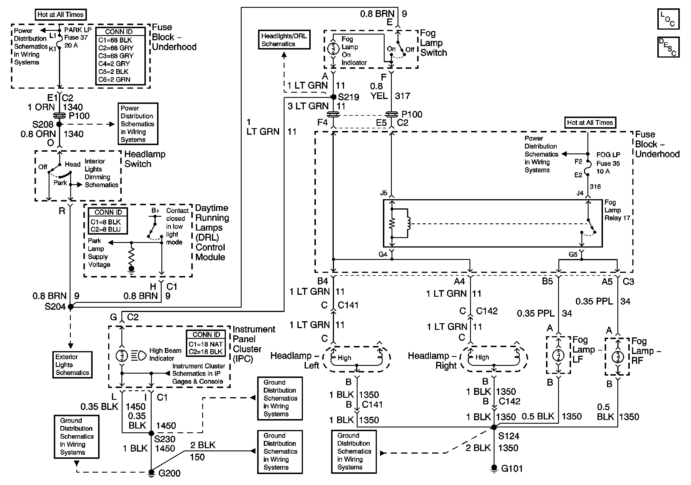
🢒 Fog Lights
Fog Lights
Master Electrical Component List
Exterior Lighting Systems Description and Operation
PARK LP, RADIO, and STR WHL ILLUM Fuses
PARK LP, RADIO, and STR WHL ILLUM Fuses
Daytime Running Lamps (DRL) Control Module Outputs
BATT-MAIN 1-2, IGN-MAIN 1-2, HEADLAMPS, PARK LP, RADIO, AIR, ECM SENSE, ALT SENSE, B/U LAMP, COOL FAN 1-2, FUEL PUMP, FOG LP, HORN, INJ, IGN 1-UH, ELEK IGN, TCC,
Headlamp Switch and Instrument Panel Lighting
Park Lamps Rear
Power, Ground, Illumination, and Seat Belt, Turn Signal, and Hi Beam Indicators
G200, S230
G200, S211, S285
G200, S213, S375
G101