GM Service Manual Online
For 1990-2009 cars only
Figure 1:

Fuse Block -- Underhood Bussing


Object Number: 955620  Size: FS
Master Electrical Component List
Ignition Switch
Figure 2:

Ignition Switch


Object Number: 955626  Size: FS
Master Electrical Component List
BATT MAIN 1, PK LAMPS, DISPLAYS, CHMSL/BKUP, INT LIGHT, RFA/MOD, RADIO/AMP, ONSTAR/ALDL, HVAC, CANISTER Fuses, and PK LP Relay
Fuse Block - Underhood Bussing
Figure 3:

BATT MAIN 1, PK LAMPS, DISPLAYS, CHMSL/BKUP, INT LIGHT, RFA/MOD, RADIO/AMP, ONSTAR/ALDL, HVAC, CANISTER Fuses, and PK LP Relay


Object Number: 955642  Size: FS
Master Electrical Component List
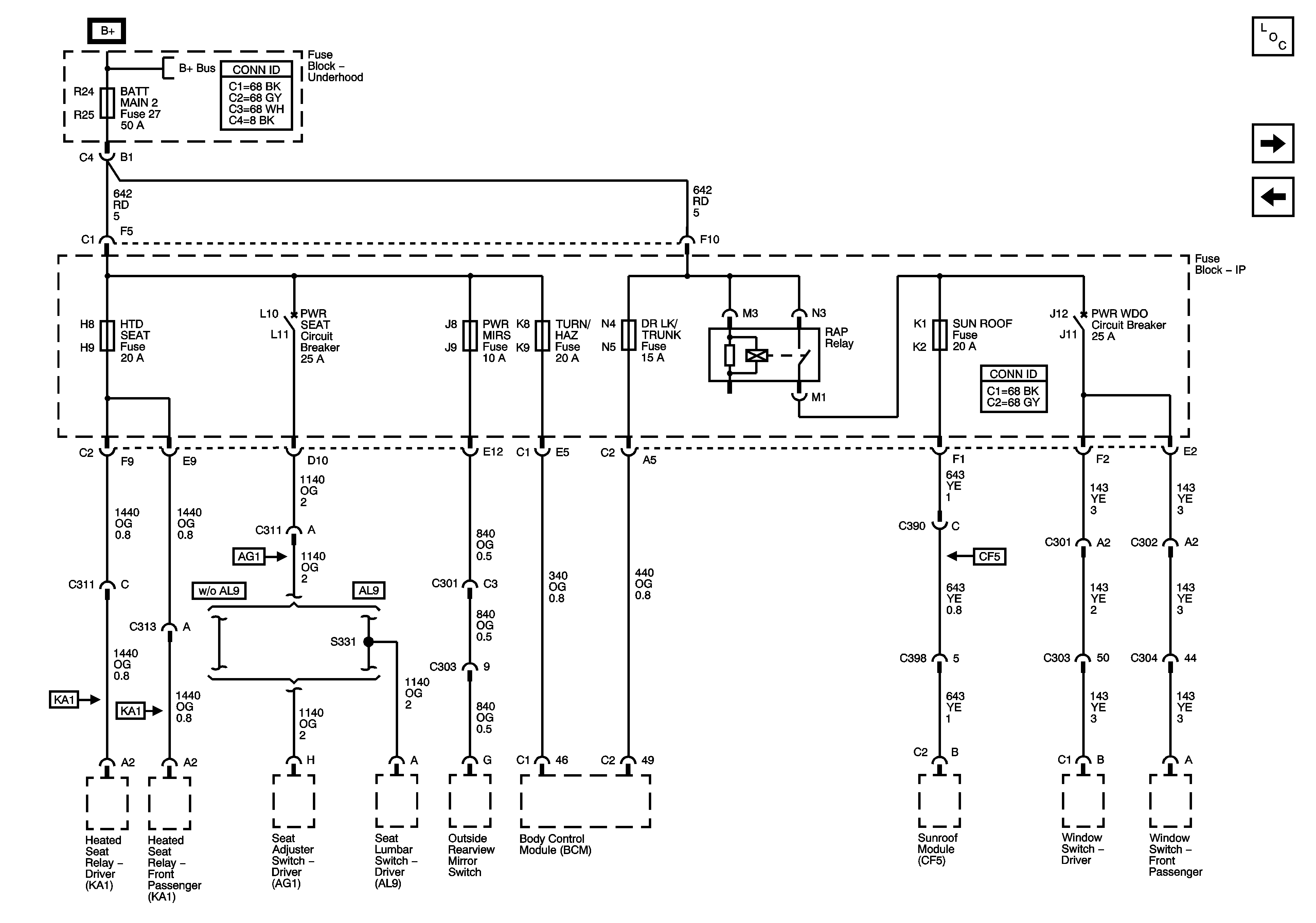
BATT MAIN 2, HTD SEAT, PWR MIRS, TURN/HAZ, DR LK/TRUNK, SUNROOF Fuses, PWR SEAT, PWR WDO Circuit Breakers, and RAP Relay
Ignition Switch
Fuse Block - Underhood Bussing
Fuse Block - Underhood Bussing
Figure 4:

BATT MAIN 2, HTD SEAT, PWR MIRS, TURN/HAZ, DR LK/TRUNK, SUNROOF Fuses, PWR SEAT, PWR WDO Circuit Breakers, and RAP Relay


Object Number: 955716  Size: FS
Master Electrical Component List
BATT MAIN 3, BATT MAIN 4, ABS MTR, ABS SOL, PCM/ETC, WASHER RVC, and AUX PWR Fuses
BATT MAIN 1, PK LAMPS, DISPLAYS, CHMSL/BKUP, INT LIGHT, RFA/MOD, RADIO/AMP, ONSTAR/ALDL, HVAC, CANISTER Fuses, and PK LP Relay
Fuse Block - Underhood Bussing
Fuse Block - Underhood Bussing
Figure 5:

BATT MAIN 3, BATT MAIN 4, ABS MTR, ABS SOL, PCM/ETC, WASHER RVC, and AUX PWR Fuses


Object Number: 955771  Size: FS
Master Electrical Component List
ABS, TRANS SOL, PCM, SIR, DISPLAY, CRUISE SW Fuses, and CRANK Relay
BATT MAIN 2, HTD SEAT, PWR MIRS, TURN/HAZ, DR LK/TRUNK, SUNROOF Fuses, PWR SEAT, PWR WDO Circuit Breakers, and RAP Relay
Fuse Block - Underhood Bussing
Fuse Block - Underhood Bussing
Figure 6:

ABS, TRANS SOL, PCM, SIR, DISPLAY, CRUISE SW Fuses, and CRANK Relay


Object Number: 955807  Size: FS
Master Electrical Component List
ETC, ELEK IGN, FUEL INJ, 02 SSR, and Emission Fuses
BATT MAIN 3, BATT MAIN 4, ABS MTR, ABS SOL, PCM/ETC, WASHER RVC, and AUX PWR Fuses
Fuse Block - Underhood Bussing
Fuse Block - Underhood Bussing
Power and Grounding Schematic Icons
Power and Grounding Schematic Icons
Figure 7:

ETC, ELEK IGN, FUEL INJ, 02 SSR, and EMISSION Fuses


Object Number: 955841  Size: FS
Master Electrical Component List
LF LOW BEAM, RF LOW BEAM, LF HI BEAM, RF HI BEAM, and SPRING COIL 2 FusesFUS
ABS, TRANS SOL, PCM, SIR, DISPLAY, CRUISE SW Fuses, and CRANK Relay
Fuse Block - Underhood Bussing
Fuse Block - Underhood Bussing
Figure 8:

LF LOW BEAM, RF LOW BEAM, LF HI BEAM, RF HI BEAM, and SPRING COIL 2 Fuses


Object Number: 955855  Size: FS
Master Electrical Component List
ETC, ELEK IGN, FUEL INJ, 02 SSR, and Emission Fuses
Fuse Block - Underhood Bussing
Fuse Block - Underhood Bussing
Fuse Block - Underhood Bussing
Fuse Block - Underhood Bussing
Interior Lights Dimming Schematics
Interior Lights Dimming Schematics
Power and Grounding Schematic Icons