GM Service Manual Online
For 1990-2009 cars only
Figure 1:

Power, Ground and Brake Pressure Modulator Valves


Object Number: 1198189  Size: FS
Master Electrical Component List
ABS Description and Operation
ABS Indicators, Torque Signals, Steering andTraction Control
Fuse Block - Underhood Bussing
BATT MAIN 3, BATT MAIN 4, ABS MTR, ABS SOL, PCM/ETC, WASHER RVC, and AUX PWR Fuses
Fuse Block - Underhood Bussing
ABS, TRANS SOL, PCM, SIR, DISPLAY, CRUISE SW Fuses, and CRANK Relay
Steering Controls Schematics
G102, G115 and G201
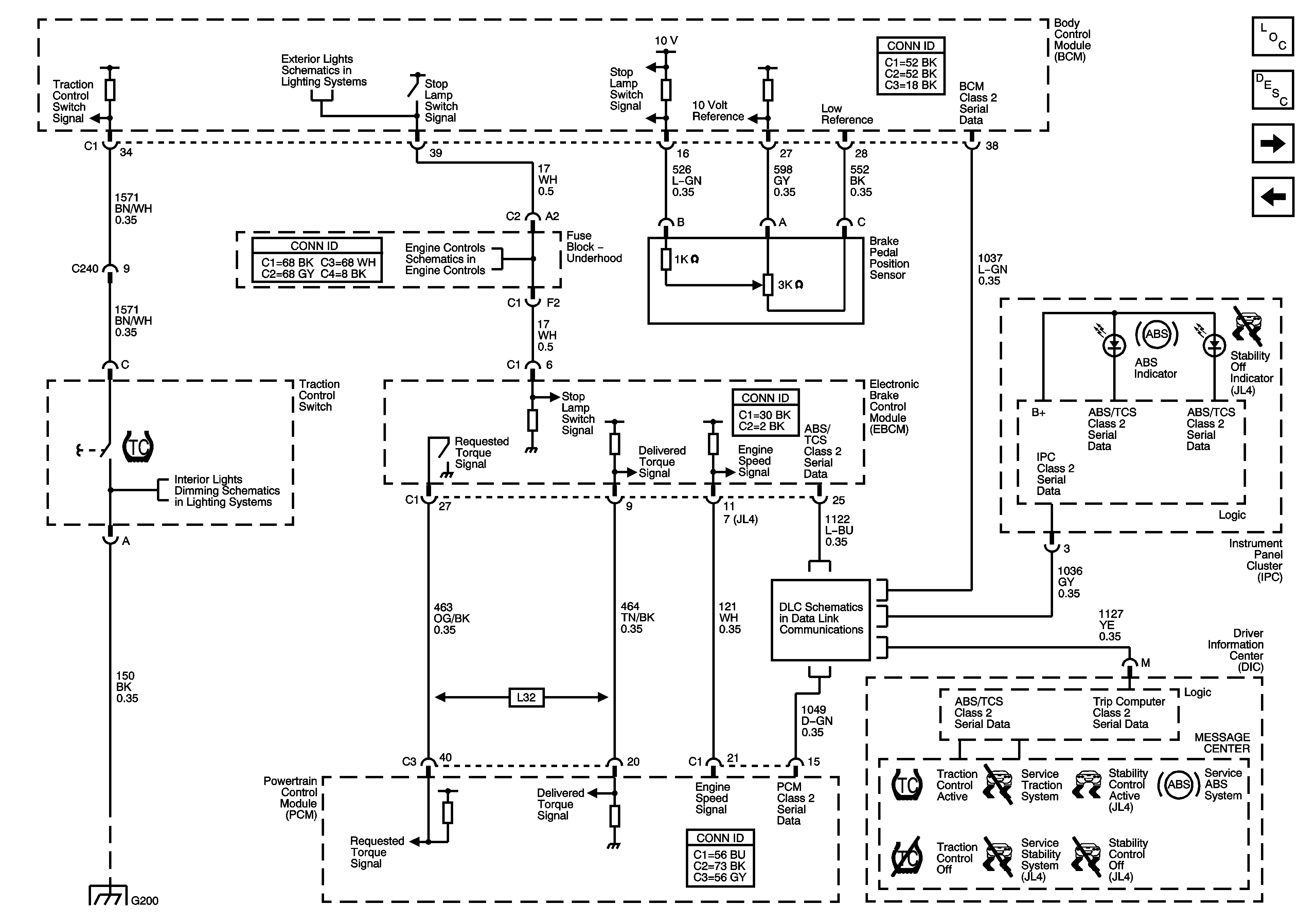
Figure 2:

Indicators, ABS, Stability and Traction Controls


Object Number: 1198191  Size: FS
Master Electrical Component List
ABS Description and Operation
Stability Control (JL4)
Power, Ground and Brake Pressure Modulator Valves
Turn Signal, Hazard and Stop Lamps
Electronic Throttle Controls
Interior Lights Dimming Schematics
Data Link Connector (DLC) Schematics
G200
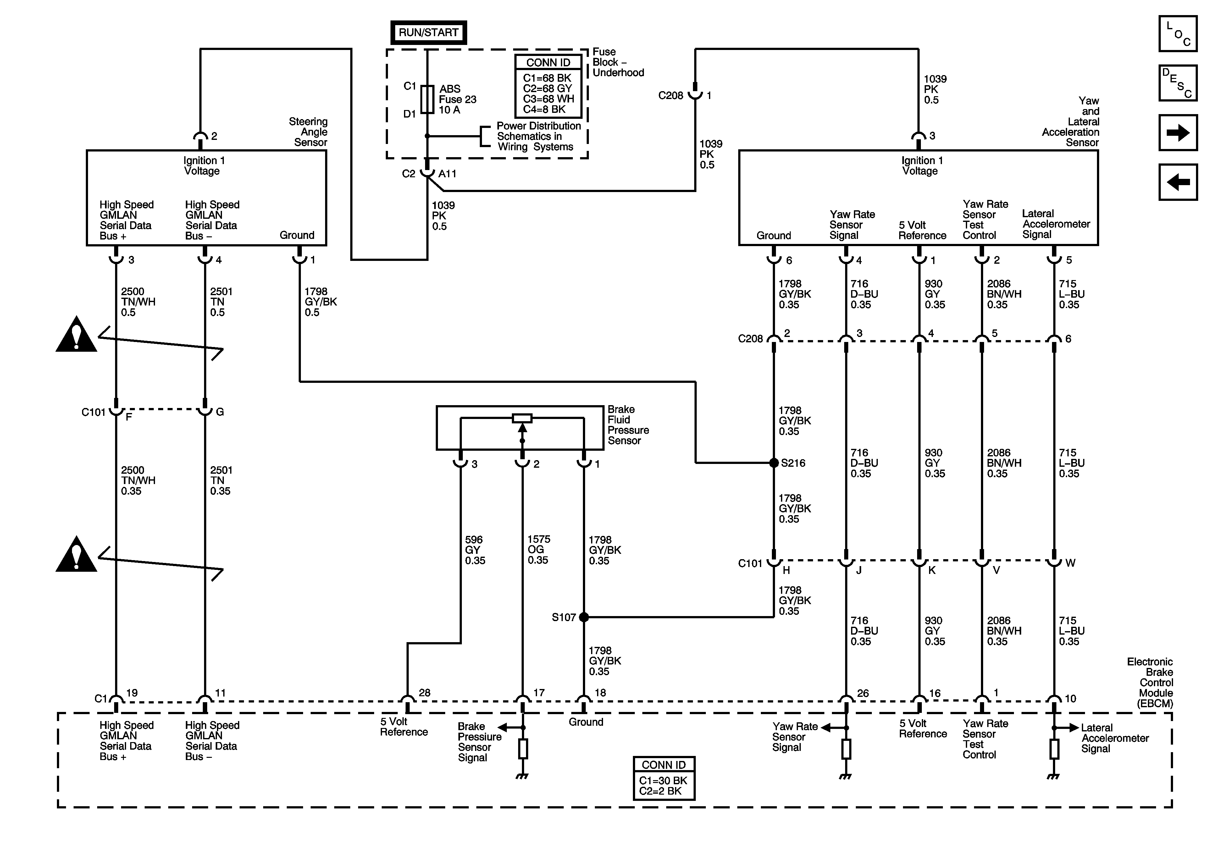
Figure 3:

Stability Control Sensors (JL4)


Object Number: 1198194  Size: FS
Master Electrical Component List
ABS Description and Operation
Wheel Speed Sensors
ABS Indicators, Torque Signals, Steering andTraction Control
Fuse Block - Underhood Bussing
ABS, TRANS SOL, PCM, SIR, DISPLAY, CRUISE SW Fuses, and CRANK Relay
Antilock Brake System Schematic Icons
Antilock Brake System Schematic Icons
Figure 4:

Wheel Speed Sensors


Object Number: 1198195  Size: FS
Master Electrical Component List
ABS Description and Operation
Stability Control (JL4)
Antilock Brake System Schematic Icons