GM Service Manual Online
For 1990-2009 cars only
Makes
🢒
Pontiac
🢒
2006
🢒
Grand Prix
🢒 Sensors
Sensors
Sensors
Master Electrical Component List
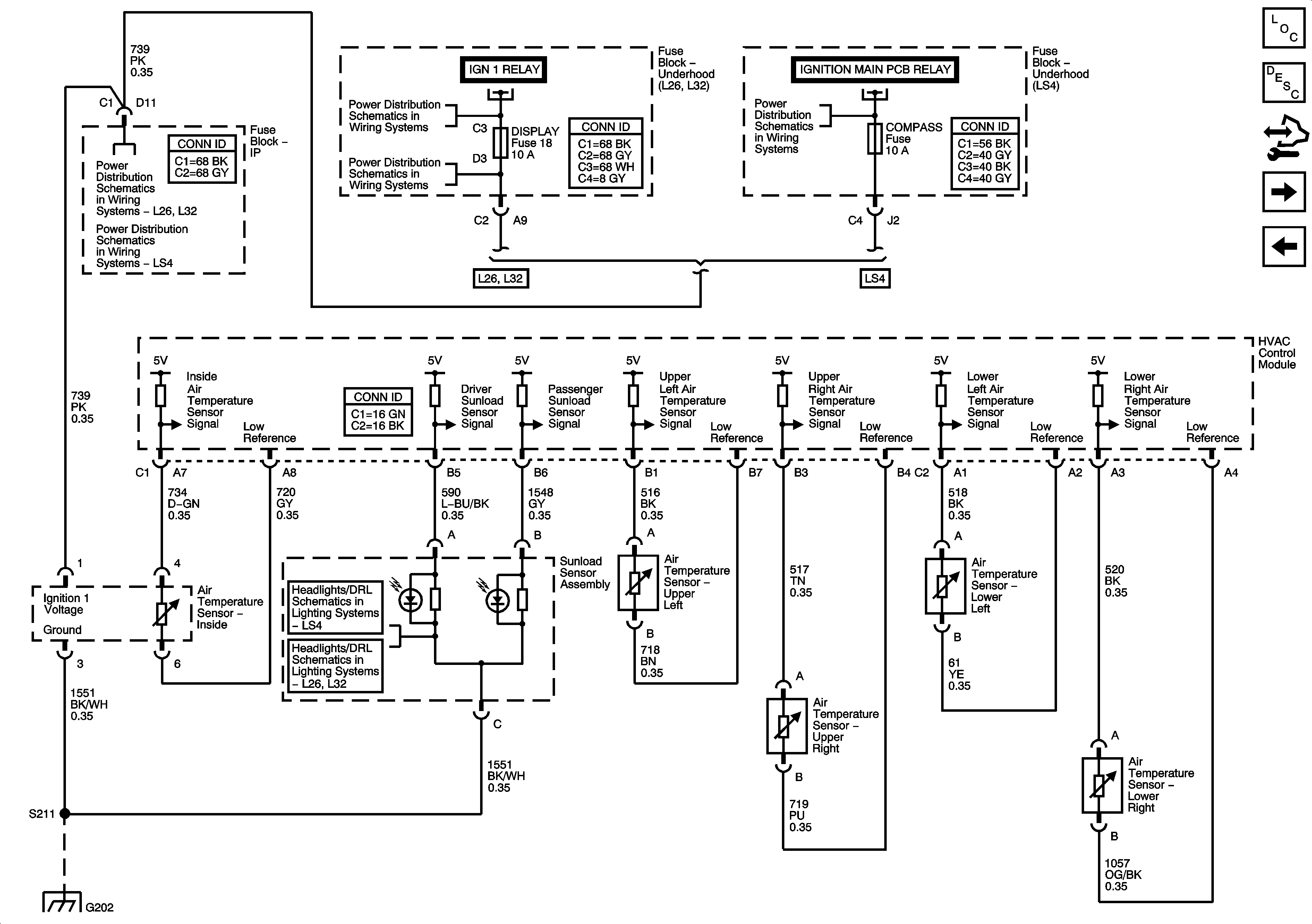
Air Temperature Description and Operation
Control Module References
Actuators
A/C Compressor Controls
ABS, TRANS SOL, PCM, SIR, DISPLAY, CRUISE SW Fuses, and CRANK Relay
ABS, TRANS, ECM IGN, AIRBAG/DISPLAY, COMPASS, HVAC Fuses and STRTR Relay
Fuse Block Underhood Bussing
ABS, TRANS SOL, PCM, SIR, DISPLAY, CRUISE SW Fuses, and CRANK Relay
Fuse Block - Underhood Bussing
Fuse Block - Underhood Bussing
Lumbar Controls
Headlights/Automatic Head Lamps Schematics
G202