GM Service Manual Online
For 1990-2009 cars only
Makes
🢒
Pontiac
🢒
2006
🢒
Grand Prix
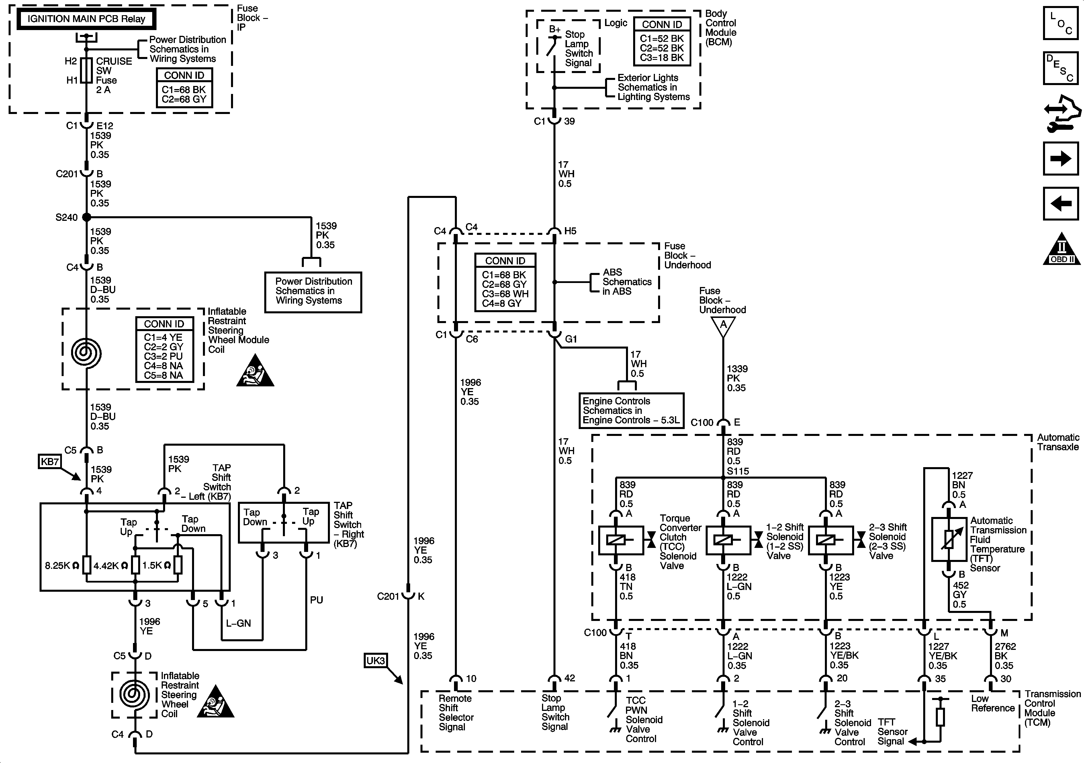
🢒 Tap Shift Switches, Stop Lamp Signal, TFT Sensor and TCC, Shift Solenoids
Tap Shift Switches, Stop Lamp Signal, TFT Sensor and TCC, Shift Solenoids
Tap Shift Switches, Stop lamp Signal, TFT Sensor and TCC, Shift Solenoids
Master Electrical Component List
Transmission General Description
Control Module References
VSS and AT ISS Sensors, Pressure Control Solenoid Valve, and TCC Release Switch
Power, Ground and Serial Data
Automatic Transmission Schematic Icons
ABS, TRANS, ECM IGN, AIRBAG/DISPLAY, COMPASS, HVAC Fuses and STRTR Relay
ABS, TRANS, ECM IGN, AIRBAG/DISPLAY, COMPASS, HVAC Fuses and STRTR Relay
Turn Signal, Hazard and Stop Lamp Outputs
Automatic Transmission Schematic Icons
ABS, TRANS, ECM IGN, AIRBAG/DISPLAY, COMPASS, HVAC Fuses and STRTR Relay
Indicator, ABS, Stability, and Traction Controls
Power, Ground and Serial Data
MAF/IAT Sensor, Stop Lamp Switch Signal and VSS
Automatic Transmission Schematic Icons