GM Service Manual Online
For 1990-2009 cars only
Makes
🢒
Pontiac
🢒
2006
🢒
Grand Prix
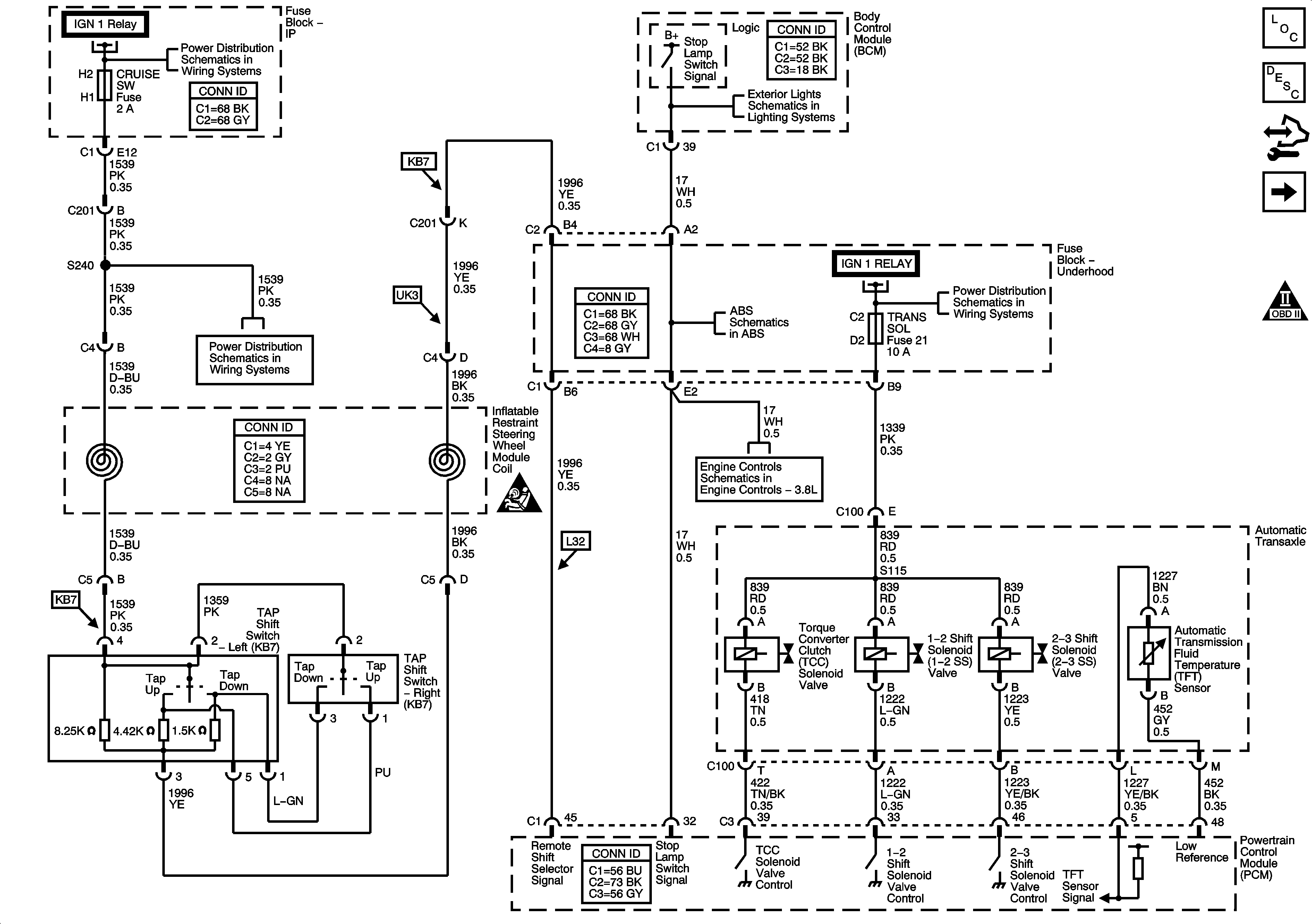
🢒 TAP Shift Switches, StopLamp Signal, TFT Sensor and TCC Shift Solenoids
TAP Shift Switches, StopLamp Signal, TFT Sensor and TCC Shift Solenoids
TAP Shift Switches, Stop Lamp Signal, TFT Sensor and TCC, Shift Solenoids
Master Electrical Component List
Transmission General Description
Control Module References
VSS and AT Sensors, Pressure Control Solenoid Valve and TCC Release Switch
Automatic Transmission Schematic Icons
ABS, TRANS SOL, PCM, SIR, DISPLAY, CRUISE SW Fuses, and CRANK Relay
ABS, TRANS SOL, PCM, SIR, DISPLAY, CRUISE SW Fuses, and CRANK Relay
Turn Signal, Hazard and Stop Lamp Outputs
Automatic Transmission Schematic Icons
Indicator, ABS, Stability, and Traction Controls
Electronic Throttle Controls
Fuse Block Underhood Bussing
Fuse Block Underhood Bussing
Automatic Transmission Schematic Icons